☰
Login
Join
×
Home
Answered Questions
Repair Topics
Repair & Service Guides
Popular Questions
Warning Lights
Trouble Codes
How It Works
Testing / Diagnostics
Symptoms
Videos
Login
Become a Member
Home
Ford
Expedition
Exterior Light
Running Light
Wiring
Wiring diagram for tail lights and blinkers needed
2000 FORD EXPEDITION
80,000 MILES • 5.4L • V8 • AWD • AUTOMATIC
STONE42011
MEMBER
1 POST
FOLLOW
The wiring harness for my blinkers and tail lights has come apart and I need a diagram. can you help me?
Jan 1, 2017 at 12:41 PM
Advertisement
CJ MEDEVAC
CERTIFIED EXPERT
11,004 POSTS
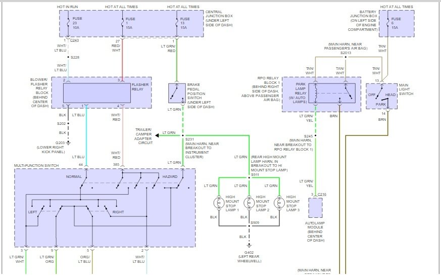
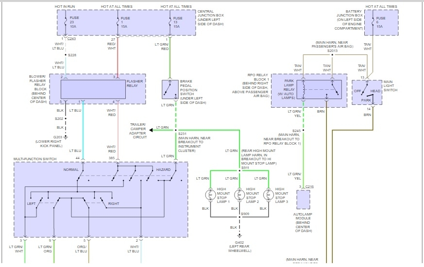
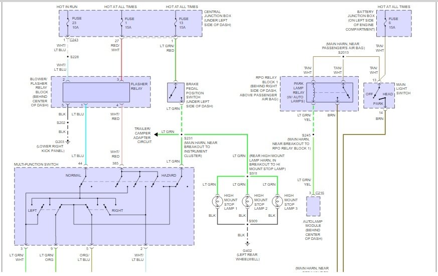
Here are two screenshots of the Exterior Lighting wiring diagram from "Prodemand"
The first is the top/second is the bottom.
When I shot them, I insured there was a little 'overlapping' so that you could see nothing was left out!
Let us know if this is what you needed.
The Medic
Images (Click to enlarge)
Jan 1, 2017 at 8:07 PM