Diagram for the wires on the front passenger door needed

1999 HONDA CRV
200,000 MILES • 4 CYL • 2WD • AUTOMATIC
Avatar
COLLIN PERRY
  • MEMBER
  • 1 POST
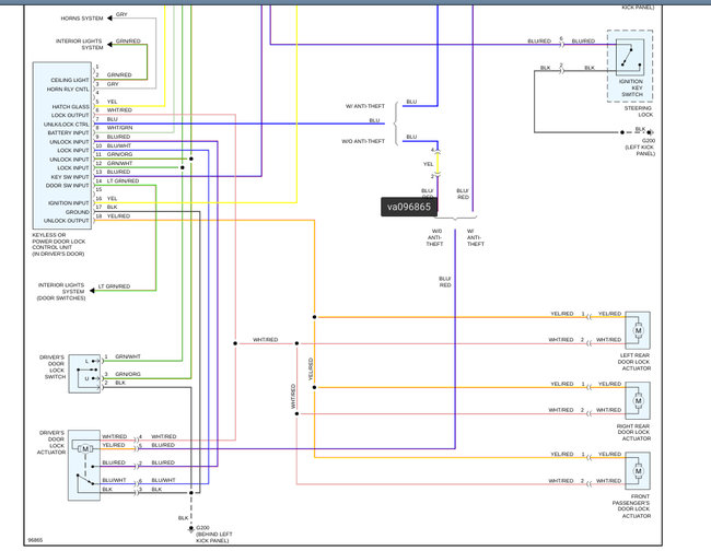
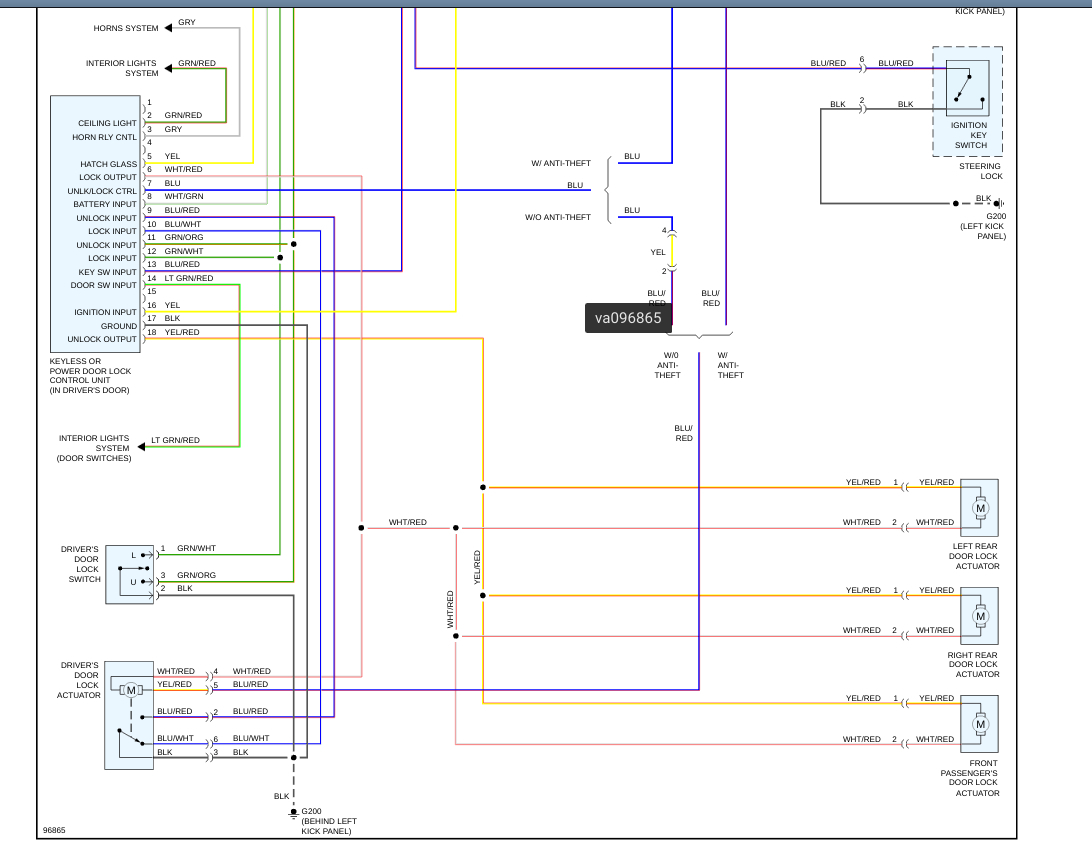
Wiring colors from chassis to door female connector coloring order on front passenger passenger side.
Jan 14, 2020 at 9:05 PM
Advertisement
Avatar
SCGRANTURISMO
  • CERTIFIED EXPERT
  • 4,897 POSTS
Hello,

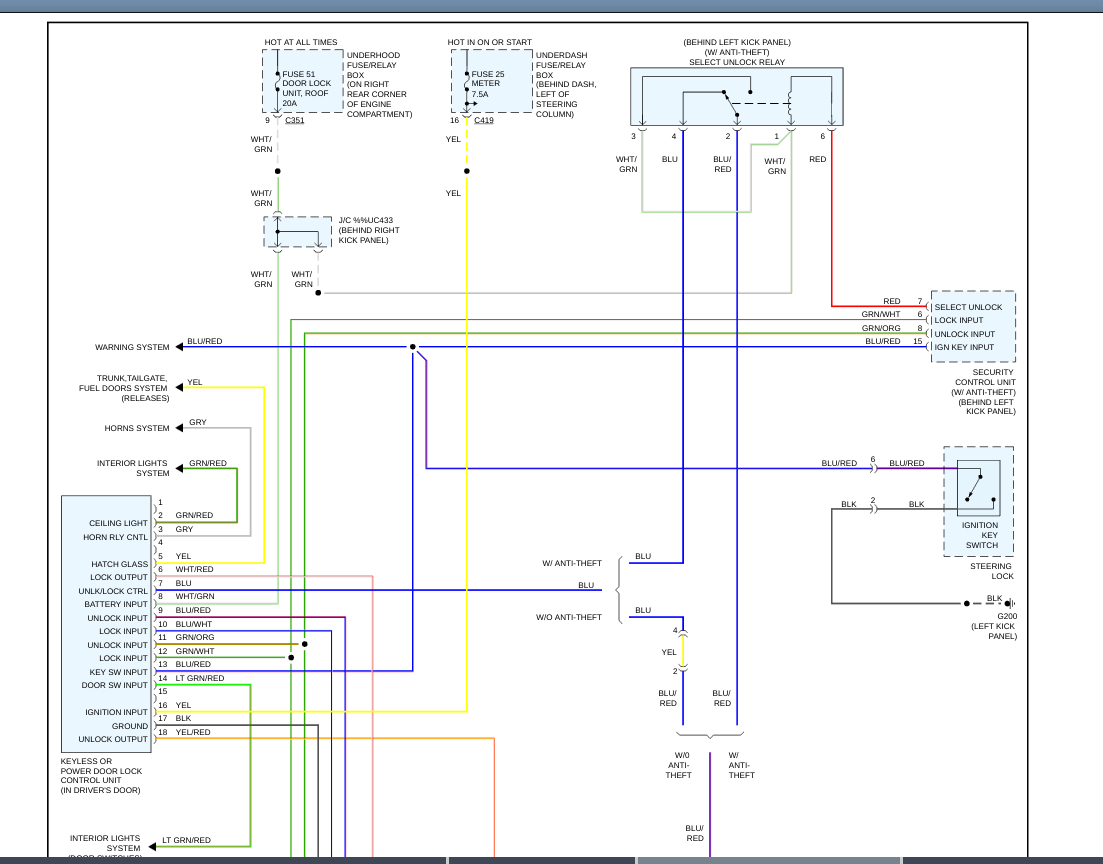
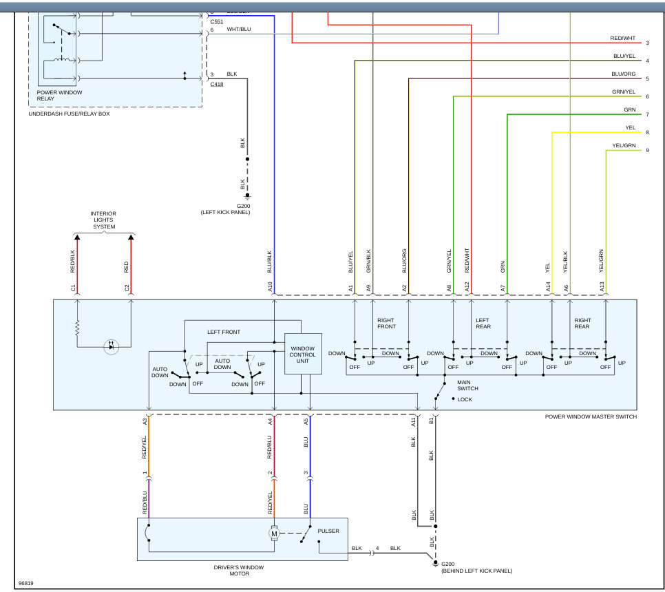
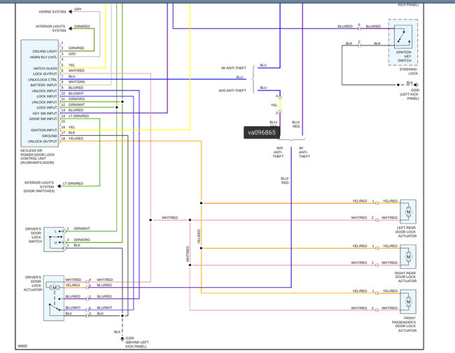
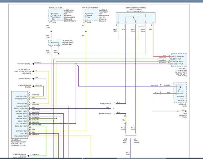
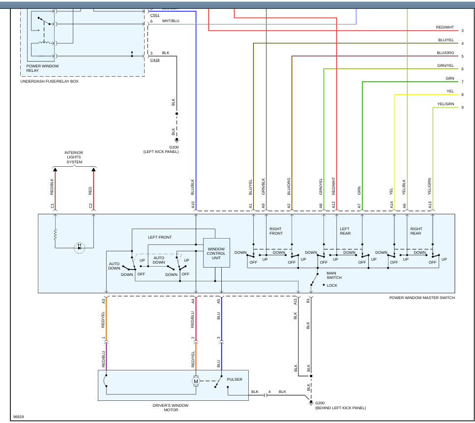
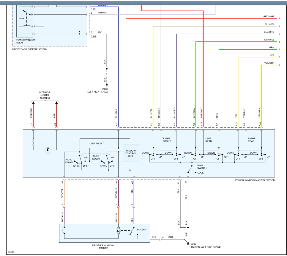
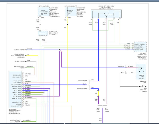
In the diagrams down below I have included the wiring diagrams for the power mirrors,
Power locks and the power windows for your vehicle. I hope that these help. Please go through them and get back to us with how everything turns out.

Thanks,
Alex
2CarPros
Jan 15, 2020 at 3:01 AM