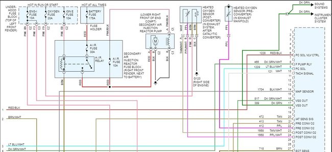
I need a reining diagram for this truck. engine turns over fine but won't start. has a new fuel pump. but i need to chase the wires to test. please help
Aug 20, 2019 at 4:17 PM








