Under hood color wiring diagram needed

1990 CHEVROLET SILVERADO
100,000 MILES • V8 • 2WD • AUTOMATIC
Avatar
NEEDHELP75
  • MEMBER
  • 1 POST
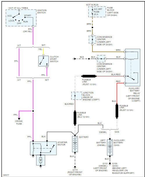
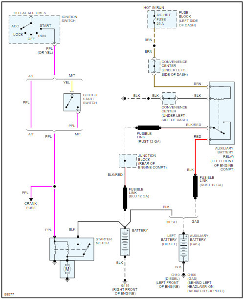
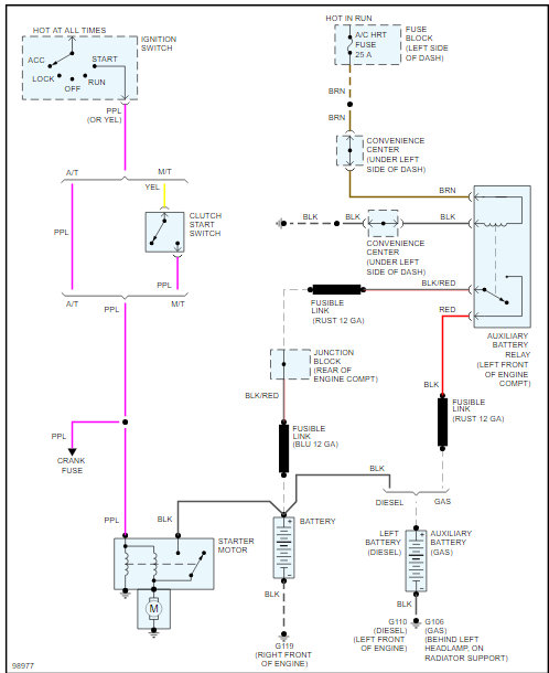
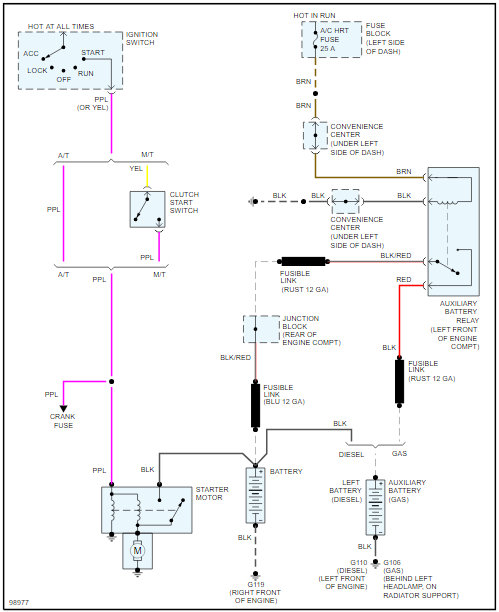
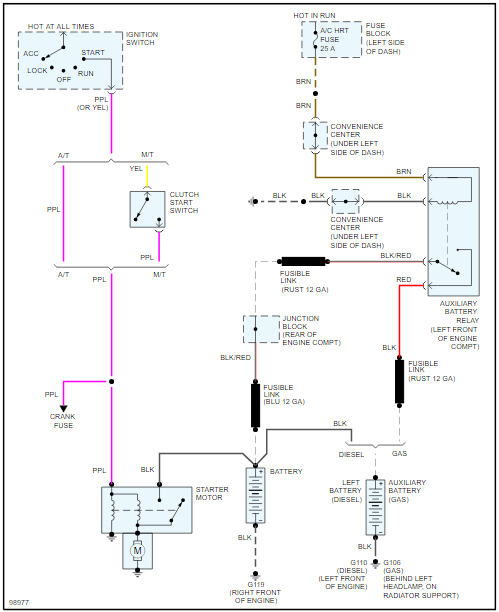
All the wires got cut and i am having to splice them back together i need a color diagram of the wires under the hood.
Dec 4, 2019 at 2:17 PM
Advertisement
Avatar
DANNY L
  • CERTIFIED EXPERT
  • 5,648 POSTS
Hello, I'm Danny.

I've attached 2 pictures below of the starting and charging system to begin with. Let me know what other components you need diagrams for. My 1989 K1500 has 79,000 original miles.Hope this helps and thanks for using 2CarPros.
Dec 4, 2019 at 9:19 PM