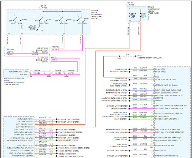
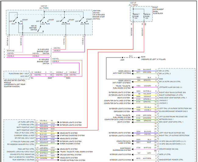
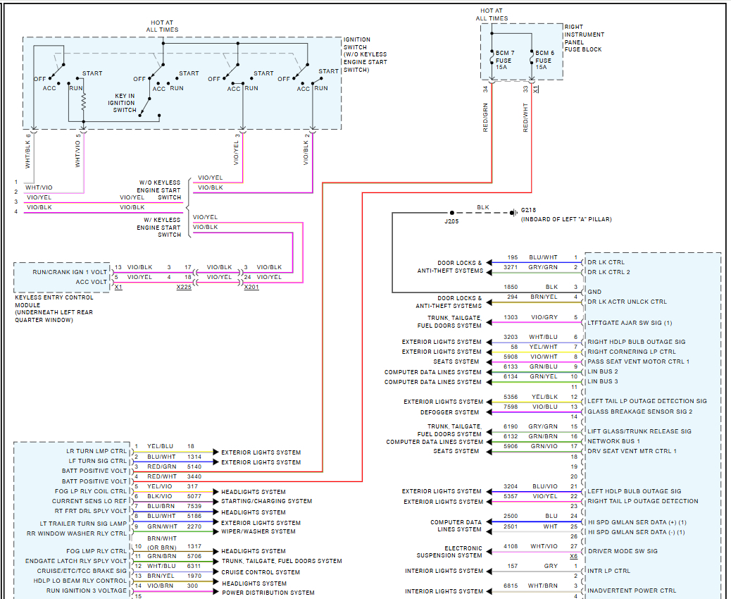
Hi, I'm looking for the wiring diagram and BCM pin outs for a 2017 Suburban v8 4WD LT.
It comes equipped with K4C but the wireless charging unit in the center console is not functioning. The module gets three wires in, GN (circuit 4512) which i verified at 12V, it has a good BK ground, and the last wire is VT/YL (circuit 5985 - accessory wake up). This last wire has no voltage so I'm thinking the module wont wake up without this LIN signal. All the circuits and pin numbers I found are from other similar vehicles manuals online so I'm looking for the actual 2017 suburban wiring manuals so I can nail down the exact BCM pin and check continuity.
Also I have heard there was an issue with GM wireless modules 2017 and earlier but I bought the newer Gen 2 part and still nothing so I dont think that is the issue.
Thanks for any help in this!
It comes equipped with K4C but the wireless charging unit in the center console is not functioning. The module gets three wires in, GN (circuit 4512) which i verified at 12V, it has a good BK ground, and the last wire is VT/YL (circuit 5985 - accessory wake up). This last wire has no voltage so I'm thinking the module wont wake up without this LIN signal. All the circuits and pin numbers I found are from other similar vehicles manuals online so I'm looking for the actual 2017 suburban wiring manuals so I can nail down the exact BCM pin and check continuity.
Also I have heard there was an issue with GM wireless modules 2017 and earlier but I bought the newer Gen 2 part and still nothing so I dont think that is the issue.
Thanks for any help in this!
Aug 15, 2025 at 10:41 PM



