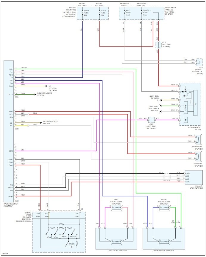
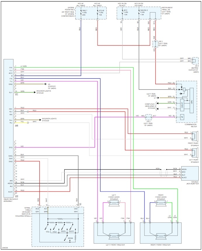
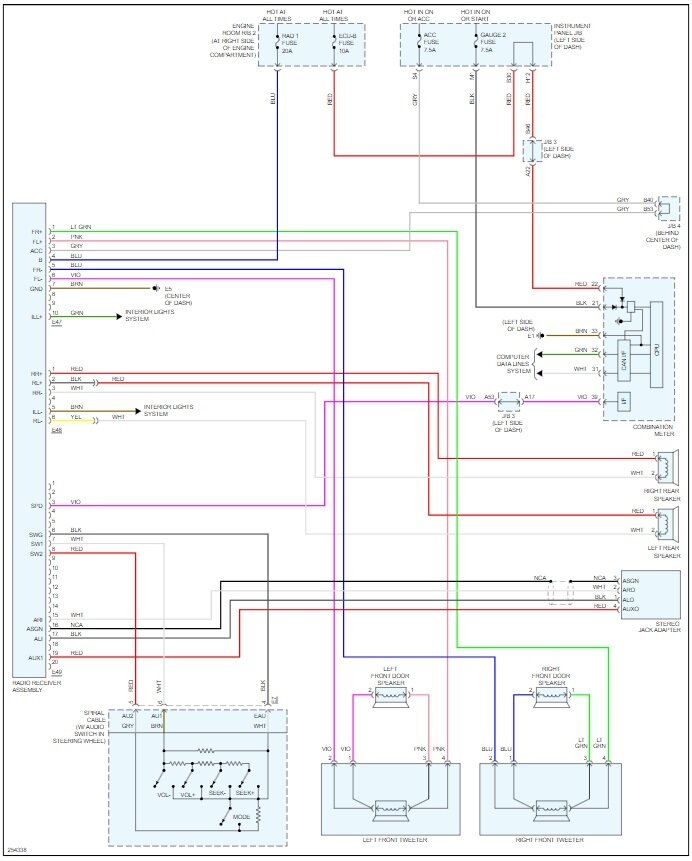
Was needing wire diagram for the factory stereo so I could hook up a Metra WM-LOCKN universal output converter is the brand of converter box I'm using if you can help, I would greatly appreciate it.
Oct 3, 2023 at 3:46 PM


