Headlight wiring diagram needed?

2004 FORD EXPEDITION
130,000 MILES • V8 • 2WD • AUTOMATIC
Avatar
ZIKIE 7
  • MEMBER
  • 1 POST
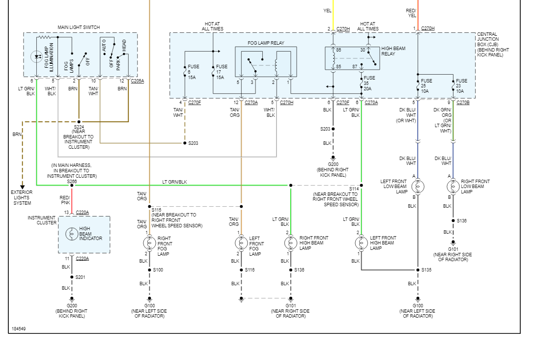
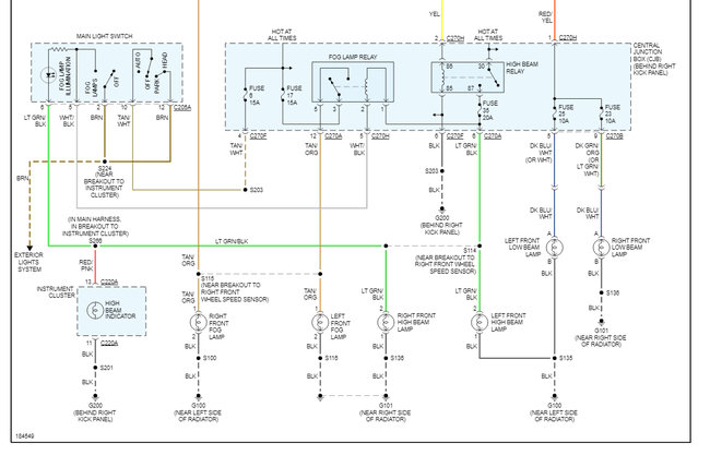
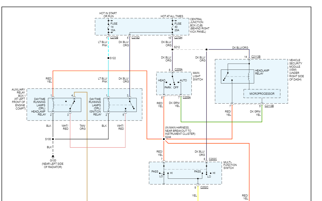
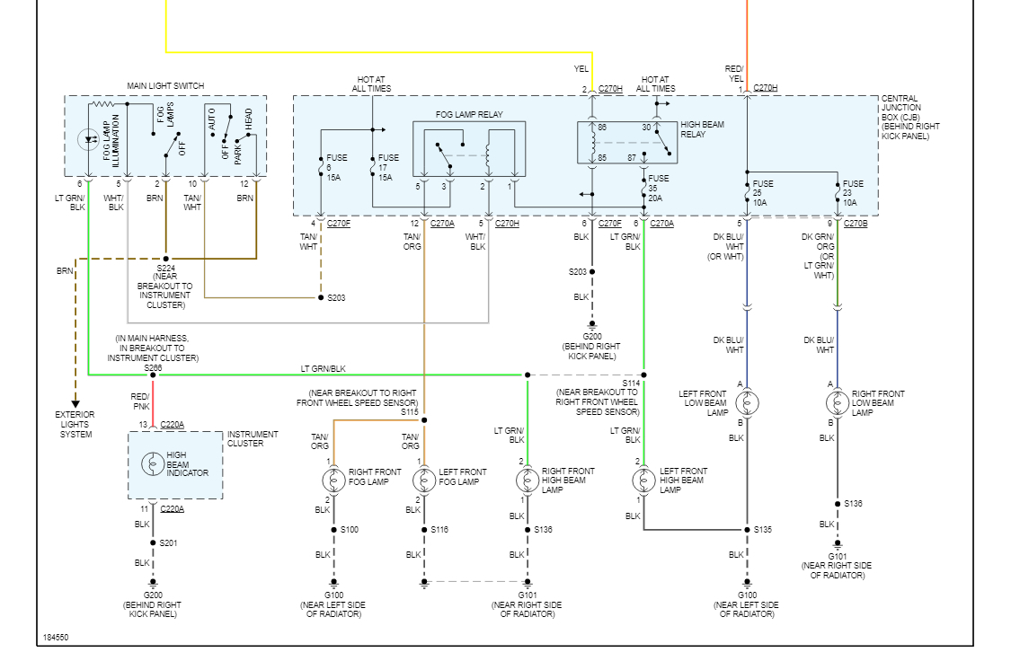
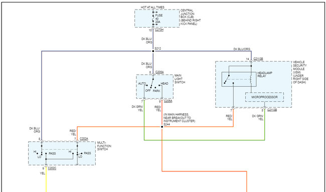
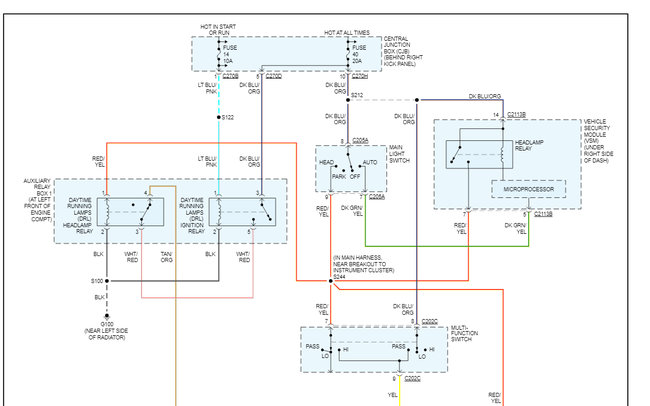
Front passenger side low beam not working, replaced bulb. Still nothing checked fuse nothing. Rear passenger turn signal has no power to bulb. not sure if inline fuse or broken wire. low beam possible a motherboard inside light problem. i don't have a wiring schematic to go by. Need one.
Sep 9, 2022 at 12:59 PM
Advertisement
Avatar
SQM
  • CERTIFIED EXPERT
  • 6,383 POSTS
Hello,

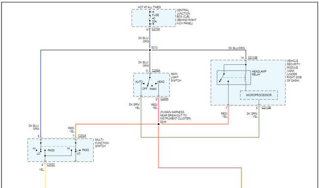
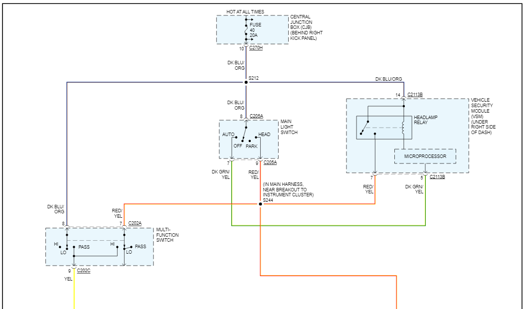
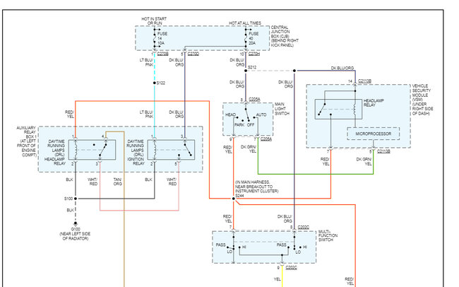
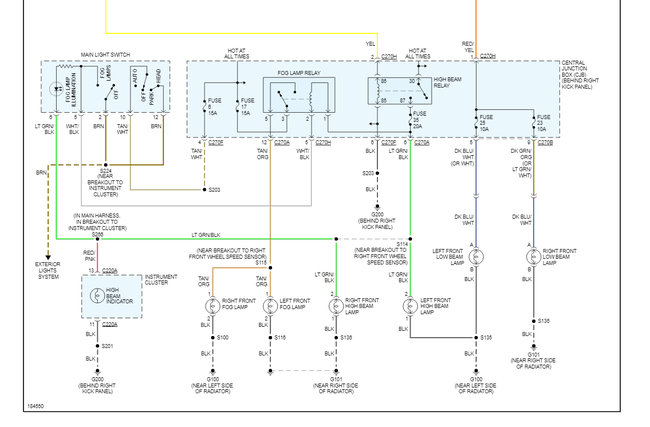
See attached for the wiring schematics. I have attached both with and without DRL schematics.

Here is a helpful guide on how to check wiring issues:

https://www.2carpros.com/articles/how-to-check-wiring


Let me know if you have any questions.
Thank you.
Sep 9, 2022 at 4:26 PM