Can I get a wiring diagram for the A/C/Heater control unit?

1989 CHEVROLET 1500
10,000 MILES • 6.2L • V8 • AUTOMATIC
Avatar
  • MEMBER
  • 1 POST
Need a wiring diagram for the AC Heater control unit, the wires that plug into the unit have been cut. Where do these wires fasten to the power supply and ignition switch?
Nov 3, 2022 at 7:34 AM
Advertisement
Avatar
CARADIODOC
  • CERTIFIED EXPERT
  • 34,306 POSTS
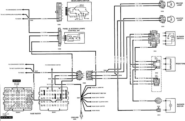
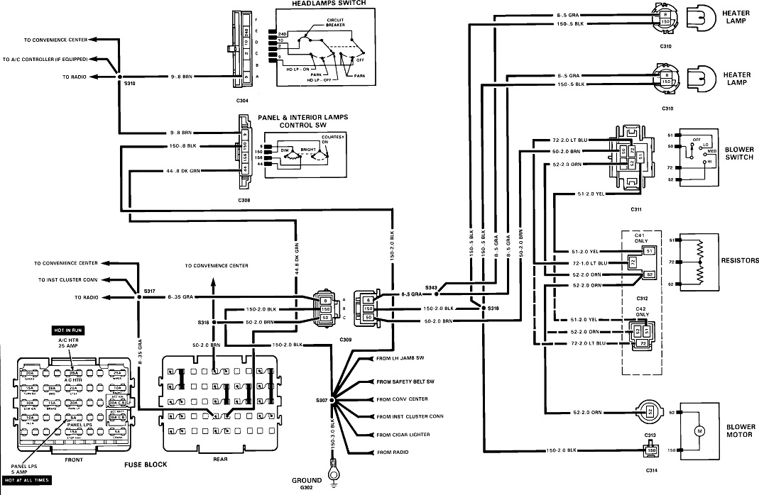
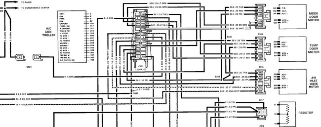
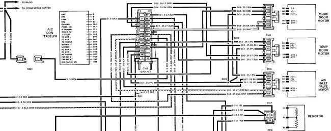
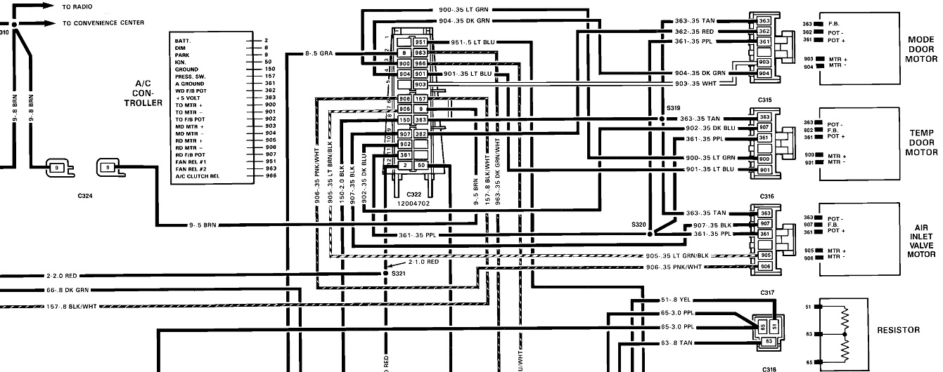
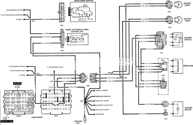
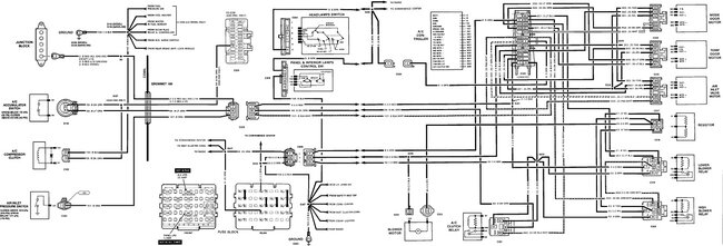
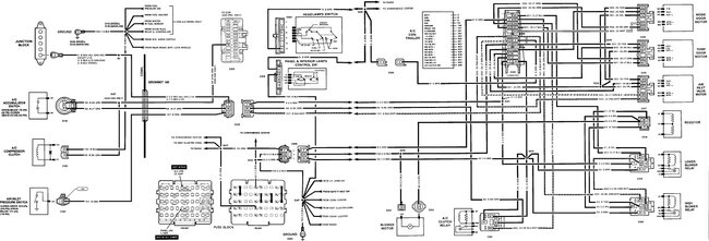
This first diagram is without A/C. The second one is with A/C. That's the only one I see a controller on. These can be hard to read, so in the third diagram, I blew up the controller section, and in the fourth, I made the connector bigger.

Let me know if you need another section expanded.
Nov 3, 2022 at 11:28 AM