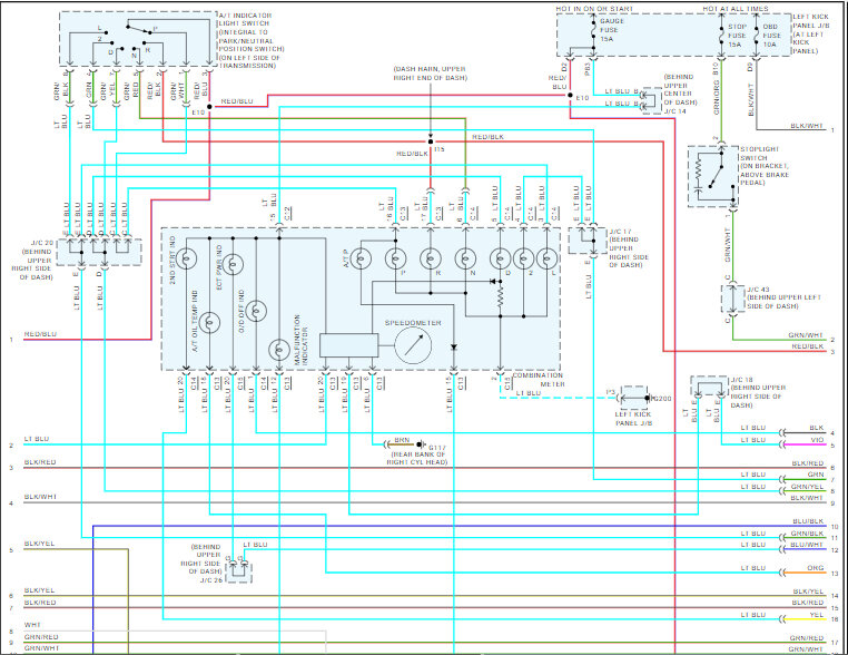
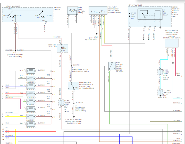
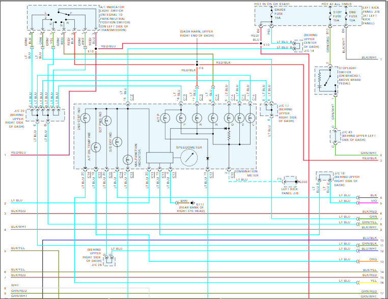
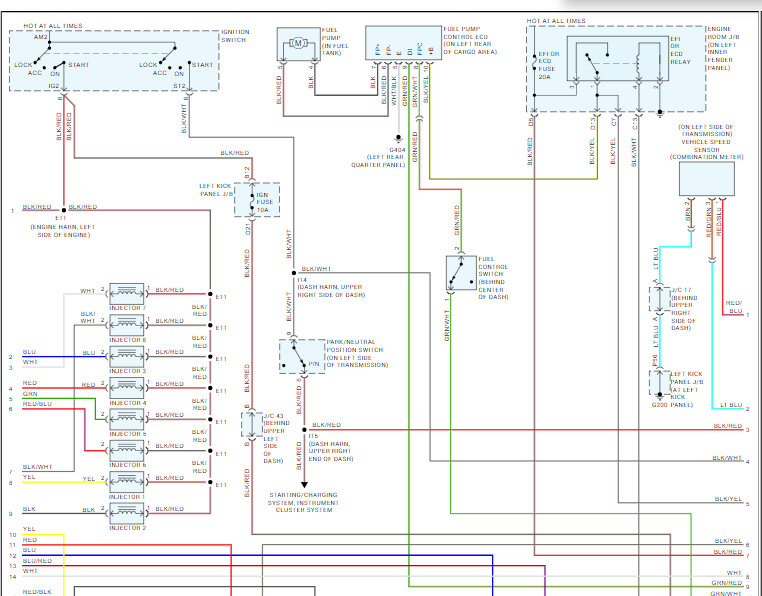
Hi,
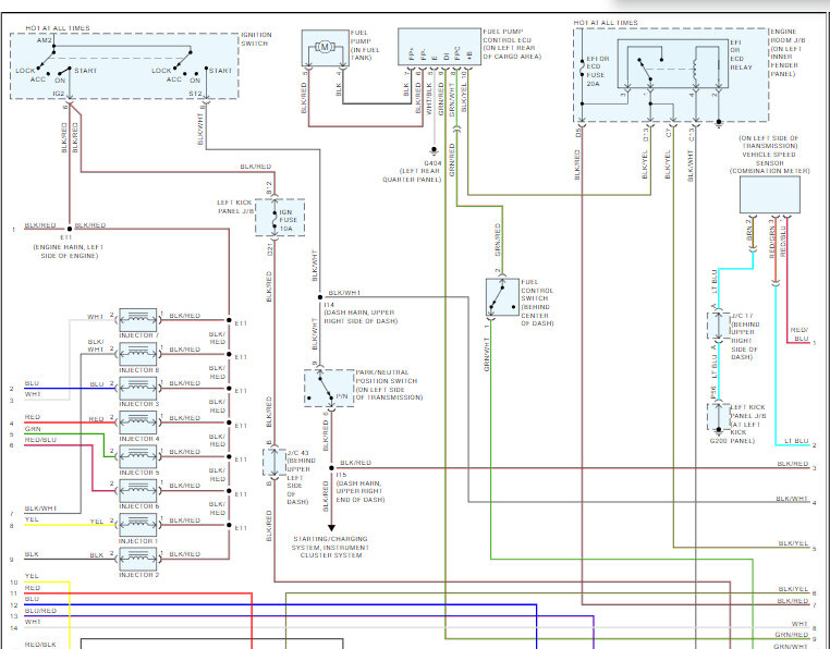
I went through my wiring schematics and couldn't find only APP info. So, I had to attach the entire wiring schematic for the powertrain control.
I highlighted everything I could find related to throttle control for you. Also, note that the schematic was 4 pages long. I had to cut each page in half to make them readable for you. I did overlap them so you can follow from one to the next.
Let me know if this helps.
Take care,
Joe
See pics below.
Images (Click to enlarge)
Aug 18, 2024 at 7:59 PM