Code p0888, PCM wiring diagram needed

2004 DODGE STRATUS
170,000 MILES • 2.7L • 6 CYL • 2WD • AUTOMATIC
Avatar
DEVON BLADES
  • MEMBER
  • 1 POST
I'm trying to get the diagram for which wires go from the relay to the PCM. I'm getting done p0888 and getting only 0.3 volts and other times 12. so there's got to be a wire that's broke but hanging on by a thread.
May 25, 2021 at 1:11 PM
Advertisement
Avatar
STEVE W.
  • CERTIFIED EXPERT
  • 15,113 POSTS
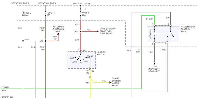
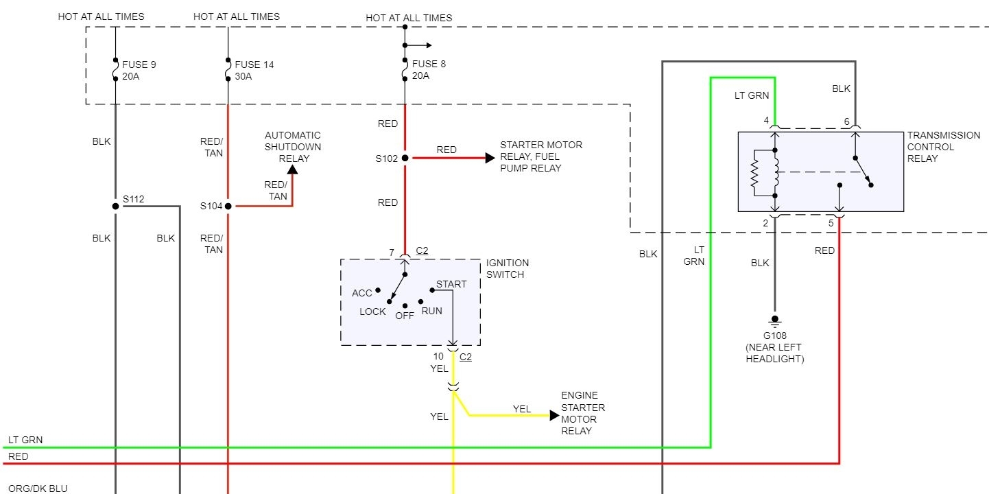
Which diagram are you looking for? The header says wipers but the code you put in is for a transmission control relay code. Also do you have an early production version with a TCM and a PCM or the later version with the PCM only? Both versions get the power for the relay contacts from fuse 9 through a black wire to pin 6 of the relay. The power for the control side differs though. On the early version it comes from pin 15 on the TCM through a light green wire to pin 4 on the relay. On the late production it comes to pin 4 of the relay on a light green wire but from pin 15 on the PCM. It also sounds more like the wire has a bad connection which would be common for Chrysler.

First two are the early production, second two are the late production.
May 25, 2021 at 4:09 PM