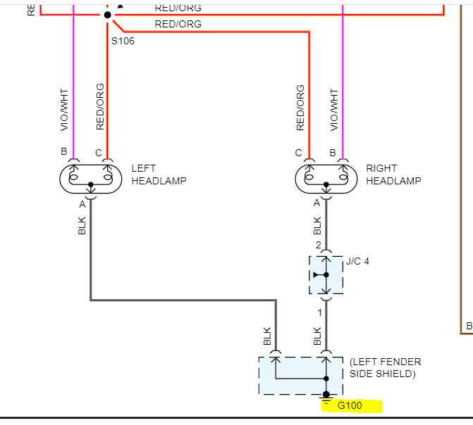
Hi, I'm thinking there's a short in the multi-function switch because a week ago the wipers started turning on and the two turn signal lights are solid and dim when the light/dimmer/cargo switch is pulled out to turn on the lights. The turn signal on the panel doesn't blink when using the signal or with the hazard switch. I checked the multi-function switch to see if the wipers were off and not on delay, they're off. A while back the battery ran down because the cargo light was left on. The battery was recharged, the terminals cleaned, and the battery reinstalled. No trouble with drained battery now that the cargo light is off. Truck can sit for a couple weeks with crank. For two weeks everything was working fine. Now when turning on light switch by the driver window vent, not the multi-function switch, power goes the wipers and turns on the signal lights. I also noted the right front headlight is dim compared to the left. No other lights are dim all the way around. Just want to know is there something else that could be causing the issue besides a shorted multi-function switch on the column. Is there a relay somewhere outside the fuse box? Of course I'll be looking at the dim headlight for broken filament and corroded socket. But just never seen a head light switch turn on wipers before. Truck has after an market alarm but again never seen an alarm system turn on the wipers, certainly not on this truck. Church pastor and I find it a bit funny, but it needs to be fixed.
May 31, 2023 at 3:25 PM
