Recently the wipers and trunk release button stopped working

2004 BUICK LESABRE
119,000 MILES • 3.8L • V6 • 2WD • AUTOMATIC
Avatar
ROBERT WARREN SARGENT
  • MEMBER
  • 1 POST
Recently the wipers and trunk release button stopped working in my car listed above Custom model. I have read other posts about wiper issues, but I have something quite different to add to my post than most.. They stopped working immediately after an Ignition Interlock "Blow-N-Go" was installed on the car a month ago. For those unfamiliar, it is an in car breathalyzer after I got my first (last) DUI, so I could keep driving. Everything worked fine on the way down, wipers worked driving there. After the install, I realized pulling out the wipers did not work, and later the trunk release. WSW fuse is fine. I took it back there, thinking a wire may have come loose. He pulled off the cover below the steering wheel, says he checked everything, and they still do not work. Unfortunately the installer is very unhelpful; even said "not our responsibility." Thanks!
Apr 24, 2018 at 12:17 PM
Advertisement
Avatar
STRAILER
  • CERTIFIED EXPERT
  • 53,854 POSTS
Hello,

We need to see if the fuse has power please check this guide to confirm.

https://www.2carpros.com/articles/how-to-use-a-test-light-circuit-tester

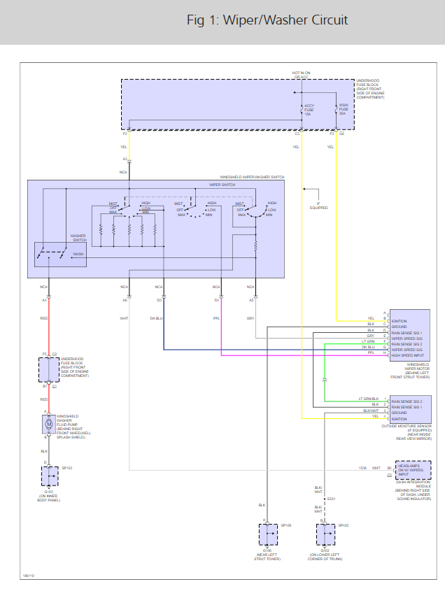
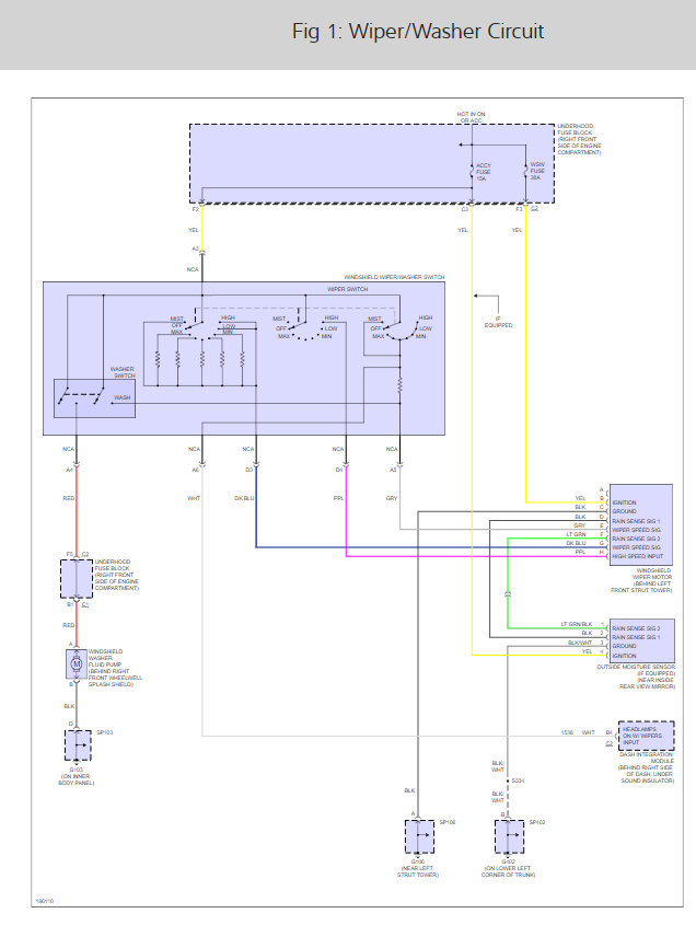
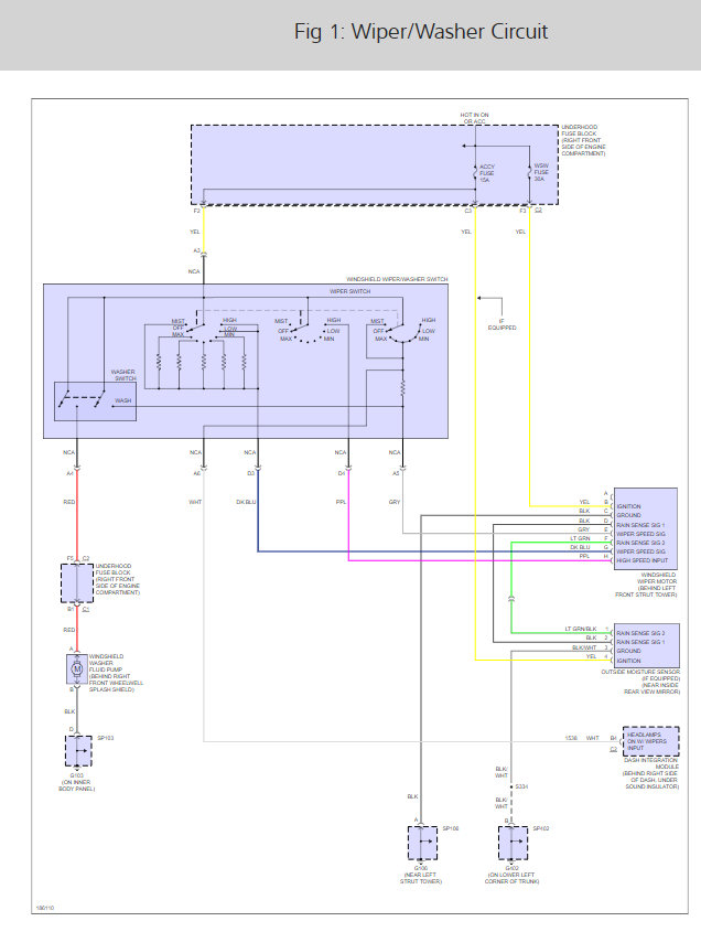
Here is a wiper wiring diagram to help you see how the system works.Check out the diagrams (below).Please let us know what happens.
Apr 26, 2018 at 4:53 PM