Hi,
Since they worn on high, then I suspect it is either related to the switch itself or more than likely the wiper control module.
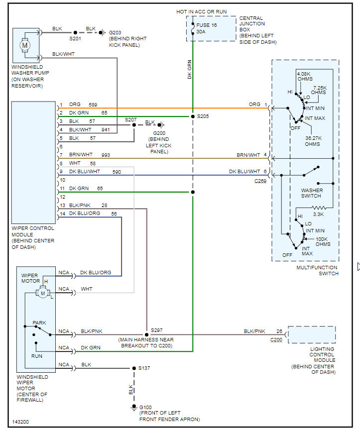
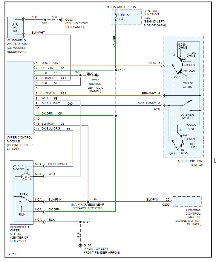
To make the determination, you need to check the switch. I attached a pic (pic 1) below showing what pins on the switch are checked using a multi meter to check ohms of resistance. In addition, the pic also shows what the resistance should be related to switch position.
If the switch checks good, suspect an issue with the wiper control module. It is located approximate center of the dash / instrument panel close to the ash tray. Pic 2 shows location.
Here are directions for removal and replacement. The remaining pics correlate with the directions.
________________________
2001 Lincoln Town Car V8-4.6L VIN W
Procedures
Vehicle Wiper and Washer Systems Wiper Control Module Service and Repair Procedures
PROCEDURES
REMOVAL
pic 3
1. Disconnect the battery ground cable.
CAUTION: Electronic modules are sensitive to static electrical charges. If exposed to these charges, damage may result.
pic 4
2. Lower the RH instrument panel insulator.
1 Remove the pushpins.
2 Lower the RH instrument panel insulator.
pic 5
3. Remove the RH instrument panel insulator.
1 Disconnect the power point electrical connector.
2 Remove the courtesy lamp from the lamp socket.
3 Remove the RH instrument panel insulator.
pic 6
4. Remove the tunnel brace trim cover.
pic 7
5. Position the instrument panel ash receptacle aside.
1 Remove the screws.
2 Position the instrument panel ash receptacle aside.
pic 8
6. Remove the instrument panel ash receptacle assembly.
1 Disconnect electrical connector.
2 Remove the instrument panel ash receptacle.
pic 9
7. Disconnect the windshield wiper control module electrical connector.
pic 10
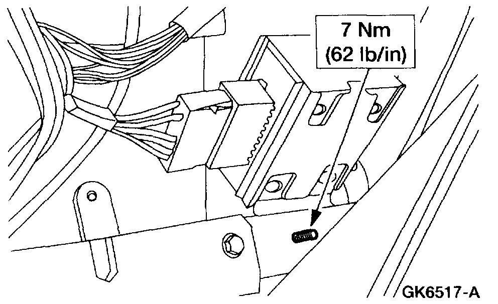
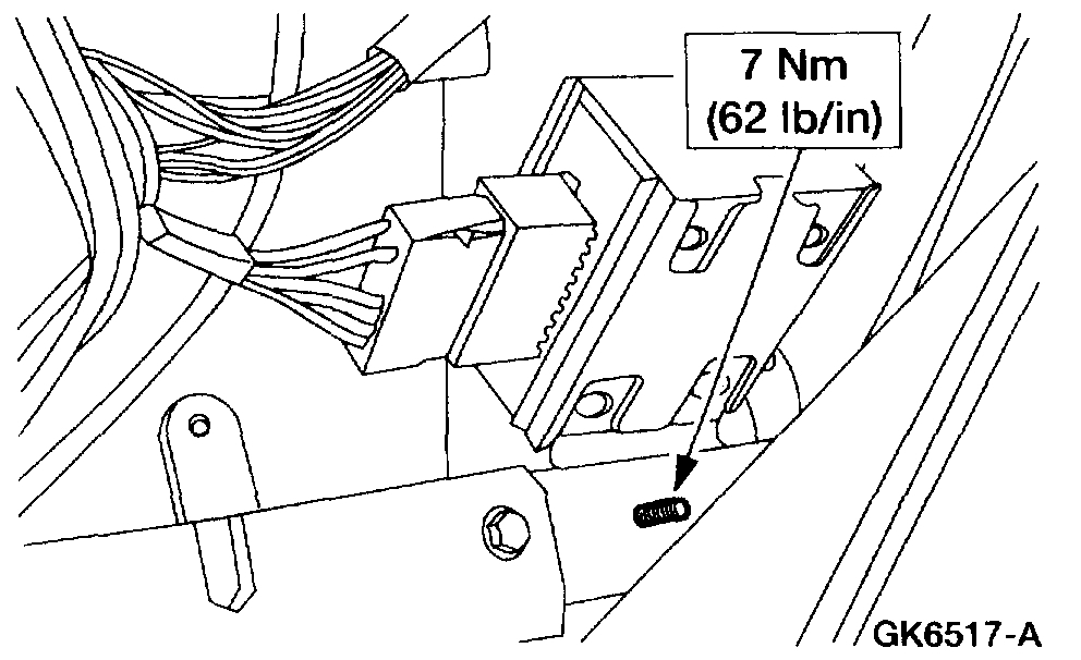
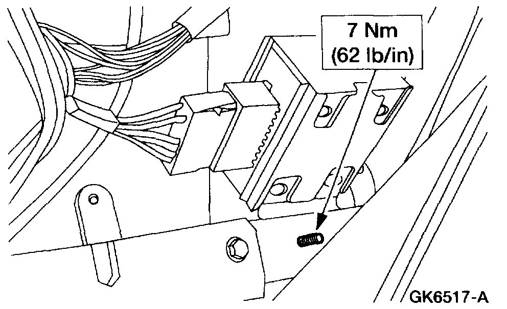
8. Remove the windshield wiper control module.
1 Remove the screw.
2 Remove the windshield wiper control module.
INSTALLATION
pic 11
pic 12
1. To install, reverse the removal procedure.
NOTE: When the battery is disconnected and reconnected, some abnormal drive symptoms may occur while the vehicle relearns its adaptive strategy. The vehicle may need to be driven 16 km (10 mi) or more to relearn the strategy.
_______________________
Let me know if this helps or if you have other questions.
Take care,
Joe
Images (Click to enlarge)
Feb 27, 2020 at 4:37 PM