Wipers only work on high setting?

2014 FORD FUSION
76,600 MILES
Avatar
MASABIN
  • MEMBER
  • 3 POSTS
I replaced the fuse and the switch. Not sure where to go from here. Am I missing something? Like maybe an intermittent relay possibly.
Apr 23, 2023 at 4:13 PM
Advertisement
Avatar
STRAILER
  • CERTIFIED EXPERT
  • 53,854 POSTS
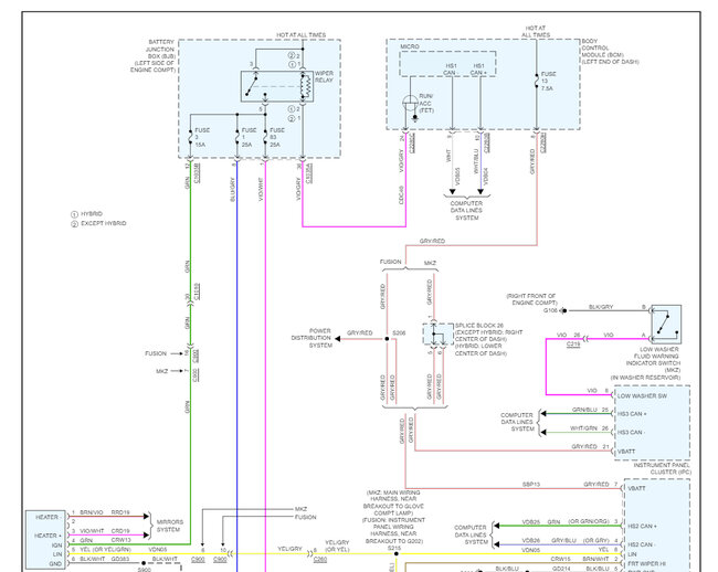
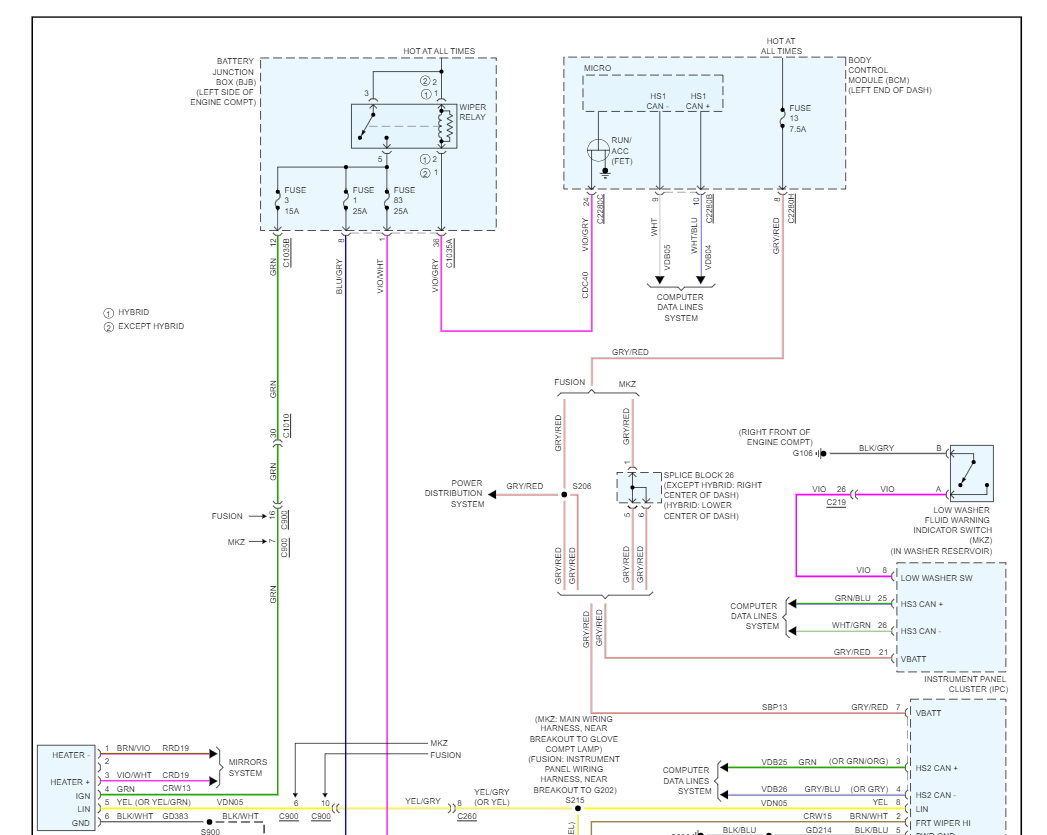
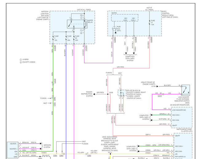
There are four fuses that run the system, please check them all here is a guide to help with the wiper wiring diagrams in the images below so you can see which fuses to test, and I have included a guide to help test for power with the system and key on.

https://www.2carpros.com/articles/how-to-check-a-car-fuse

If the fuses are okay, we need to scan the CAN, you can get a CAN scanner (Controller Area Network) which will work on most cars from Amazon.

Here is a video to show you how:

https://youtu.be/u-4syLc-ifQ

and

https://www.2carpros.com/articles/can-scan-controller-area-network-easy

You may have a BCM that is going out. Check out the images (below). Please let us know what happens.
Apr 24, 2023 at 12:57 PM
Avatar
MASABIN
  • MEMBER
  • 3 POSTS
To be honest. I don't know what a BCM is. I changed the switch and the fuses and still no change.
Apr 29, 2023 at 10:05 AM
Advertisement
Avatar
MASABIN
  • MEMBER
  • 3 POSTS
My diagram only shows 3 fuses. 2 in the fuse compartment under the hood which one is (not used). One in the bottom of the compartment, which was not easy to get to, but I managed. Not sure where the fourth one could be. My diagram behind the dash doesn't show a wiper fuse.
Apr 29, 2023 at 10:09 AM
Avatar
STRAILER
  • CERTIFIED EXPERT
  • 53,854 POSTS
The fourth fuse is on the BCM #13 - 7.5 amp. Here is the location in the images below if the fuse is okay, I believe that the left wiper motor is not working correctly. The instructions show how to replace the BCM as well. A CAN scan would help as well. You can get a preprogrammed unit by searching Google or Ebay.

Apr 30, 2023 at 10:16 AM