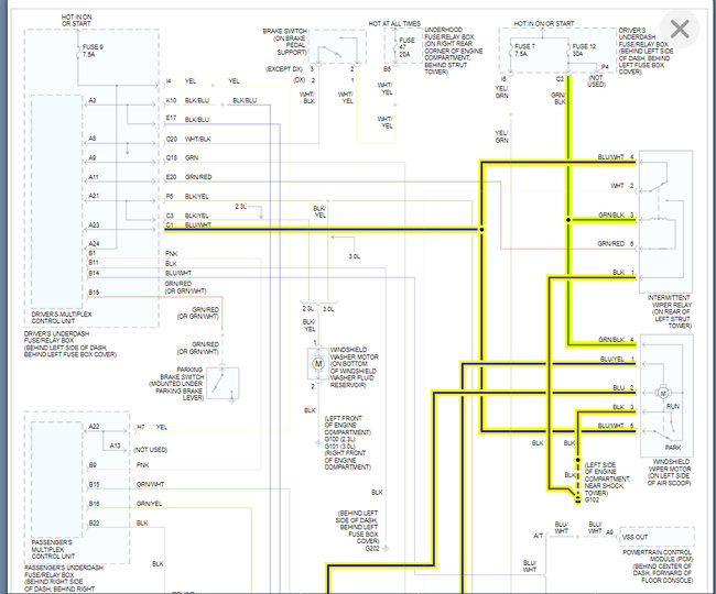
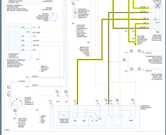
The other day my wipers got stuck in the up position. I just pushed them down and went on my way. I noticed that they only work in the mist mode, and even that isn't working correctly. Usually I just have to press it once for it to make 1 full wipe of the windshield. Now if I let go it will stop wherever they are at the time so I have to catch them when they're down. But the slow or fast speed isn't working at all.
Jul 28, 2021 at 4:39 PM







