Wipers go down and start up instead of going across the wind shield

1996 SATURN SC2
187,000 MILES • 1.9L • 4 CYL • 2WD • AUTOMATIC
Avatar
WARREN SMITH2
  • MEMBER
  • 1 POST
When I turn on the wipers, they go down and jam on the cowling. i tried to readjust the wipers at the arms and that doesn't work. I reset the wiper arm at the motor so it was at the lowest setting. That did not work either. i replaced the wiper motor several months ago because the old one would not shut off. I need to know exactly the arm on the motor should be positioned. Also, do you know any other reason the wipers would go down on start up?
May 22, 2020 at 1:40 PM
Advertisement
Avatar
JACOBANDNICKOLAS
  • CERTIFIED EXPERT
  • 110,175 POSTS
Hi,

Here are the directions specific to your vehicle. I noted that the wiper motor crank arm need positioned at 9 o'clock when installed. Take a look through these and let me know if they help. The attached pics correlate with the directions.

_____________________________

1996 Saturn SC2 L4-1.9L DOHC VIN 7
Procedures
Vehicle Wiper and Washer Systems Wiper Motor Service and Repair Procedures
PROCEDURES
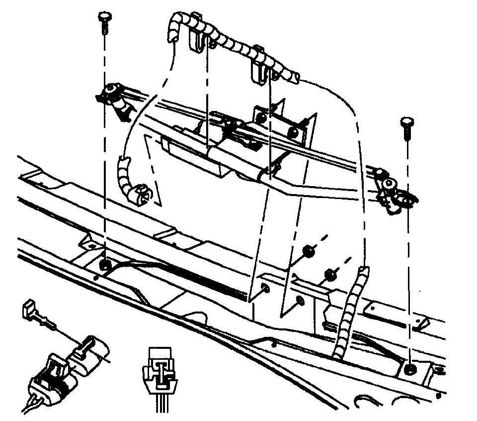
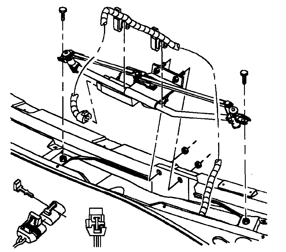
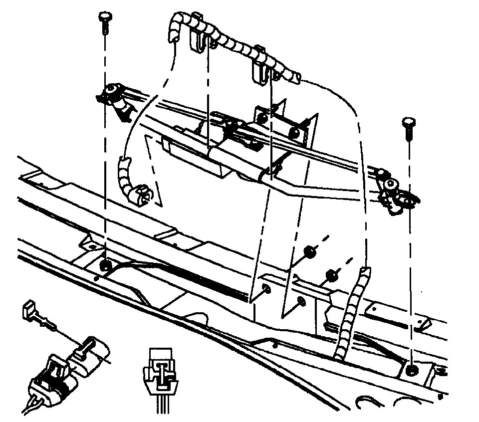
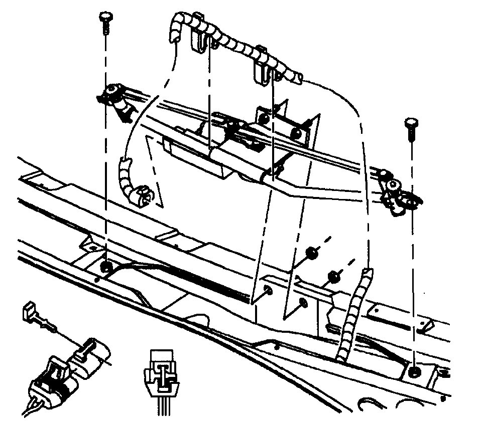
Wiper Module And Motor Assembly

Removal

1. Remove wiper arm finish cap and wiper arm fastener. Lift wiper blade assembly away from windshield and remove wiper arm from pivot.

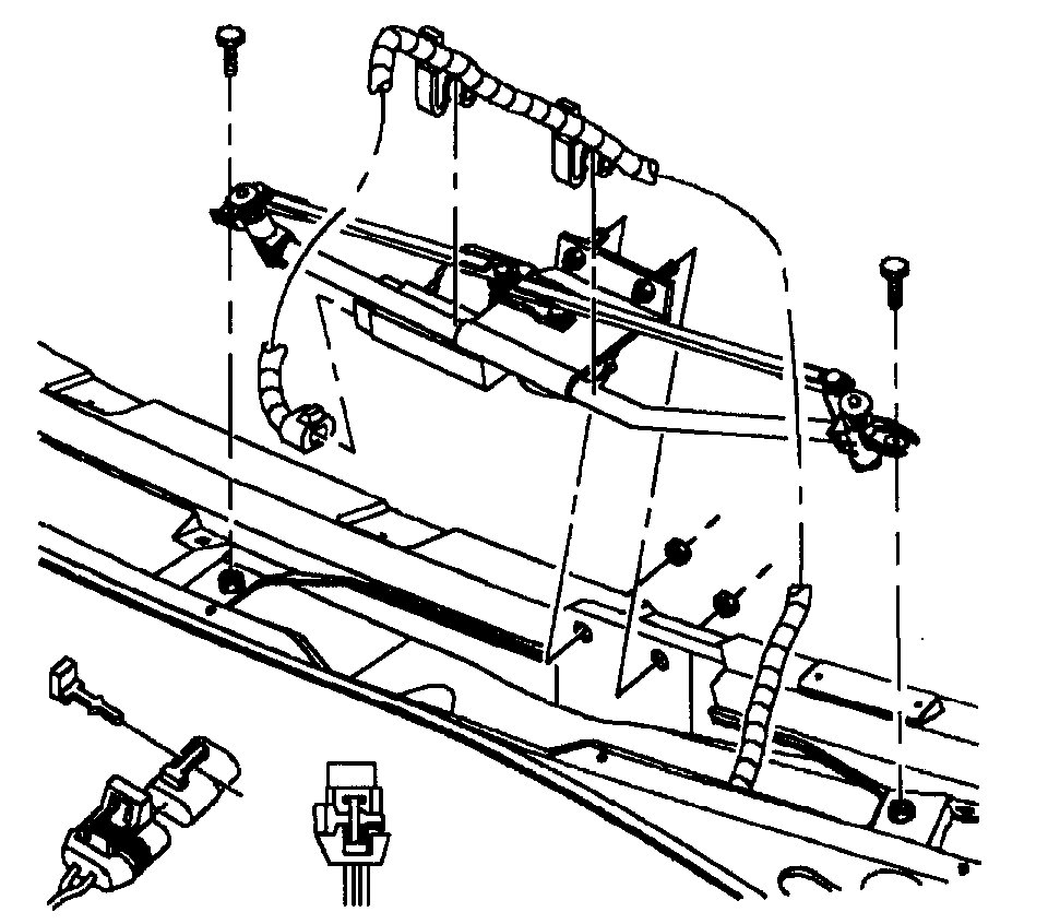
Fig. 5 Windshield Cowl Trim Panel Removal
pic 1



2. Remove fasteners at windshield edge of cowl trim panel. Open hood and remove remaining cowl trim panel fasteners, and remove cowl trim panel after disconnecting washer hose.
3. Disconnect windshield washer hose.

Important: Exercise care when removing instrument panel top cover to keep from scratching windshield garnish moldings.


pic 2



4. Remove upper trim panel extensions by carefully lifting up at clip locations, starting at the rear above end cap.


pic 3



5. Remove upper trim panel screw caps by carefully prying up with a small screwdriver.
6. Remove upper trim panel screws.
7. Lift upper trim panel at clip locations on rear edge to disengage clips.


pic 4



8. Pull panel rearward out of clips at bottom of windshield.
9. Remove upper trim panel.


pic 5



10. Remove upper trim panel insulator.


pic 6

11. Loosen A/C defroster duct and move to the right to expose wiper module fasteners.



Note: Use care when removing wiper module from cowl to avoid pivots contacting windshield


pic 7



12. Remove wiper module fasteners, partially remove wiper module and disconnect wiring from motor and module frame. Remove wiper module.


pic 8



13. Remove crank arm nut and disconnect crank arm from motor shaft.
14. Remove wiper motor fasteners and remove wiper motor from wiper module.


Installation

Important: If installing new wiper motor, remove wiper motor crank arm from new wiper motor assembly and discard.

1. Connect wiring to new wiper motor and turn wiper control on momentarily. Once wiper control is turned off, wiper motor will be in the PARK position.
2. Install wiper motor onto wiper module.

Torque: 10 Nm (89 in-lbs)


pic 9



3. Position wiper motor crank arm at 9 o'clock position, and install on wiper motor shaft.
4. Apply Loctite 242 (or equivalent) to wiper crank arm attaching nut and install.

Torque: 28 Nm (21 ft-lbs)


pic 10



5. Partially install wiper module assembly, connect wiring to wiper motor and to module frame.
6. Install wiper module assembly.

Torque: 10 Nm (89 in-lbs)

7. Turn wiper switch ON momentarily. Once wiper switch is turned Off, wiper mechanism should be in PARK position with wiper motor crank arm in 9 o'clock position.
8. Connect washer hose to washer nozzle.

Fig. 5 Windshield Cowl Trim Panel Removal
pic 11



9. Install cowl trim panel.

Note: Use new nuts. Torque retention of old nuts may not be sufficient.

10. Install wiper arms and fasteners.

Torque: 28 Nm (21 ft-lbs)


pic 12



11. Install A/C defroster duct assembly.


pic 13



12. Install upper trim panel insulator.

Important: Make sure to tuck in all flaps.


pic 14



13. Install upper trim panel into clips at base of windshield.
14. Lower panel and push down at clip locations to secure.


pic 15



15. Install and tighten screws.
16. Install screw caps.


pic 16

22


17. Install upper trim panel extensions by pushing down at clip and dual-lock locations.
18. Enable the SIR System.

________________________

Let me know if that helps.

Joe
May 22, 2020 at 6:24 PM
Avatar
KASEKENNY
  • CERTIFIED EXPERT
  • 18,907 POSTS
Can you get a video of what this is doing? I am pretty sure I understand the issue but I want to be sure.

If I understand and you have remove the wiper arms, turned the wiper motor on and then off to park the motor and then install the arms in the proper parked position. If this did not work then I suspect the wiper arms or the mounting location is striped causing the arms to get out of adjustment as soon as they are turned on.

Let's get a video and we can go from there. Thanks
May 22, 2020 at 6:26 PM
Advertisement