Wipers, door locks, trunk latch are not working

2012 FORD FIESTA
125,000 MILES
Avatar
MEL TOULOUSE LAAKE
  • MEMBER
  • 2 POSTS
Wipers and power door locks don't work, trunk latch keeps opening. Replaced wiper motor, relay and switch. Worked for a few days then quit. Fuses are all good.
Mar 13, 2021 at 7:21 PM
Advertisement
Avatar
AL514
  • CERTIFIED EXPERT
  • 5,465 POSTS
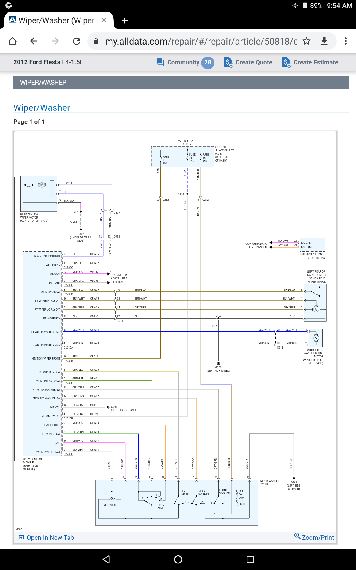
Hello, sorry to hear of your troubles there. It can be very frustrating. Has the check engine light been on at any point? I came across some information that may be helpful. The first is this technical service bulletin about the body control module not being programmed properly from the manufacturer. This definitely seems to be a body control module issue. I'm adding some wiring diagrams in to show you how the issues you're having interact with the body control module (BCM). As you can see by the diagrams, everything you're mentioning is controlled by the BCM. It could have a bad ground wire, a faulty input, a bad power feed, or the module itself could just be failing. I'm not sure how long you've had these issues, but it definitely sounds like the BCM is involved in some way.
To add a couple things, do you know if this vehicle is equipped with any remote options? I'm posting what this system does as well. It's the bottom picture. I don't think this is related to the wiper motor system, but all these modules communicate on a CANbus communications network. That's why so many different options are being effected at once. Take a good look around the engine compartment and check that there's no broken or loose wires, especially near the battery. But this is something the dealership should have been able to fix. I can give you some direction in checking the voltage on the CANbus system, but it sounds like a module is failing.

https://www.2carpros.com/articles/can-scan-controller-area-network-easy

https://www.2carpros.com/articles/how-to-replace-a-bcm-body-control-module
Mar 14, 2021 at 9:15 AM
Avatar
MEL TOULOUSE LAAKE
  • MEMBER
  • 2 POSTS
Thank you so much for your reply. Yes, the check engine light has been on for a long time. This car is a manual basic model with no remote options, not even power windows. But it does have power door locks. I am excited to have a possible answer to how these issues are all connected.
Mar 14, 2021 at 9:55 AM
Advertisement
Avatar
AL514
  • CERTIFIED EXPERT
  • 5,465 POSTS
If the check engine light is on then a diagnostic trouble code is saved in one of the modules, the dealership didn't tell you what the code is?
Mar 14, 2021 at 10:03 AM