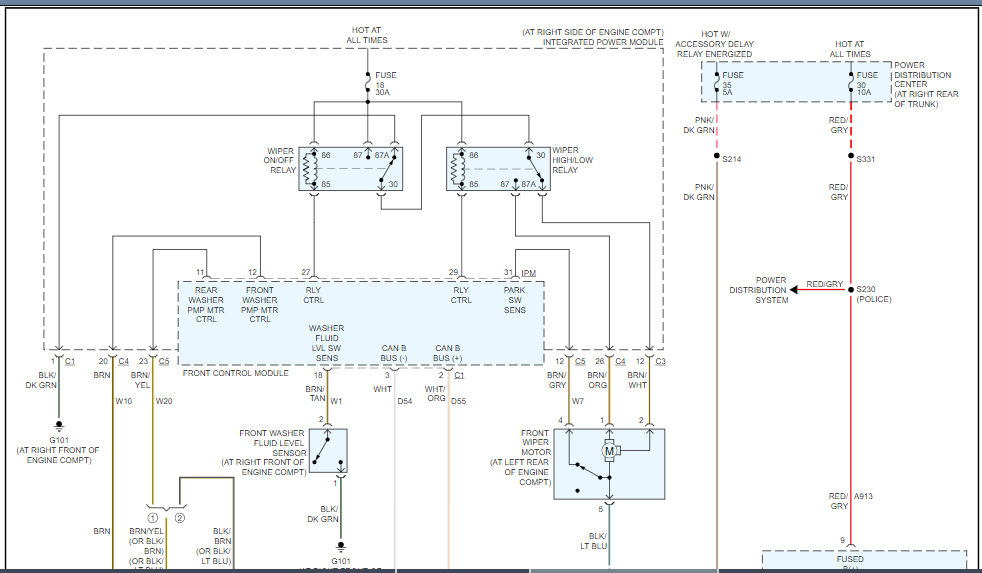
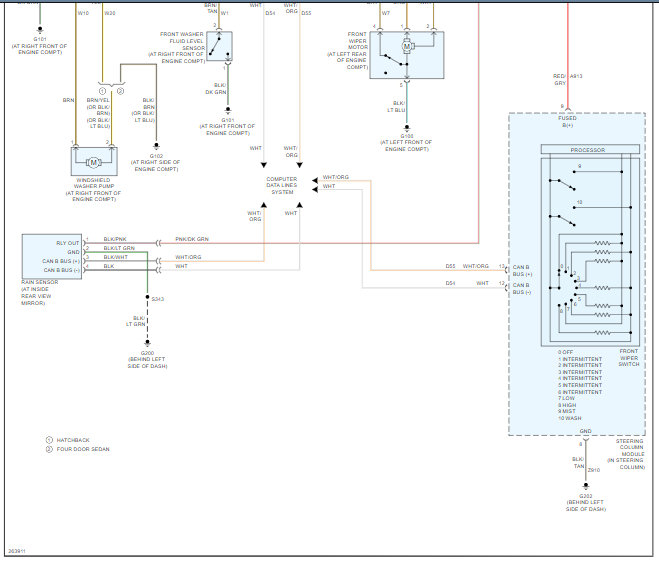
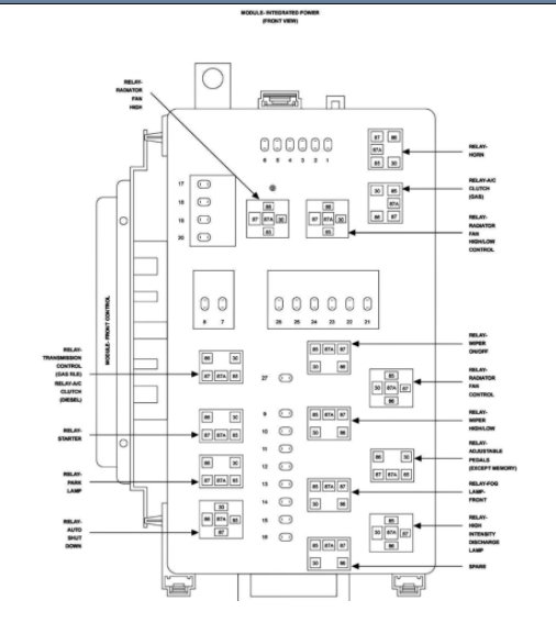
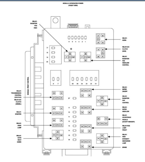
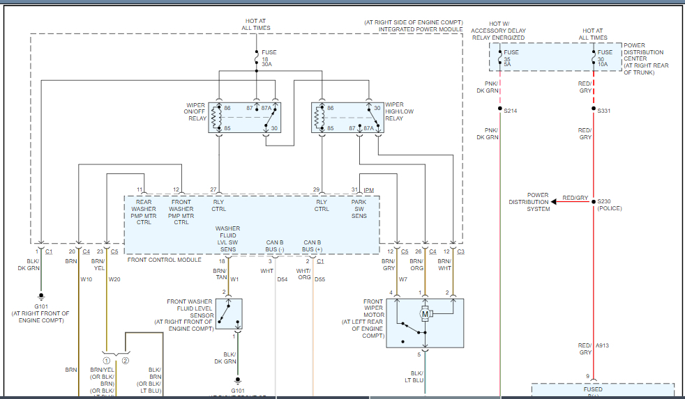
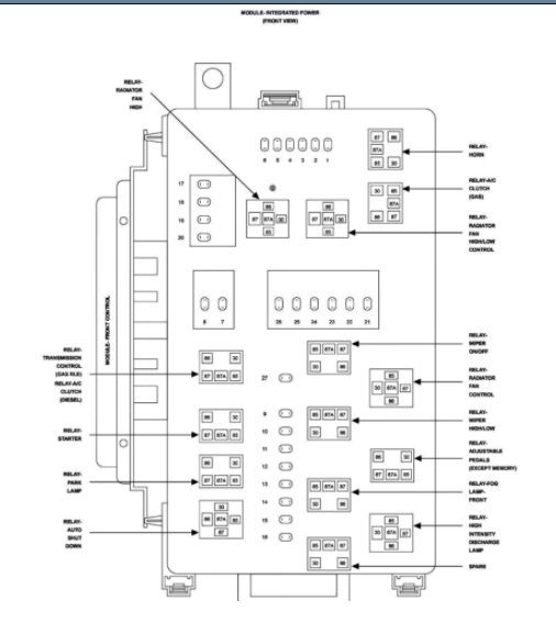
I hit the bottom of the car on a speed bump and the wipers came on unexpectedly without me turning them on. I have tried turning off the car, but they still stay on. Do I need to take out the fuse to get them to turn off?
May 18, 2016 at 10:06 AM





