☰
Login
Join
×
Home
Answered Questions
Repair Topics
Repair & Service Guides
Popular Questions
Warning Lights
Trouble Codes
How It Works
Testing / Diagnostics
Symptoms
Videos
Login
Become a Member
Home
Ford
Ranger
Body
Wiper
Stay On
Wipers
1995 FORD RANGER
230,000 MILES • 2.3L • 4 CYL • RWD • MANUAL
JAMES DICKSEY
MEMBER
1 POST
FOLLOW
Wipers work when engine is turned not completely off. But will not or sometime works when engine is running.
Jul 20, 2017 at 8:57 PM
Advertisement
STRAILER
CERTIFIED EXPERT
53,855 POSTS
Hello,
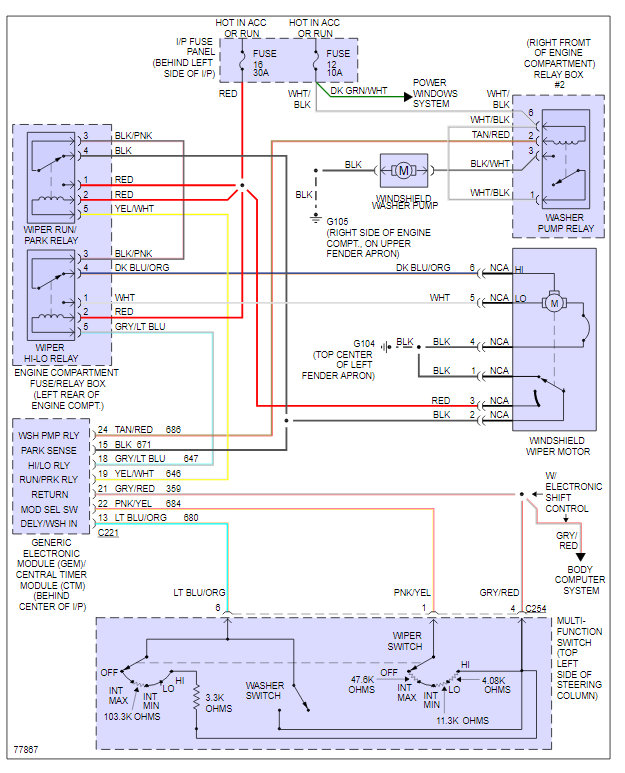
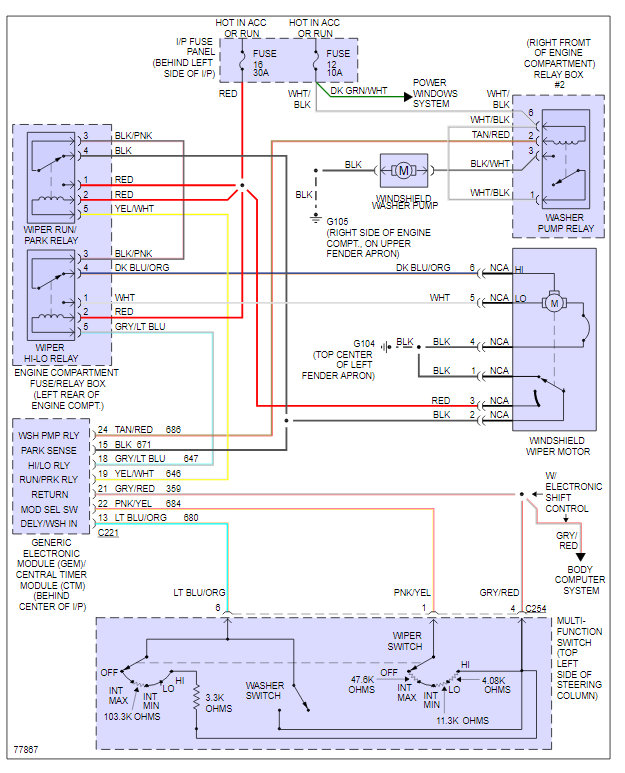
It sounds like you have a GEM going out (generic electronic module). Here is a wiring diagram and location (below) and some guides so you can confirm.
https://www.2carpros.com/articles/how-to-use-a-test-light-circuit-tester
and
https://www.2carpros.com/articles/how-to-check-wiring
Please let us know what happens.
Cheers, Ken
Images (Click to enlarge)
Jul 21, 2017 at 11:56 AM