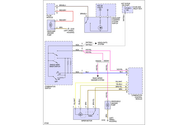
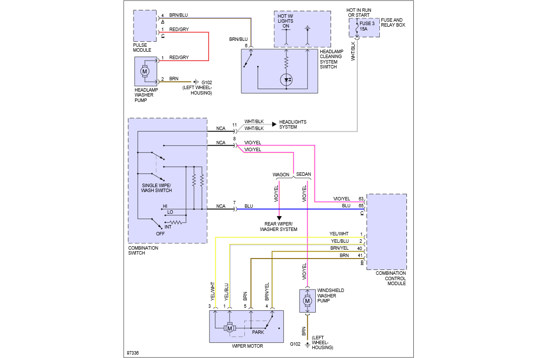
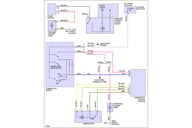
Looks like the wiper combination switch is bad. It sends power to the combination control module, then to the wiper motor. So to put it simple, the switch that you use to turn the wipers on and off is bad, sending power constantly. Here is a diagram of the wiper switch.
Sep 24, 2016 at 10:58 PM