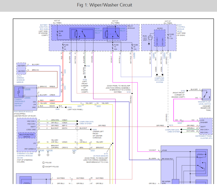
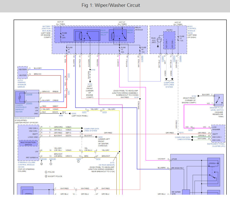
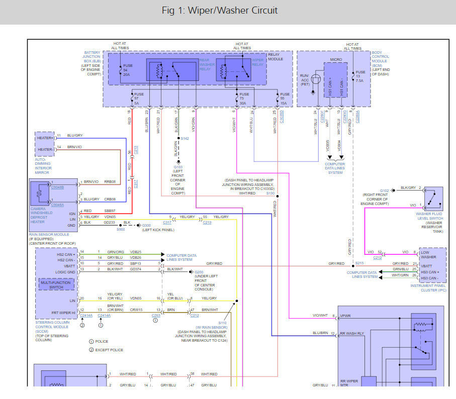
There are five fuses that run the system I would check those first (94, 95, 96, 37 and 13 on the inside fuse panel), here is a guide to help and the fuse locations, I have also included the wiper wiring diagrams so you can see how the system works.
https://www.2carpros.com/articles/how-to-check-a-car-fuse
If the fuses check out, I would do a CAN scan which is the future of automotive repair, you can get a CAN scanner from Amazon for about $30.00. here is a video to show you how and a link to a scanner from Amazon:
https://youtu.be/u-4syLc-ifQ
and
https://amzn.to/3OpAotj for the scanner
This guide can help:
https://www.2carpros.com/articles/can-scan-controller-area-network-easy
Check out the diagrams (below). Let us know what happens and please upload pictures or videos of the problem.
Images (Click to enlarge)
Jul 5, 2022 at 5:10 PM