Wiper motor not working?

2020 CHEVROLET 1500
38,000 MILES • 3.0L • 6 CYL • 4WD • AUTOMATIC
Avatar
DREWHA23
  • MEMBER
  • 3 POSTS
The wiper motor is not running. I have replaced the motor, checked fuses, switch seems to be working when checking for power at the wiper motor plug.
Sep 15, 2023 at 12:05 PM
Advertisement
Avatar
JACOBANDNICKOLAS
  • CERTIFIED EXPERT
  • 110,175 POSTS
Hi,

If I understand correctly, you are getting power to the motor, but it won't run. Is that correct? If so, either we have a faulty ground or the motor is no good. However, I realize you have replaced it already.

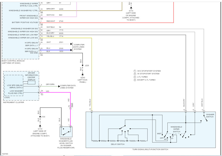
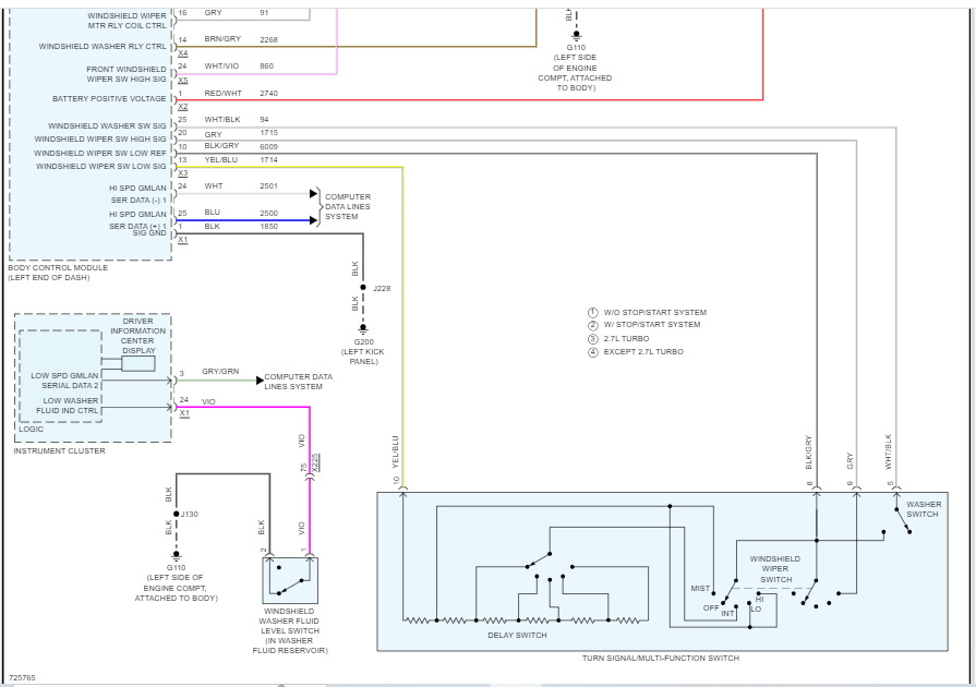
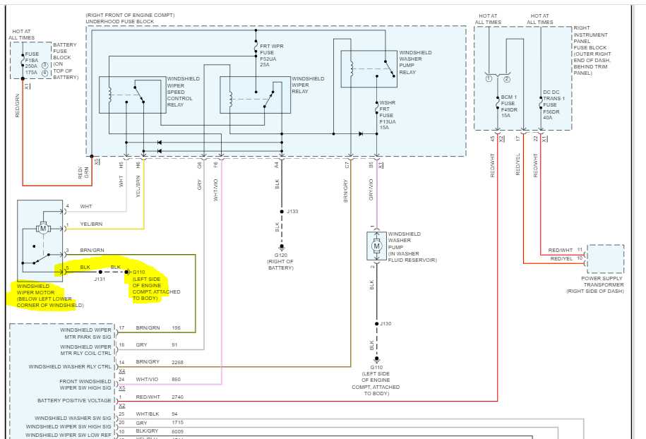
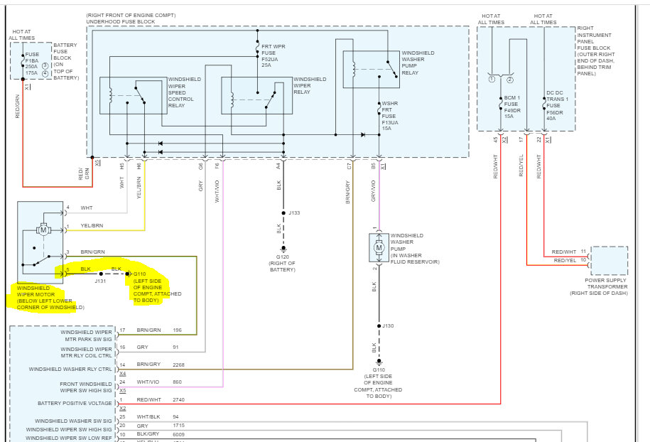
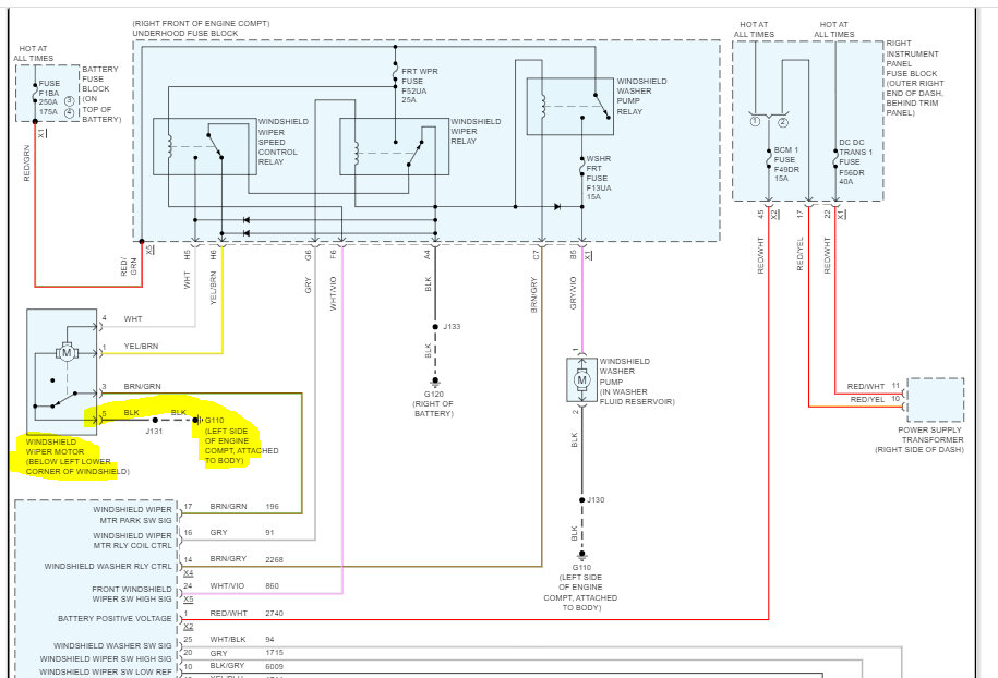
If you look below, I attached the wiring schematic for the circuit so that you have a reference. I highlighted the ground for the wiper motor. The ground, G110, is attached to the body of the vehicle on the driver's side of the engine compartment. See pic 3

If you disconnect the connector at the motor, check to see if there is continuity to ground via the black wire.

Let me know.

Take care,

Joe

See pics below.

Sep 15, 2023 at 9:33 PM
Avatar
DREWHA23
  • MEMBER
  • 3 POSTS
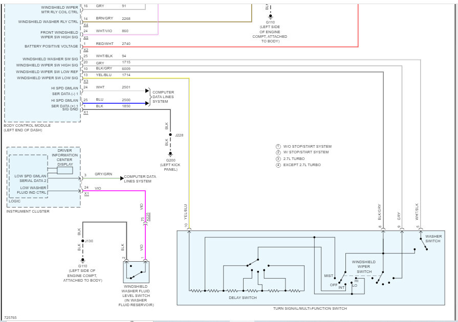
So the ground is good. I did notice that I always have 12 VDC on the brown green park wire, even with the vehicle off.
Sep 16, 2023 at 2:11 PM
Advertisement
Avatar
JACOBANDNICKOLAS
  • CERTIFIED EXPERT
  • 110,175 POSTS
Hi,

That shouldn't be. Do me a favor. Disconnect the wiper motor and check to see if there is power via the brown/green wire you mentioned. You shouldn't be getting power from the body control module. It provides a ground path.

Let me know.

Joe
Sep 16, 2023 at 10:08 PM
Avatar
DREWHA23
  • MEMBER
  • 3 POSTS
That wire is where I have a constant 12vdc no matter what.
Sep 17, 2023 at 12:17 AM
Avatar
JACOBANDNICKOLAS
  • CERTIFIED EXPERT
  • 110,175 POSTS
Hi,

Okay, either we have a short at the BCM or between the BCM and the wiper motor. If you disconnect the BCM, make sure the connector pins are in good condition and not bent, damaged, or broken. Next, with it disconnected from the BCM, check the wire at the motor to see if there is still power. If there is, we have a short between the two components. If there isn't, check if there is power at the correlating pin on the BCM.

If there is power at the BCM, it is shorted internally and will likely need to be replaced. The only other thing you can check is if the wiper speed relay or the wiper relay has failed and sending constant power.

Let me know what you find.

Joe
Sep 17, 2023 at 1:18 PM