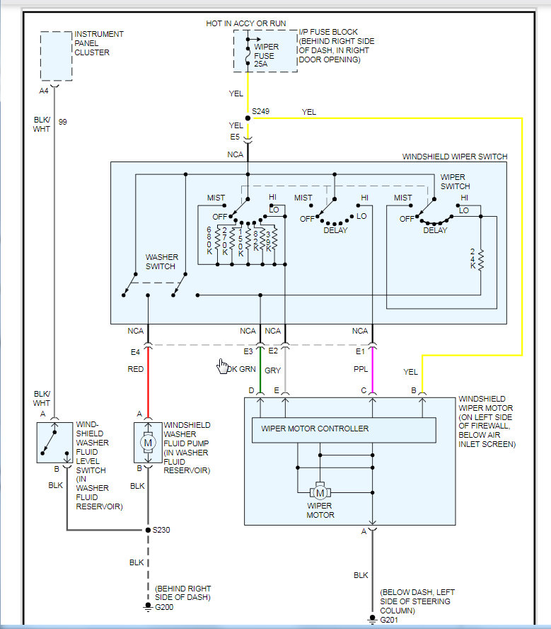
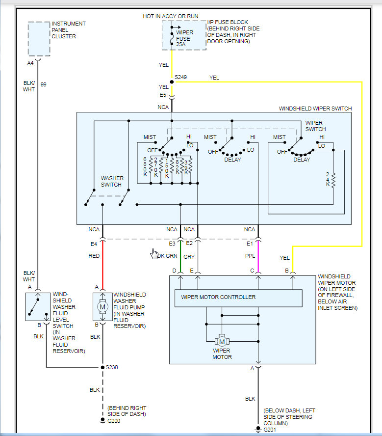
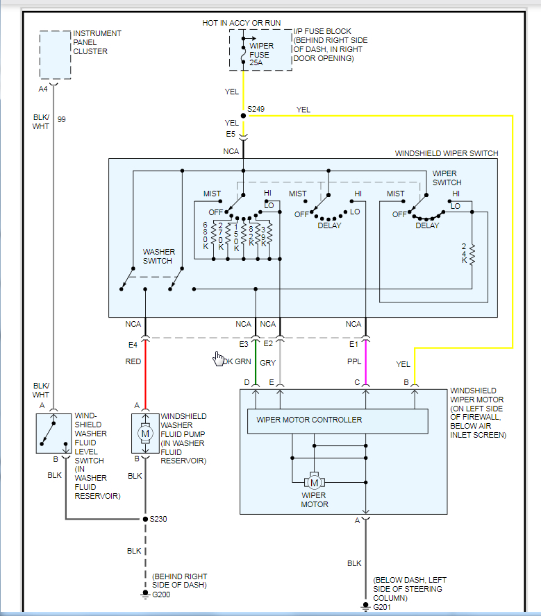
What can cause windshield wiper motor to keep going out? My Mom's wipers work for awhile then only one will work before stopping altogether. Within 2 years we have had to replace the wiper motor 6 times.
Jan 28, 2021 at 8:53 PM







