Wiper arm not working properly

1996 HONDA CIVIC
210,000 MILES • 1.6L • 4 CYL • 2WD • MANUAL
Avatar
JORDANNGIAU
  • MEMBER
  • 34 POSTS
Wiper arm does not return to rest position, just stops at random places whenever it is switched off.

and also the intermittent switch does not work, only speed 1 and 2 works for the wiper.
Dec 20, 2020 at 2:59 AM
Advertisement
Avatar
ASEMASTER6371
  • CERTIFIED EXPERT
  • 52,796 POSTS
Good morning,

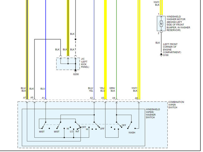
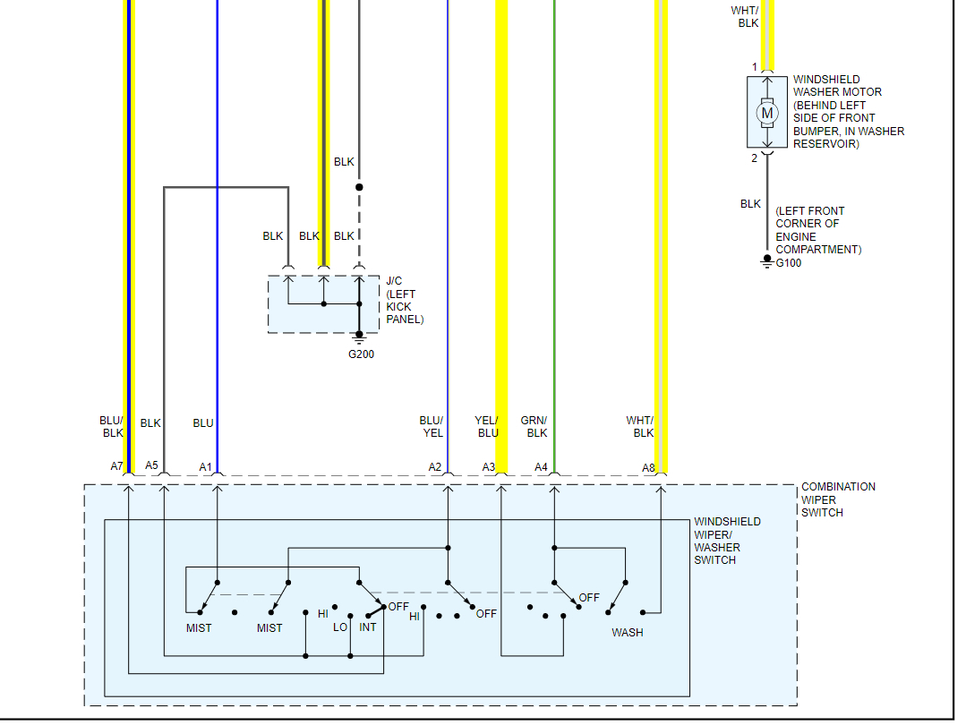
The wipers are controlled by the processor that is located in the under dash fuse panel.

I attached a wiring diagram for you to view. We need to do some tests to determine the actual issue.

https://www.2carpros.com/articles/how-to-check-wiring

https://www.2carpros.com/articles/how-to-check-an-electrical-relay-and-wiring-control-circuit

Roy
Dec 20, 2020 at 5:07 AM
Avatar
JORDANNGIAU
  • MEMBER
  • 34 POSTS
Well, i tried checking for continuity on all the fuses and they seemed fine.

I replaced the relay in the ICU.
I also hear and feel and click when i turn the switch to intermittent.

And i even went to the wreckers to try on a new used motor and it was still not working.

Issue:
-Wiper does not return to park position at the bottom.
-Intermittent switch still does not work.
Dec 24, 2020 at 2:11 AM
Advertisement
Avatar
ASEMASTER6371
  • CERTIFIED EXPERT
  • 52,796 POSTS
This sounds like the control unit is the issue. The fuse block will have to be replaced.

Roy
Dec 24, 2020 at 3:55 AM
Avatar
JORDANNGIAU
  • MEMBER
  • 34 POSTS
Just out of curiosity, how does the fuse block relates to my problem?

And you mentioned control unit as in the ECU? or the ICU?
Dec 24, 2020 at 3:58 AM
Avatar
ASEMASTER6371
  • CERTIFIED EXPERT
  • 52,796 POSTS
If you looked at the diagram I posted, the processor for the wiper control is part of the under dash fuse block. It is not serviceable and is built into the fuse block itself.

Roy
Dec 24, 2020 at 4:10 AM
Avatar
JORDANNGIAU
  • MEMBER
  • 34 POSTS
Hey there, after further testing and investigation.

I found out that the relay in the ICU only clicks sometimes, not all the time when i switch to INT on the wiper switch.

Which leaves me to think the ICU is the problem

And also when i took apart the ICU. Theres seems to be only 4 connections on the ICU itself but there are multiple connections on the fuse block itself where the ICU plugs in to. Is this normal? Are the rest of the prongs useless or do i have an ICU not meant for this car?

Dec 24, 2020 at 10:33 PM
Avatar
ASEMASTER6371
  • CERTIFIED EXPERT
  • 52,796 POSTS
You can try the ICU. The connections not used are okay, as that may been used in other models.

Roy
Dec 25, 2020 at 3:50 AM
Avatar
JORDANNGIAU
  • MEMBER
  • 34 POSTS
Finally fixed the problem, as i troubleshoot everything else including the wiper motor, switch and wiring.

Everything seems fine which leads me back to the ICU

I tested the ICU again and it only clicks occasionally.

So i took the ICU apart and resoldered every connection on the circuit board itself and it fixed the problem.

There should be a loose connection on one of the solder which explains the relay working occasionally.

Thanks alot for your diagram as that helped me alot in troubleshooting and minimizing the problem.
Dec 25, 2020 at 5:46 AM
Avatar
ASEMASTER6371
  • CERTIFIED EXPERT
  • 52,796 POSTS
You are welcome.

Always glad to help.

Roy
Dec 25, 2020 at 8:09 AM