Wiper and horn failure

2005 CHRYSLER 300
140,000 MILES • 5.7L • V8 • 2WD • AUTOMATIC
Avatar
DAVID BUSINELLI
  • MEMBER
  • 1 POST
In a driving rain the horn started blaring on its own and the wipers failed simultaneously. After five minutes the horn stopped and now does not work and neither do the wipers.
Apr 28, 2019 at 9:19 AM
Advertisement
Avatar
KASEKENNY
  • CERTIFIED EXPERT
  • 18,907 POSTS
Hi David,

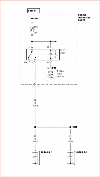
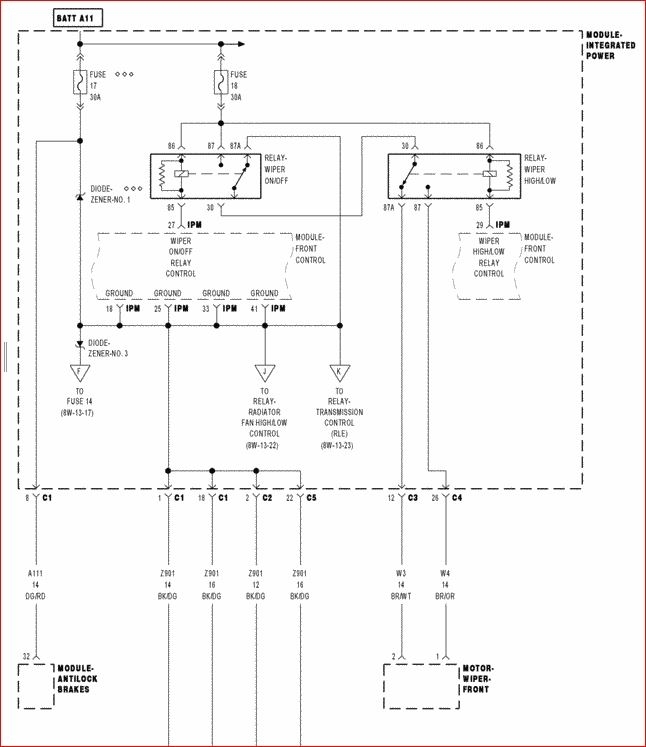
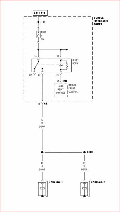
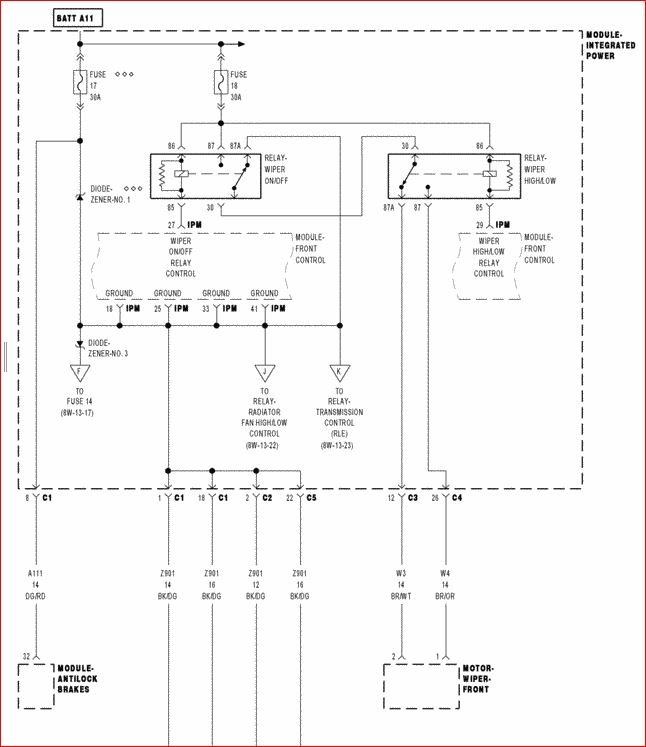
These vehicles have most all the electronics get their power from what is called the integrated power module or IPM. Basically, this is a fuse box and a control module combined into one part.

The fact that this happened in a driving rain, it sounds like you have water intrusion in the IPM itself or the wiring harnesses that come out of the bottom of it.

The fact that you said the horn and wipers don't work, you will see there is not much to these circuits once you get out of the IPM.

I included a picture of where the IPM is located if you would like to inspect it for water intrusion.

Let me know what you find and we can go from there. Thanks
Apr 28, 2019 at 2:37 PM