ignition switch replacement instructions please?

2008 CHEVROLET BLAZER
67,000 MILES • 4.2L • 6 CYL • 4WD • AUTOMATIC
Avatar
HOGAN153
  • MEMBER
  • 1 POST
All dash light come on. The car will not crank. Code is P-1682 ignition switch. How do I jump switch to see if it is the switch? What colors? Also circuit two, where is this?
Jun 1, 2018 at 3:19 PM
Advertisement
Avatar
STRAILER
  • CERTIFIED EXPERT
  • 53,854 POSTS
Hello,

Yes, that code is an ignition switch problem. Here is the wiring diagrams and how you can change the switch out so you can fix the problem.

Check out the diagrams (below). Let us know what happens and please upload pictures or videos of the problem.

Cheers, Ken
Jun 3, 2018 at 11:53 AM
Avatar
DUMP_GUY
  • MEMBER
  • 3 POSTS
Good day. I am having to shake my key to the extreme when starting my vehicle. My first thought... new key or tumblers re-done. Now ,when vehicle is hot, my key won't turn back completely to come out of ignition past access. position. When vehicle sits for a few hours, key comes out fine. Got a new key cut on suggestion of 1 mechanic. Seems to have helped some but was told by Chev. parts guy that I need a new "BTS or BST Solenoid"?? $400+ for part & $300+ for labor. First mechanic told me he probably cut me a bad key. Sounds fishy... They used my key code to cut factory original. Any thoughts???
Feb 1, 2021 at 10:40 AM (Merged)
Advertisement
Avatar
BUDDYCRAIGG
  • CERTIFIED EXPERT
  • 2,262 POSTS
You might try lubricating it but it probably needs replacement, you will need to go to the dealer for the new unit because they can code it for you before installation. Here are the instructions to install the new key lock tumbler. Check out the diagrams (Below). Please let us know what happens.
Feb 1, 2021 at 10:40 AM (Merged)
Avatar
LAWLESSWATSON7
  • MEMBER
  • 2 POSTS
Electrical problem
2001 Chevy Blazer Four Wheel Drive Automatic
----------------------------------------------------------------
When I put the key into the ignition it will not turn. I can start the vehicle using the remote starter. However, the key will not turn, the steering wheel is locked, the gearshift leaver won't move, this all happened suddenly, and I'm going crazy!!!!@#$%^&!
Feb 1, 2021 at 10:41 AM (Merged)
Avatar
OBXAUTOMEDIC
  • CERTIFIED EXPERT
  • 3,711 POSTS
[quote:339a69b04e="lawlesswatson7"]Electrical problem
2001 Chevy Blazer Four Wheel Drive Automatic
----------------------------------------------------------------
When I put the key into the ignition it will not turn. I can start the vehicle using the remote starter. However, the key will not turn, the steering wheel is locked, the gearshift leaver won't move, this all happened suddenly, and I'm going crazy!!!!@#$%^&![/quote:339a69b04e]

Hello,

Have you tried turning the Steering Wheel to one side and then the other?

Did you try your other key?

If your other key works then the Security Chip in your most used key has gone bad and you may be able to get it reprogrammed.

If neither key works the most like your Lock Cylinder went bad or the Ignition Switch.
Feb 1, 2021 at 10:41 AM (Merged)
Avatar
DDMMAY
  • MEMBER
  • 1 POST
how do i replace an ignition switch?the key wont turn.
Feb 1, 2021 at 10:41 AM (Merged)
Avatar
BLUELIGHTNIN6
  • CERTIFIED EXPERT
  • 16,542 POSTS
check out these hints on this common topic before spending money on new ignition lock cylinder..


https://www.2carpros.com/first_things/why_wont_my_ignition_switch_turn.htm
Feb 1, 2021 at 10:41 AM (Merged)
Avatar
FLUFFY57
  • MEMBER
  • 1 POST
bought car drove home turned it off, and the key would not come out and now it wont turn at all. Can I fix it?
Feb 1, 2021 at 10:41 AM (Merged)
Avatar
CJ MEDEVAC
  • CERTIFIED EXPERT
  • 11,004 POSTS
Yes this is common when the ignition switch key tumbler needs to be replaced. Here are the instructions to do so. Check out the diagrams (Below). Please let us know what happens.
Feb 1, 2021 at 10:41 AM (Merged)
Avatar
97CHEVYBLAZER
  • MEMBER
  • 1 POST
is there a way i can unlock the ignition and steering wheel on a blazer, i tried wiggling the steering wheel and wd-40 and it is still locked
Feb 1, 2021 at 10:41 AM (Merged)
Avatar
BLUELIGHTNIN6
  • CERTIFIED EXPERT
  • 16,542 POSTS
Hello,

It sounds like the tumbler is locked here are diagrams to show you how to change the ignition switch out. Check out the diagrams (Below) Please let us know if you need anything else to get the problem fixed.

Feb 1, 2021 at 10:41 AM (Merged)
Avatar
JMARCHAND
  • MEMBER
  • 1 POST
I am trying to replace the starter ignition switch. I have the bottom section of the dashboard of and all of the shrouds. I the ignition starter switch from the firewall area. How do I go about removing the ignition switch from the steering column?
Feb 1, 2021 at 10:42 AM (Merged)
Avatar
BLUELIGHTNIN6
  • CERTIFIED EXPERT
  • 16,542 POSTS
Remove the column shroud halves.
Remove the column-to-dash attaching bolts and slowly lower the steering column, making sure that it is supported.
Remove the multi function switch if necessary.
Remove the key alarm switch, if equipped by gently prying the alarm switch retaining clip with a small screwdriver. Rotate the alarm switch 1 / 4 in. turn and remove.



WARNING
Extreme care is necessary to prevent damage to the collapsible column.

Make sure that the switch is in the Lock position. If the lock cylinder is out, pull the switch rod up to the stop, then go down one detent.
Disconnect the actuating rod from the switch.
Remove the two screws and the switch.


To install:

Before installation, make sure the switch is in the Lock position.
Attach the actuating rod to the switch.
Install the switch using the original screws. Tighten the screws to 12 inch. lbs. (1.4 Nm).
Install the key alarm switch, if equipped . Make sure the retaining clip is parallel to the lock cylinder. Rotate the alarm switch 1 / 4 in. turn until locked in place.
Install the multi function switch if removed.




CAUTION
Use of screws that are too long could prevent the column from collapsing on impact.


Replace the column. Tighten the nuts to 22 ft. lbs. (29 Nm); the bolts to 20 ft. lbs. (27 Nm).
Install the column shroud halves.
Feb 1, 2021 at 10:42 AM (Merged)
Avatar
EM1122
  • MEMBER
  • 1 POST
Im trying to replace the ignition lock cylinder and I cant find the release screw.
Feb 1, 2021 at 10:42 AM (Merged)
Avatar
MERLIN2021
  • CERTIFIED EXPERT
  • 17,250 POSTS


https://www.2carpros.com/forum/automotive_pictures/62217_Lock_Cyla_3.jpg


https://www.2carpros.com/forum/automotive_pictures/62217_Lock_Cylb_2.jpg


https://www.2carpros.com/forum/automotive_pictures/62217_Lock_Cylc_2.jpg


https://www.2carpros.com/forum/automotive_pictures/62217_Lock_Cyld_1.jpg

Feb 1, 2021 at 10:42 AM (Merged)
Avatar
CUTBACKZ
  • MEMBER
  • 1 POST
After turning off the vehicle the key cannot be removed from the ignition.
Feb 1, 2021 at 10:42 AM (Merged)
Avatar
SWILLIAMS
  • CERTIFIED EXPERT
  • 597 POSTS
BTDT,
It can be either of two things depending on how the key doesn't come out.
If you can rotate the key to all positions (ACC, Lock, Off, Run, Start) and while in the lock position the key will not come out, You have a bad lock cylinder. About the only recourse is to replace it OR have a locksmith rebuild it.

The second common problem is that the key will NOT rotate back to the Lock position to allow key removal.
With a floor shift the common problem then is a bad solenoid on the key cylinder. You have two options. Look under the plastic shroud under the key switch location. You will find a small plug that you can remove. Then stick a pen/pencil or similar into that hole and you will find a plunger. Push that plunger UP and the key should rotate back and release.
OR you can remove the shroud itself (you don't have to remove the steering wheel, it will come off, it's a TIGHT fit but it comes off) Then remove the one screw retaining the solenoid, release the clip on the bottom, disconnect the wiring. Throw the solenoid into the junk bin. Reassemble the shroud and drive happy.
On the column shift this solenoid is replaced by a short cable. Just remove the cable.
Feb 1, 2021 at 10:42 AM (Merged)
Avatar
BLINDBERG123
  • MEMBER
  • 1 POST
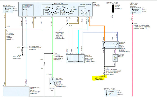
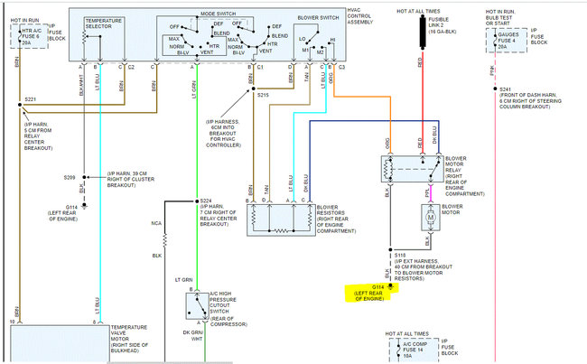
Every now and then blower wont work, ABS light comes on, and windows wont work. Then after a while it goes away and all is good. I was going to order a ignition starter switch and replace it. You also mention tow terminals under the steering column? What are those for and are they related to the same part?
Feb 1, 2021 at 10:43 AM (Merged)
Avatar
JACOBANDNICKOLAS
  • CERTIFIED EXPERT
  • 110,175 POSTS
Hi,

It sounds like a ground related issue. Do me a favor. On the left rear of the engine is you will find grounds. See the attached pic. Check the condition of the connector and make sure it is tight and clean.

Let me know.

Joe
Feb 1, 2021 at 10:43 AM (Merged)
Avatar
BILL LOST
  • MEMBER
  • 2 POSTS
can not turn the key to off there for i can't remove it? Can I remove ignition key switch and tumbler?
Feb 1, 2021 at 10:43 AM (Merged)
Avatar
DR LOOT
  • CERTIFIED EXPERT
  • 2,311 POSTS
This happens when the ignition switch and key lock needs to be replaced. HEre are the instructions in the diagrams below. Check out the diagrams (Below). Please let us know what happens.
Feb 1, 2021 at 10:43 AM (Merged)
Avatar
BILL LOST
  • MEMBER
  • 2 POSTS
I had to remove shift lever & grind some off the side so it released the paw that release the key
Feb 1, 2021 at 10:43 AM (Merged)
Avatar
DR LOOT
  • CERTIFIED EXPERT
  • 2,311 POSTS
Nice!!! I am glad you figured it out.
Feb 1, 2021 at 10:43 AM (Merged)