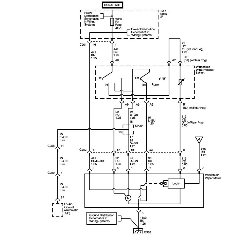
windshild fuse

2006 CHEVROLET OPTRA
6 MILES
Avatar
ABDEL LATIF
  • MEMBER
  • 1 POST
windshield's fuse keeps getting damaged every time I replace a new one. wipers are not working.
Apr 14, 2017 at 12:06 PM
Advertisement
Avatar
STRAILER
  • CERTIFIED EXPERT
  • 53,855 POSTS
Hello,

It sounds like you are having a problem with the wiper motor, please unplug it and try a new fuse to see if it blows when you turn the switch on with the key in the on position. Here is a wiring diagram so you can do some testing.

https://www.2carpros.com/articles/how-to-use-a-test-light-circuit-tester

Please run this test and get back to us so we can continue helping you.

Best, Ken
Apr 20, 2017 at 10:49 AM