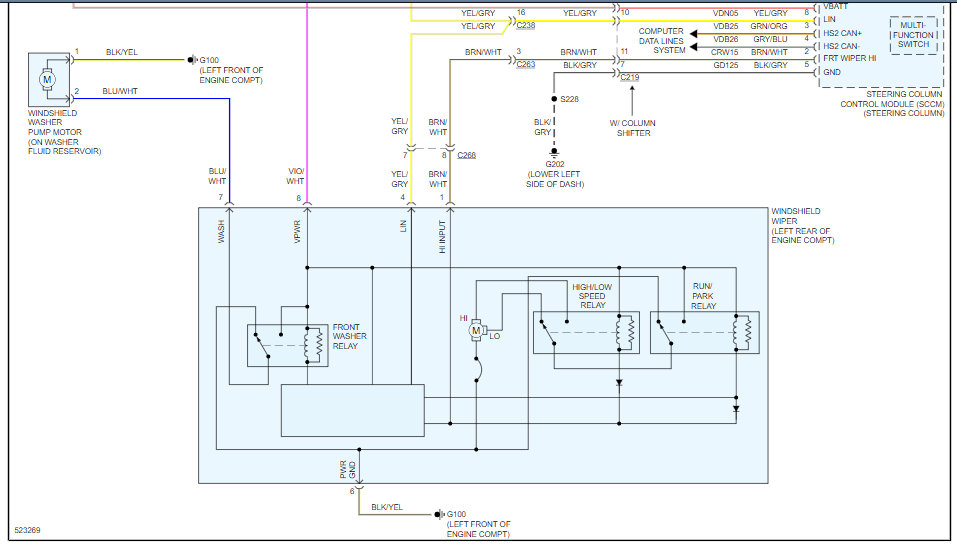
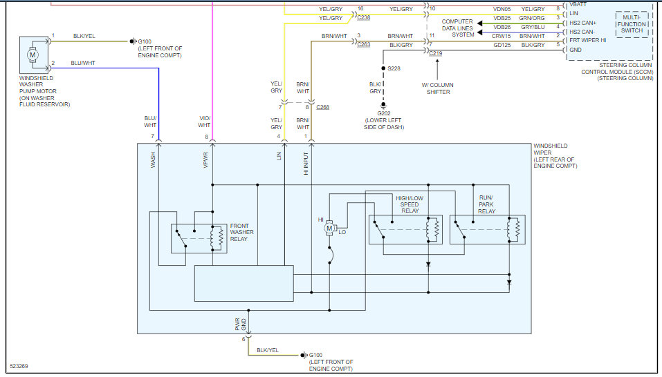
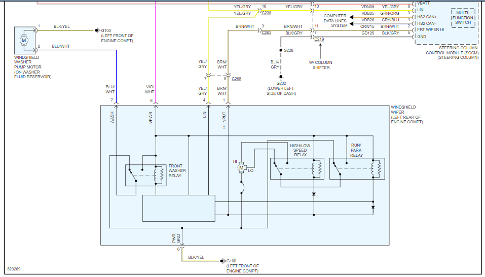
So I’ve been having issues with my wipers. The pump doesn’t work and I don’t have any variable speeds. Every now and then I’ll get it to wipe on high, but most cases it just does a single cycle. I have looked at the fuse diagram to see if it’s a relay or fuse but the diagram only shows the wiper motor fuse. I can’t seem to find the relay anywhere on the diagram.
May 26, 2021 at 11:01 AM



