Windshield wipers not working

2001 PONTIAC AZTEK
153,000 MILES • 2WD • AUTOMATIC
Avatar
TWHITE815*
  • MEMBER
  • 2 POSTS
Windshield wipers not working. I turn the switch nothing happens. There isn't any noise, movement.
Jun 25, 2019 at 1:50 AM
Advertisement
Avatar
ASEMASTER6371
  • CERTIFIED EXPERT
  • 52,796 POSTS
Good morning,

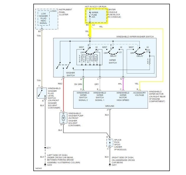
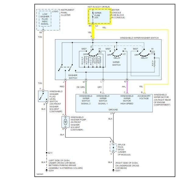
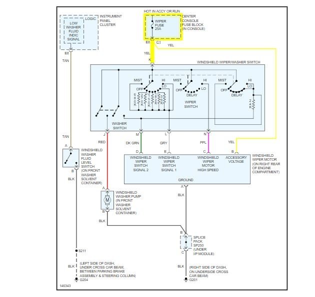
You need to start with checking the fuse. Verify power on both sides.

https://www.2carpros.com/articles/how-a-car-fuse-works

Beyond that, you need to check for power to the switch at the yellow wire in the switch.

https://www.2carpros.com/articles/how-to-check-wiring

Roy
Jun 25, 2019 at 3:31 AM
Avatar
TWHITE815*
  • MEMBER
  • 2 POSTS
Thank you. I honestly have no idea what all that means. I will have a mechanic check. I'm a female. I have no clue. I had someone check the wipers out. I don't think they checked to make sure if the fuse was burnt or even if they checked the wire that you're speaking of. Thank you for your response. I will have a mechanic check it out.
Jun 25, 2019 at 4:03 AM
Advertisement
Avatar
ASEMASTER6371
  • CERTIFIED EXPERT
  • 52,796 POSTS
You are welcome.

Always glad to help.

Roy
Jun 25, 2019 at 4:42 AM