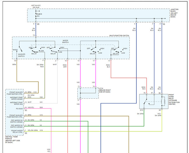
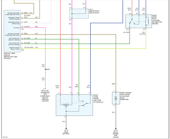
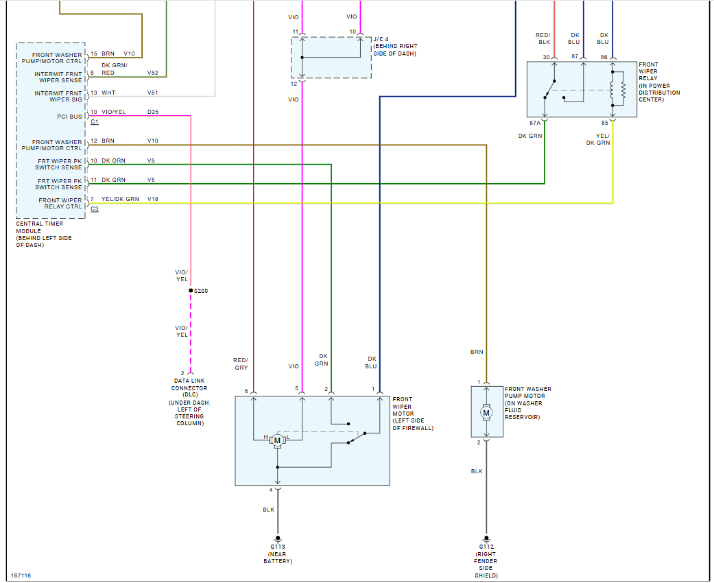
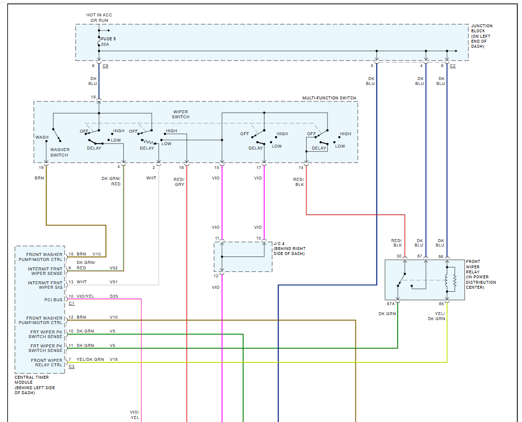
Hello, I have the vehicle listed above Sport model, 287 ci Gas MFI vin N - 2 valve SOHC where the windshield wipers only worked on high. I purchased a new windshield wiper/multi-switch and installed it. Wipers continued to only work on high. I then bought a whole new windshield wiper motor and installed that. Again, the wipers still only worked on high. Once I opened the relay box, I noticed that the relay was completely removed. So, I installed an already-in-use working relay and tried the wipers again. I started the car with the old windshield wiper switch and now the wipers won't turn off at all. I installed the new windshield wiper switch again and the wipers still won't turn off. I am trying to figure out what is wrong and what part I need. With the relay installed the wipers only turn off. When the relay is not installed, the wipers only work on high. You also have to turn them off at the right moment to get them in the down position. With the relay not installed, they won't turn off.
I have also disconnected the battery for a while and re-connected it to no avail.
The computer is not throwing any codes out either.
I have also disconnected the battery for a while and re-connected it to no avail.
The computer is not throwing any codes out either.
Nov 12, 2024 at 1:51 PM




