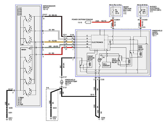
I recently bought the car listed above (GT) for a very good price, but the radio and the windshield wipers don't work. The radio isn't a huge deal I can live without that, but I'll obviously need the wipers. The windshield washer doesn't work either. Other than those issues all the other electronics work. I don't have any other issues inside or outside of the car. I checked all the fuses for those areas and they were all good. My next thought was the wiper motor but I don't hear a buzz like the motor is trying to run or anything whenever the wiper switch is turned on. Could it still be the motor? Any ideas?
Jul 15, 2019 at 10:05 AM

