Windshield wipers are not working but washer is working

1998 PLYMOUTH NEON
200,000 MILES • 2.0L • 4 CYL • 2WD • AUTOMATIC
Avatar
REDCRU777
  • MEMBER
  • 84 POSTS
In summer, I observed that the wiper blades moved very slow when switched on and doesn't work at all when on intermittent or on #3 (fastest mode).

Now it's completely not working. the fuse is okay and the washer is working.

Please advise.

Thanks.

Rey
Dec 13, 2020 at 6:46 PM
Advertisement
Avatar
KASEKENNY
  • CERTIFIED EXPERT
  • 18,907 POSTS
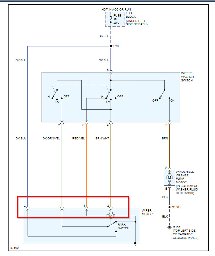
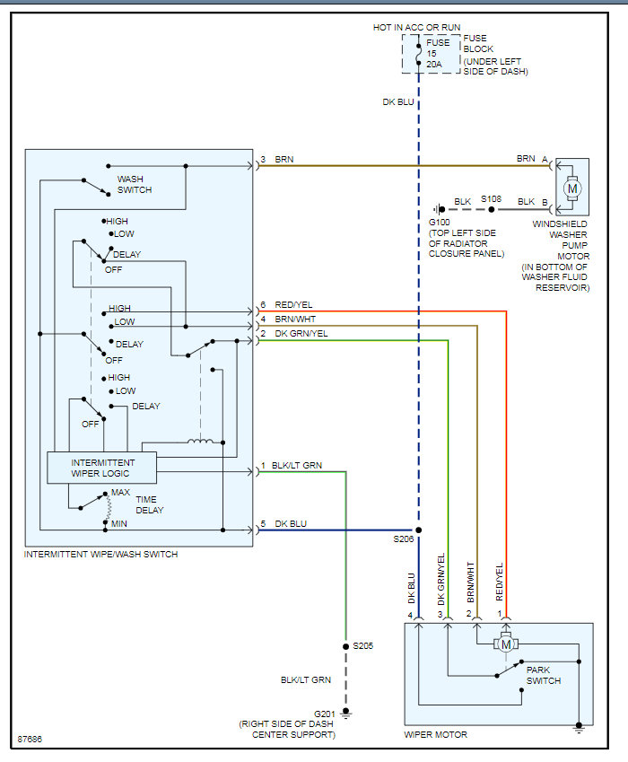
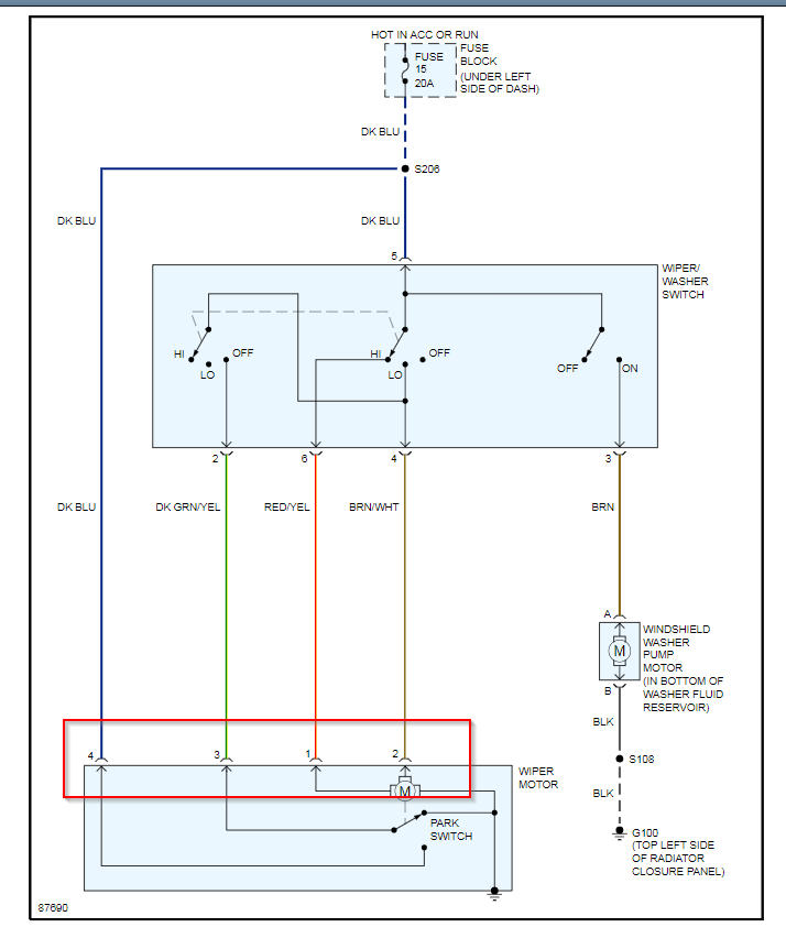
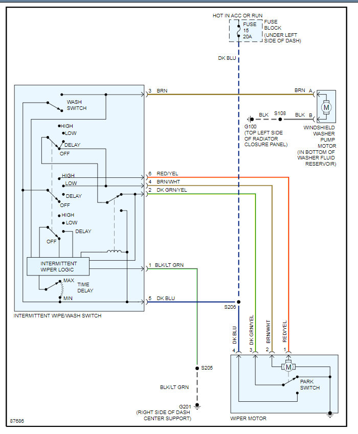
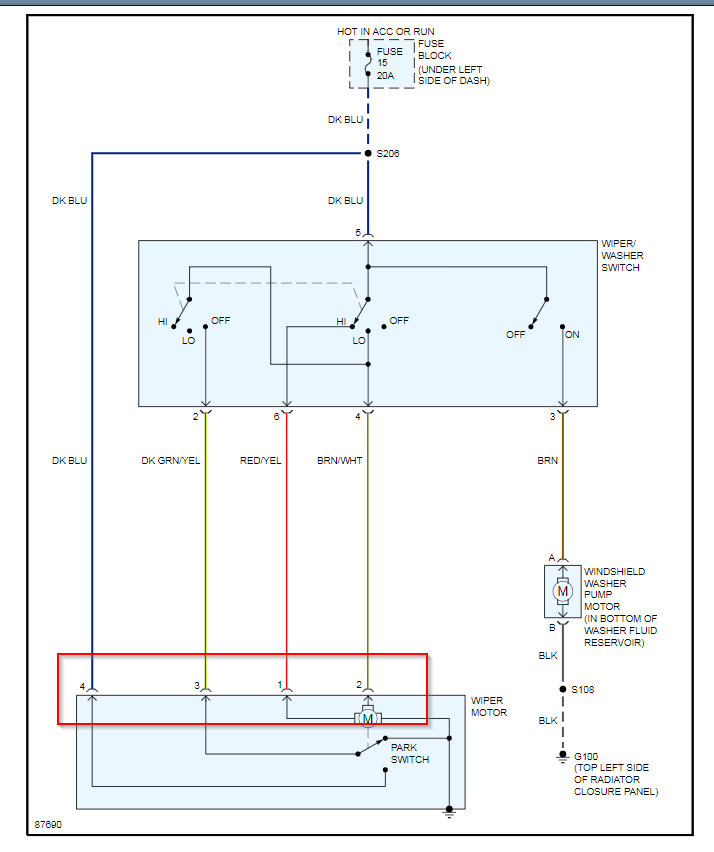
More then likely this is the wiper switch. There is a logic "resistor" inside the switch that is most likely failed.

What I would do is go to the wiper motor and check voltage at each wire on each setting. Clearly you should only have voltage on the wire for that speed. So if you don't have voltage, I would replace the switch.

Here is the wiring diagram and the process on how to replace the switch if this proves out:

https://youtu.be/Hlna_kUt7As

Let me know what questions you have and we can go from there. Thanks
Dec 14, 2020 at 4:52 PM
Avatar
REDCRU777
  • MEMBER
  • 84 POSTS
Hi KASEKENNY1,

Thanks for this reply. I will do as per your advice. Will keep you posted.

Regards!

Rey
Dec 16, 2020 at 5:37 PM
Advertisement
Avatar
KASEKENNY
  • CERTIFIED EXPERT
  • 18,907 POSTS
Awesome. Thanks for the update. Yes, please let us know what happens. Thanks
Dec 17, 2020 at 5:03 PM
Avatar
REDCRU777
  • MEMBER
  • 84 POSTS
Hi KASEKENNY1,

I worked on the wipers this morning, and as I was removing the screw on one of the wiper arms, it suddenly moved, thanks to the fact that I left the switch on!

The wipers work on intermittent mode and regular speed mode but it struggle (very slow as if it's going to stall) when switched to the fastest speed.

Could it be the motor? I replaced the motor more than 2 years ago.

FYI.

Thanks.

Rey

Dec 19, 2020 at 12:02 PM
Avatar
KASEKENNY
  • CERTIFIED EXPERT
  • 18,907 POSTS
That is interesting. It could be the motor so the way we confirm that is to monitor the voltage at the motor on each wire on each speed setting. Here are a couple guides that can help with that:

https://www.2carpros.com/articles/how-to-check-wiring

https://www.2carpros.com/articles/how-to-use-a-voltmeter

If the voltage is correct at the motor on each wire then it is the motor and the switch is fine. However, the fact that it seems to operate when you remove the load of the wipers then that points to a failing motor.

Let me know what questions you have. I attached the wiring below for your review.
Dec 20, 2020 at 6:43 AM
Avatar
REDCRU777
  • MEMBER
  • 84 POSTS
Hi KASEKENNY1,

Sorry for this late update.
I finally got time to work on the car today, and I just replaced the wiper motor, it's no longer working as it should. Thank God the switch is fine.

Just letting you know, many thanks for your help!

Rey



Jan 25, 2021 at 1:33 PM
Avatar
KASEKENNY
  • CERTIFIED EXPERT
  • 18,907 POSTS
That is great info and thanks so much for the update. I am glad you got it taken care of and I am sure that info will help others as well who visit this site. Thanks
Jan 26, 2021 at 2:53 PM