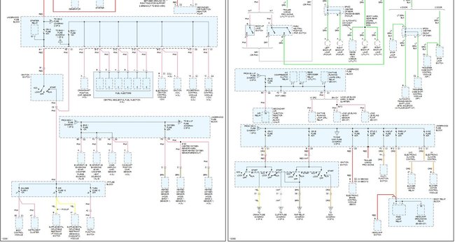
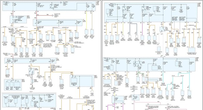
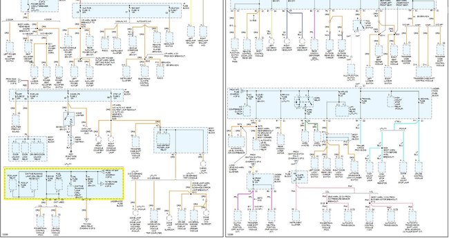
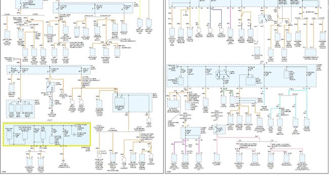
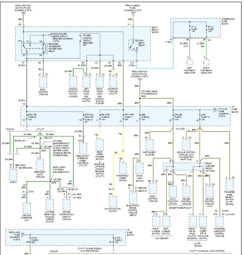
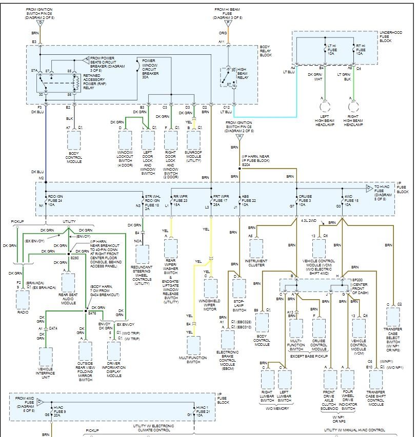
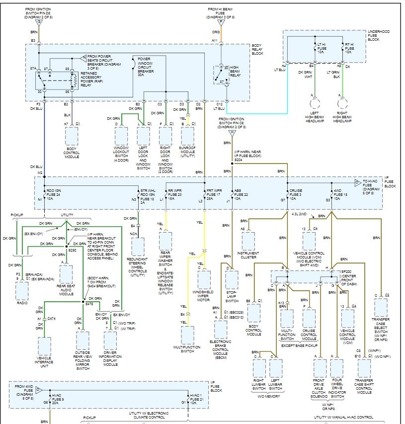
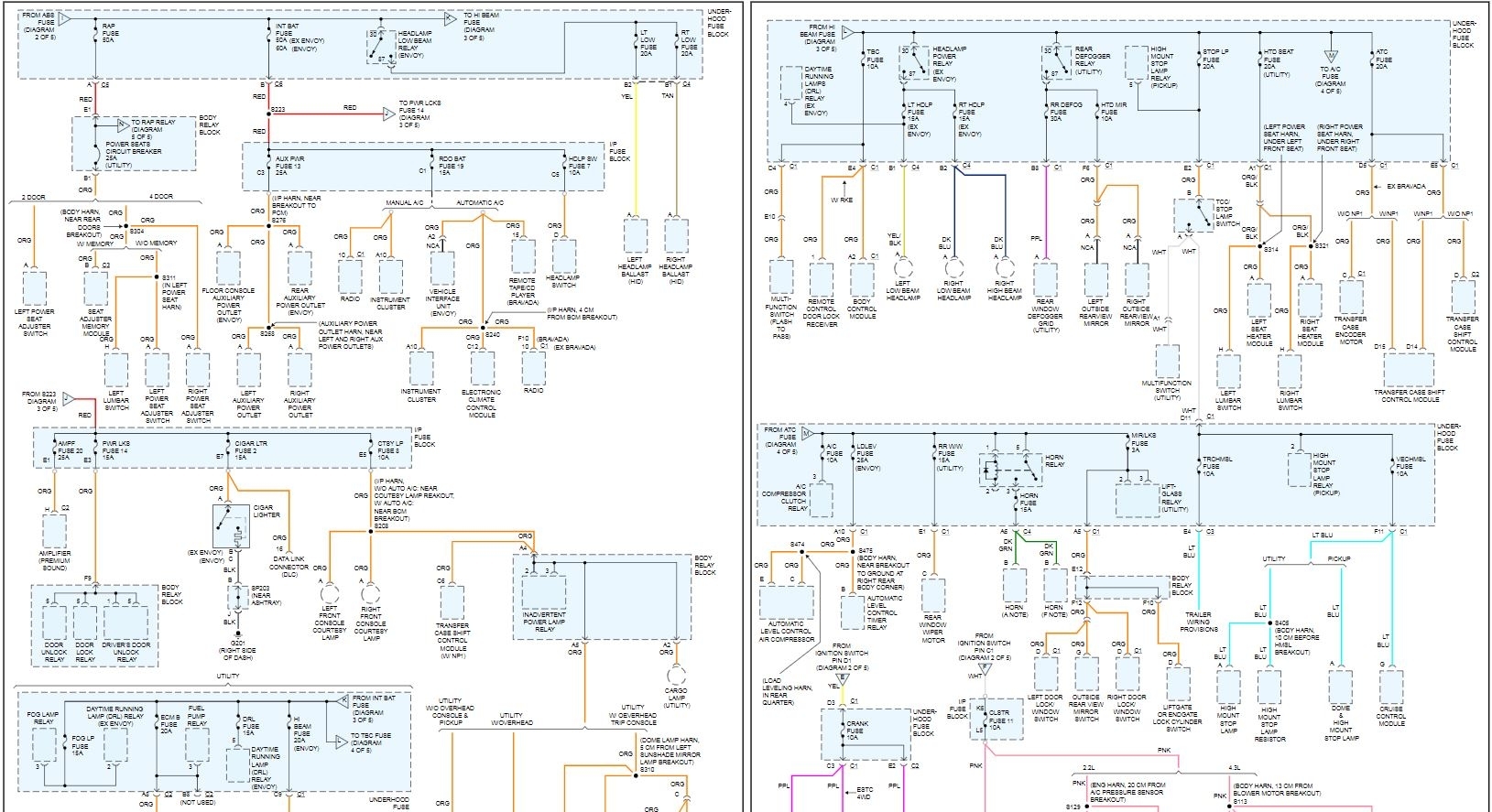
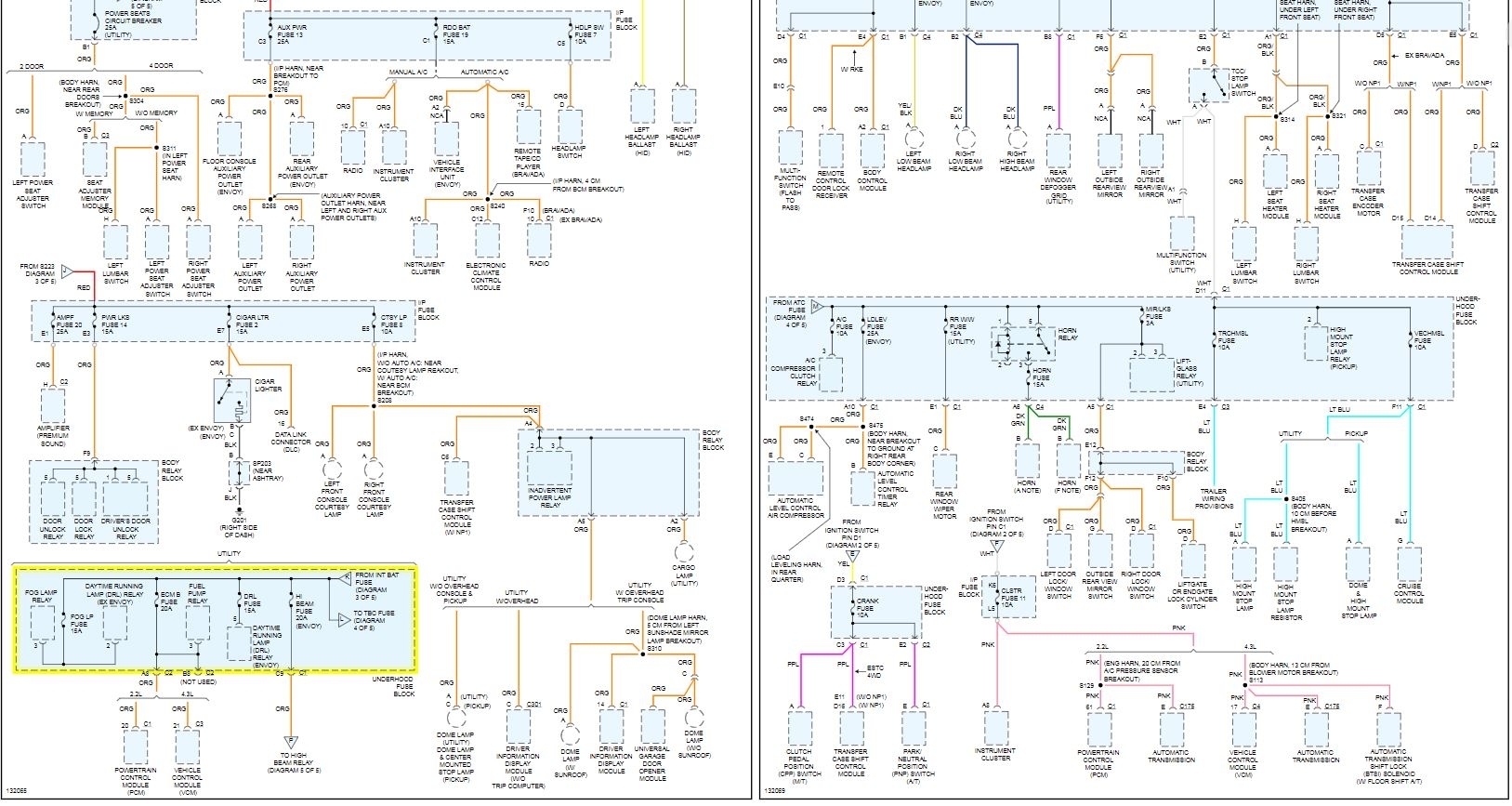
I saw this problem posed once before and the answer seemed to suggest that it was merely a coincidence, but I have the same symptoms. The heater fan and windshield wipers both went out at the same time. Later, they both began working again. Now, they are both out again. There seems to be some kind of a connection, odd as it may seem. Any ideas what would cause this?
Dec 30, 2013 at 1:19 PM





