Windshield wipers and automatic locking system, remote entry do not work?

2002 PONTIAC GRAND AM
191,999 MILES • 3.4L • V6 • 2WD • AUTOMATIC
Avatar
LEIGHANDERSON
  • MEMBER
  • 3 POSTS
Hi, I noticed that my windshield wipers don't work unless they are on high speed, my cars automatic locking system, the locking buttons, and the remote entry won't lock or unlock, I have tried replacing the fuses but unfortunately that did not work. I have had mechanics tell me that it was other things, and they try to replace or work on them, but nothing seems to work. I need help, I'm tired of being lied to by mechanics over and over again. This was the last straw for me.
Mar 23, 2023 at 5:22 PM
Advertisement
Avatar
STRAILER
  • CERTIFIED EXPERT
  • 53,854 POSTS
No problem, we can get you fixed up. These are two separate problems. We will handle the wiper on this thread. Please start a new question for the keyless enter problem. First on the wiper motor there will be a yellow wire we need to check for power. This guide can help:

https://www.2carpros.com/articles/how-to-use-a-test-light-circuit-tester

To confirm you check all fuses with the key on, this guide can help:

https://www.2carpros.com/articles/how-to-check-a-car-fuse

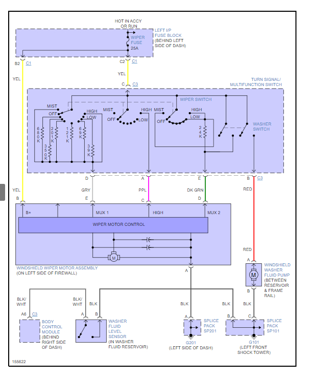
Here are the wiper motor wiring diagrams so you8 can see how the system works. It will be the switch or the wiper motor if the yellow wire is getting power. Also please check the black wire, it should be grounded. If you turn the wiper motor on a low speed and the black wire has power the ground is bad. Check out the images (below). Please let us know what happens.

Mar 24, 2023 at 11:13 AM