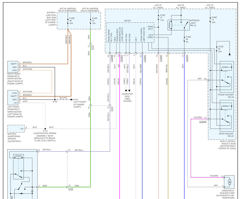
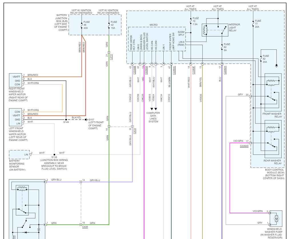
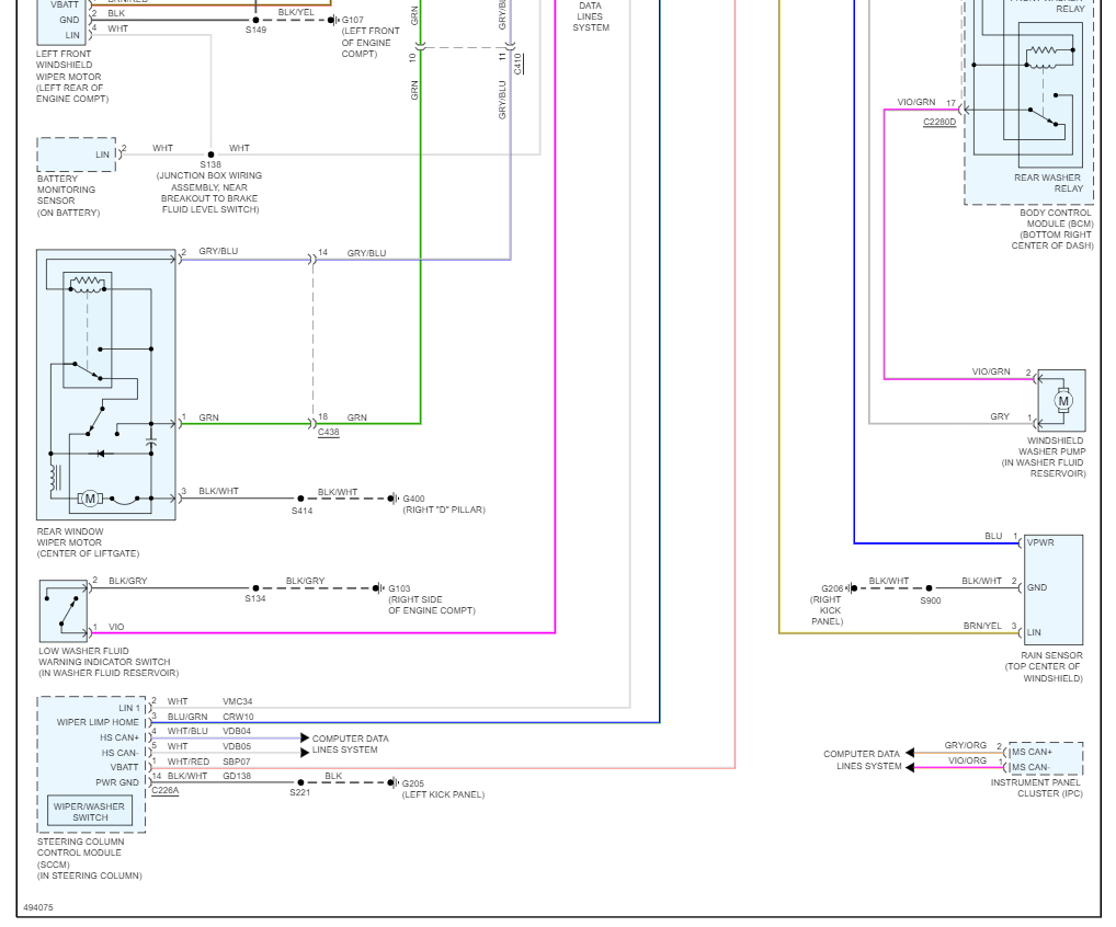
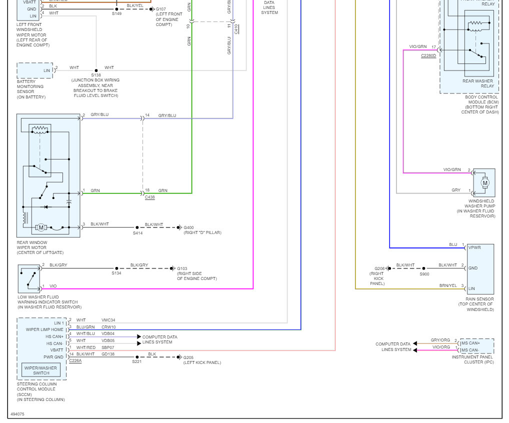
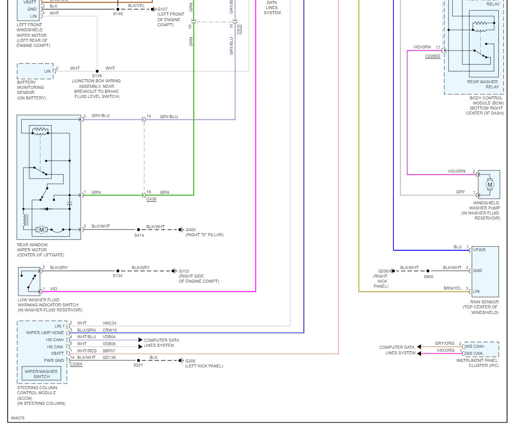
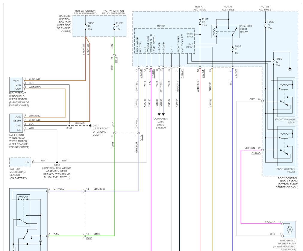
The other day it was raining but the wipers would not turn on. Later they started working on their own, but I could not turn them off no matter what I tried. Now they come on randomly. Sometimes they will turn off and other times they won't. I'm looking for suggestions on what may be causing this behavior.
May 13, 2023 at 10:09 PM



