All of the windshield wipers are not working?

2002 FORD EXPEDITION
320,809 MILES • 4.6L • V8 • 4WD • AUTOMATIC
Avatar
CARRIEANN1926
  • MEMBER
  • 1 POST
Windshield wipers not working at all on front or back of vehicle replaced motor for wiper blade and still nothing.
Aug 6, 2023 at 2:20 PM
Advertisement
Avatar
STRAILER
  • CERTIFIED EXPERT
  • 53,854 POSTS
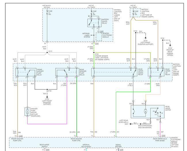
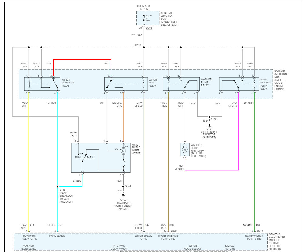
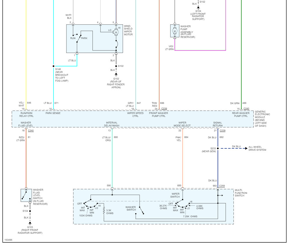
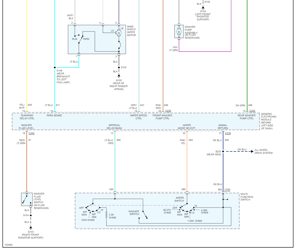
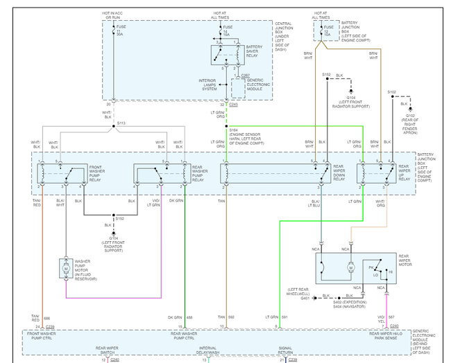
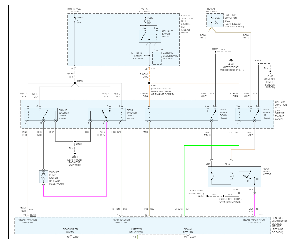
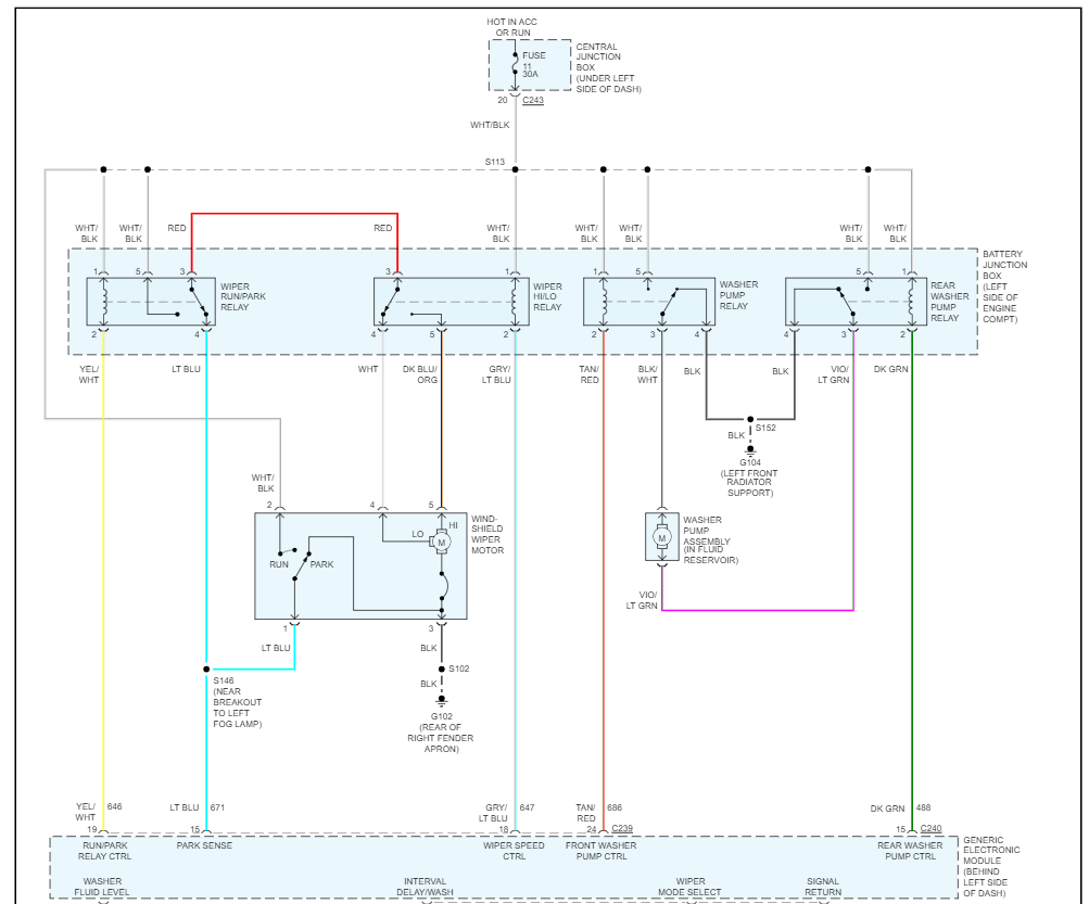
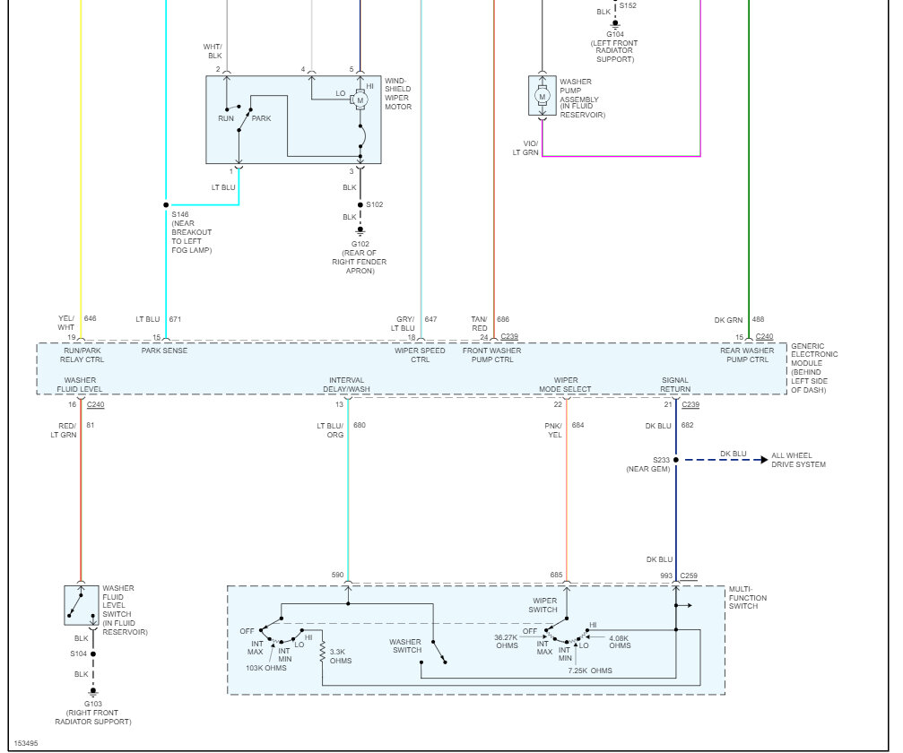
It sounds like the GEM has gone out, but we should check for power at the fuse #11 on the fuse panel left side of the dash.

https://www.2carpros.com/articles/how-to-check-a-car-fuse

Here is the location of the GEM and the wiring diagrams for both front and rear wiper systems so you can see how they work and where to test for power.

https://www.2carpros.com/articles/how-to-use-a-test-light-circuit-tester


Check out the images (below). Let us know what happens and please upload pictures or videos of the problem so we can see what's going on.
Aug 7, 2023 at 12:04 PM
Avatar
STRAILER
  • CERTIFIED EXPERT
  • 53,854 POSTS
Anything?
May 6, 2024 at 12:33 PM
Advertisement