☰
Login
Join
×
Home
Answered Questions
Repair Topics
Repair & Service Guides
Popular Questions
Warning Lights
Trouble Codes
How It Works
Testing / Diagnostics
Symptoms
Videos
Login
Become a Member
Home
Honda
Accord
Body
Wiper
Stay On
Windshield wipers will not turn off when key is in the on position
1992 HONDA ACCORD
45,000 MILES • 4 CYL • 2WD • AUTOMATIC
TIMEOFLEISURE
MEMBER
3 POSTS
FOLLOW
Wipers will operate in the pulse position and will not turn off (wipers will turn off when ignition
is turned off). Thanks
Apr 9, 2020 at 1:14 AM
Advertisement
ASEMASTER6371
CERTIFIED EXPERT
52,796 POSTS
Good morning,
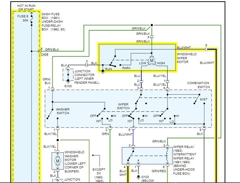
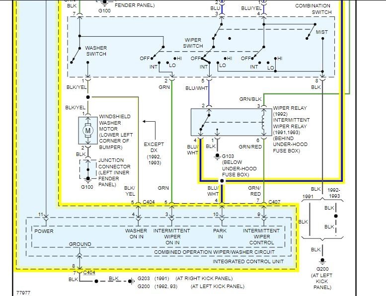
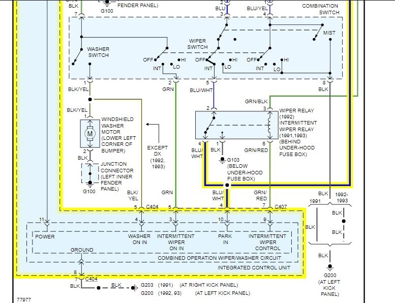
The park control is handled by both the motor itself and the control which is in the fuse block under the hood.
Do you have a voltmeter or test light to do some testing? I attached a wiring diagram for you to view.
https://www.2carpros.com/articles/how-to-check-wiring
In most cases it is the wiper motor itself but needs to be confirmed.
https://www.2carpros.com/articles/how-to-replace-a-windshield-washer-pump
Roy
Images (Click to enlarge)
Apr 9, 2020 at 4:10 AM