Hi James,
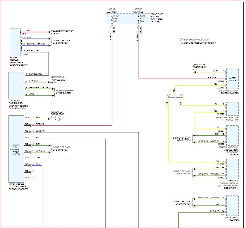
I would suspect the switch itself because the washer portion of this switch is separate. However, if you look at the wiring diagram there are modules prior to getting the signal to the wiper motor and washer motor. These would need to be tested with a scan tool to see if when you press the button for the washer fluid if the module is seeing the command. If it is not, then it is either wiring or more likely the switch.
I also included all the detail that explains this system. However, if you don't have the scan tool to look at this system, then it may be required to have it checked out. This command is sent via a communication network called a BUS system. Due to this, there is no way to check this with a meter. It requires this scan tool.
Let me know if this doesn't make sense or if I am missing something. Thanks
Images (Click to enlarge)
Apr 26, 2019 at 6:12 PM