Windshield wiper motor intermittently not working

2011 CHEVROLET IMPALA
329,000 MILES • 3.5L • V6 • 2WD • AUTOMATIC
Avatar
DLOWE1230
  • MEMBER
  • 1 POST
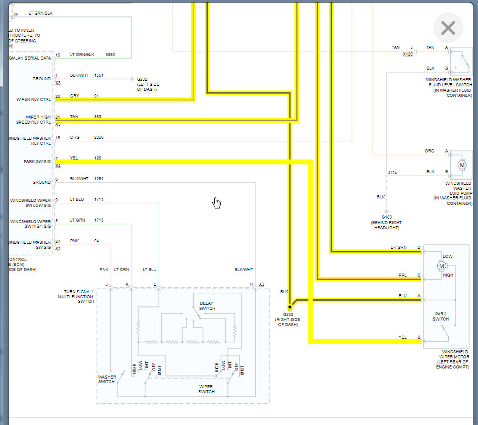
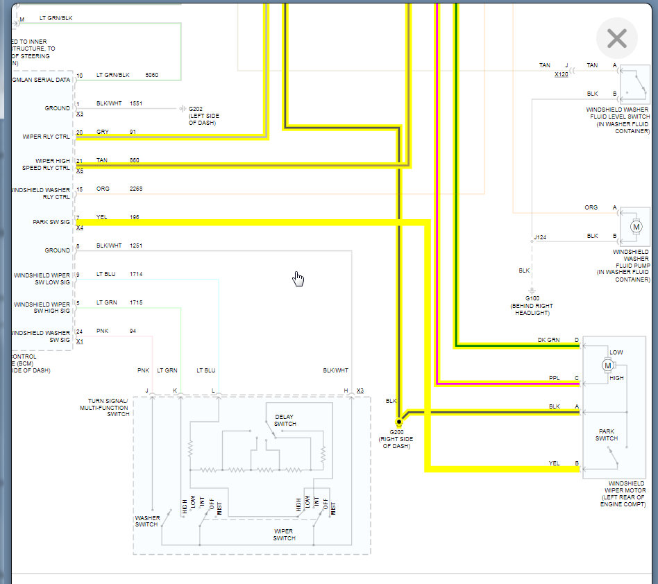
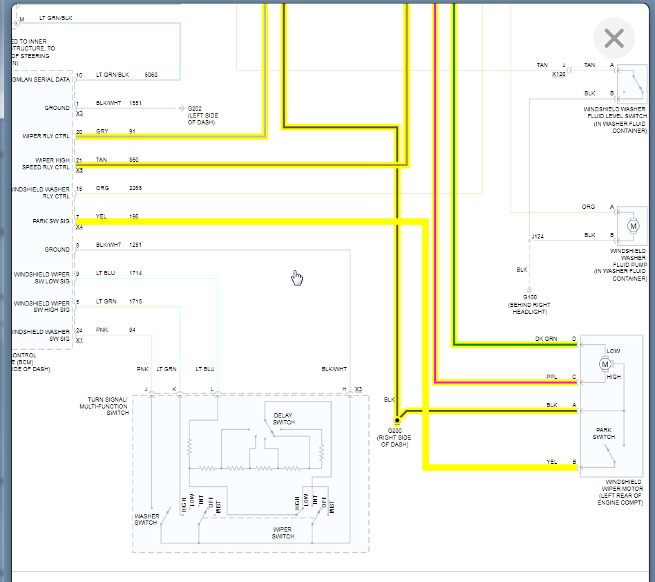
For the last year, the wipers on my car have been acting erratic. When you turn them on, they don't work, and then all of a sudden after three days or so they starting working. It's hit or miss, it works when it wants to. I have replaced the motor (twice), new turn signal switch, and nothing wrong with the fuses. Wiper Relays on the other hand are apparently soldered on a printed circuit board (PCB-relay) behind the fuse box under the hood. I do have power going to the connectors, but I noticed that my green wire (low wipe) is showing voltage when wiper is in high mode, which is suppose to happen to the purple, according to the wiring diagram. Other than that, I have a new turn signal switch that controls my wipers, new wiper motor, and still no working wipers. Could it be the PCB-Relay, or the BCM (body control module) under/next to the steering column.
Feb 16, 2021 at 3:02 PM
Advertisement
Avatar
KASEKENNY
  • CERTIFIED EXPERT
  • 18,907 POSTS
I agree with it is either the relay or the BCM. The way to find this out is to check voltage when this is happening.

The way this works is the BCM is a high side driver. That means it is sending voltage to the wiper relay when it wants the wipers on. It does this on the wiper relay control (gray wire) to the relay. This energizes the relay and it turns the motor on. It turns it on by sending voltage through the high relay which when that is not energized it sends voltage down the green wire to the low side of the motor. Then when the BCM wants the wipers on high, it grounds the high relay and that pulls the relay to the other contact to send power on the purple wire.

So let's get this acting up and then check voltage on the gray wire from the BCM and then turn the wipers on high and check for ground on the tan wire from the BCM.

https://www.2carpros.com/articles/how-to-check-wiring

Let me know what questions you have.
Feb 17, 2021 at 6:20 PM