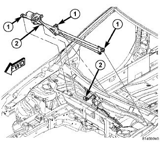
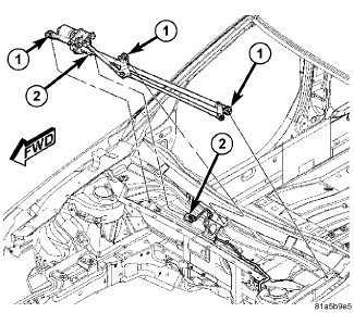
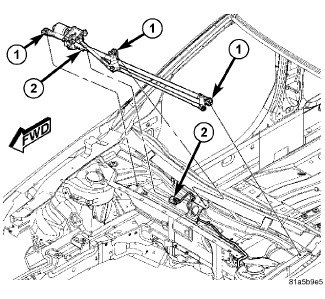
I am trying to find the windshield wiper motor on a friend's car and cannot find a diagram. Where I expected to see it there is a brake fluid reservoir. Any idea where to find a diagram of how to get to it?
Jun 12, 2017 at 8:00 AM
