Hi,
If the start working again, it wouldn't be a fuse. Since it happens when it's cold, I suspect you have a connection issue. However, let's start by checking the wiper relays.
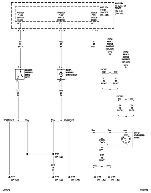
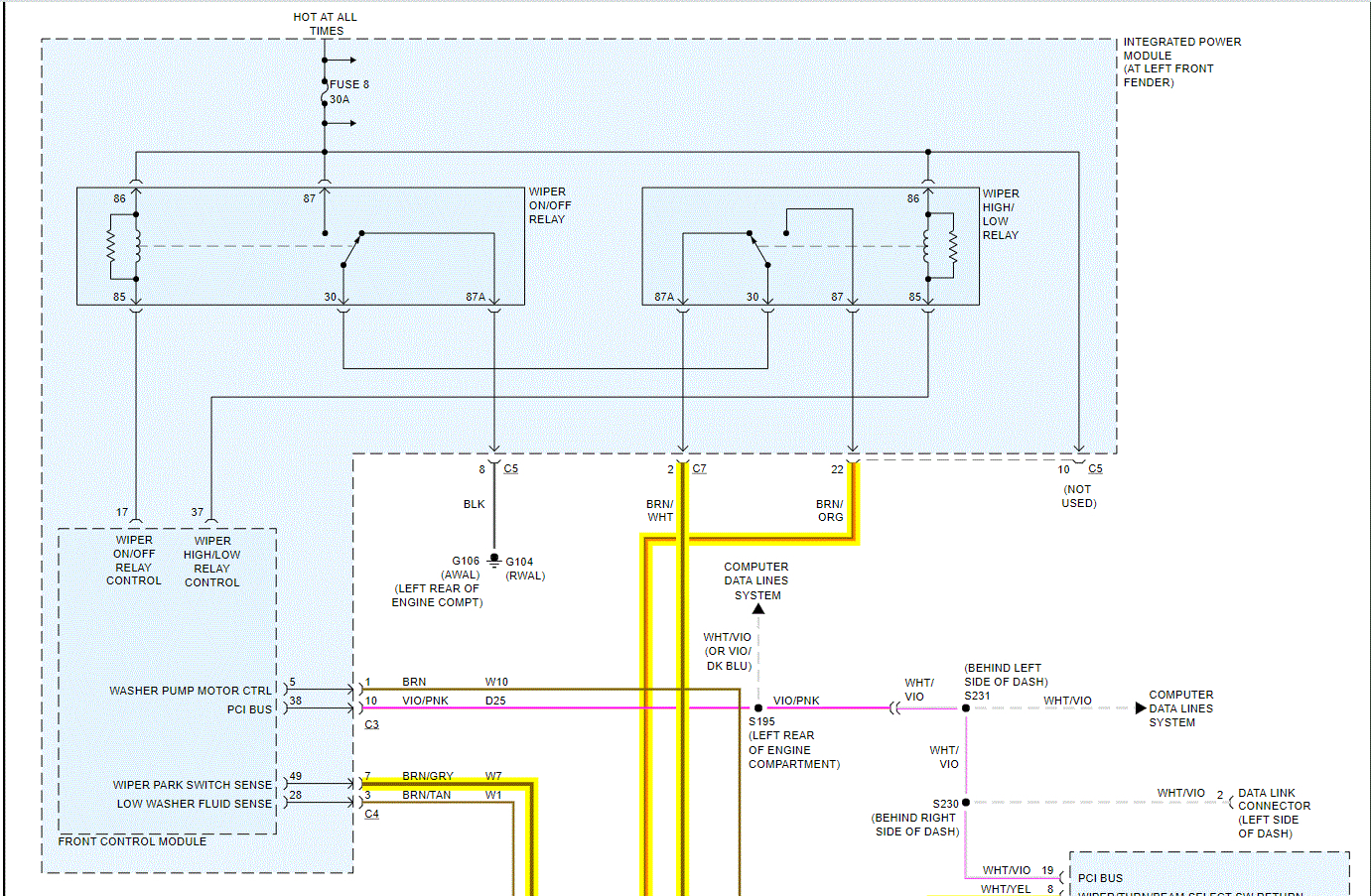
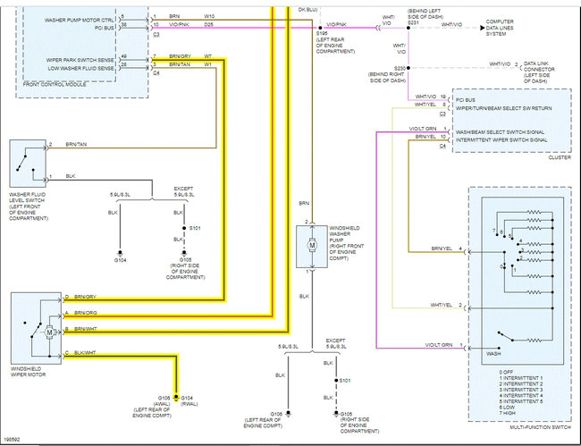
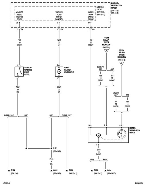
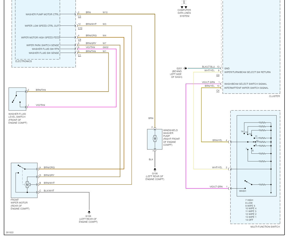
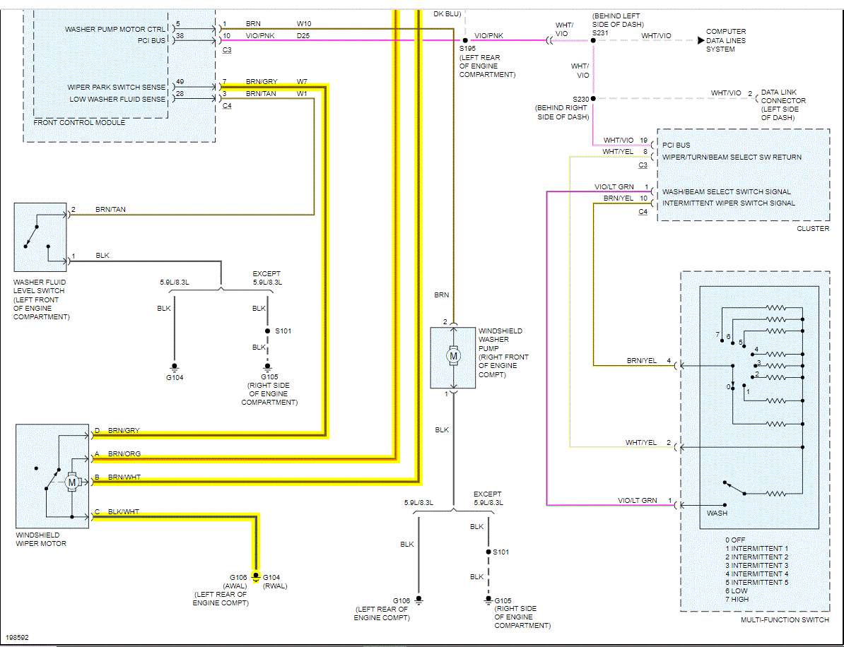
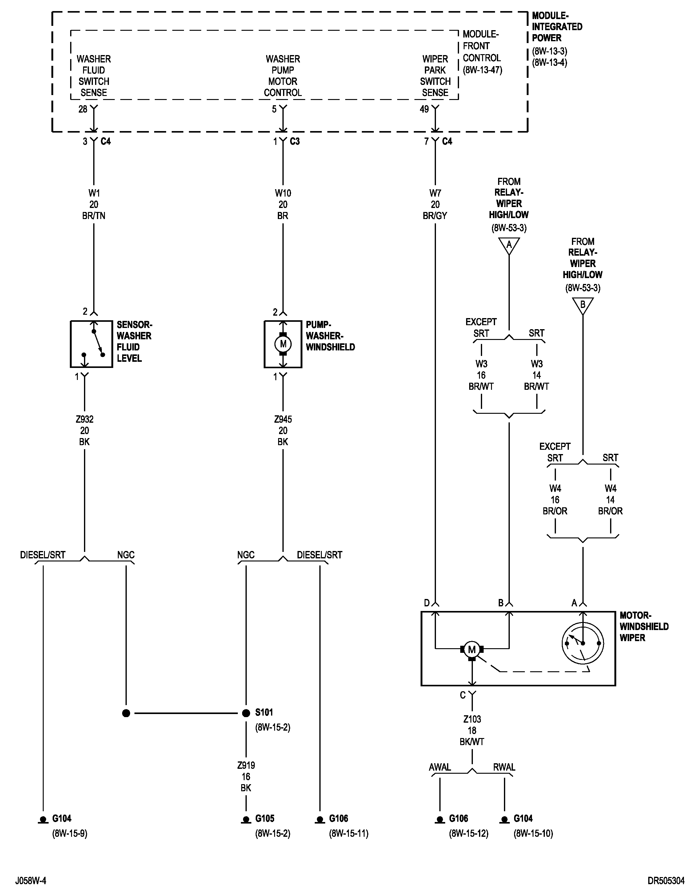
If you look at pics 1 and 2 below, I included the entire wiring schematic for the wiper system. I need you to locate and check the wiper relays in the underhood fuse box. First, remove the relays and check for corrosion where the connection is made. Also, make sure none of the pins are pushed in or damaged.
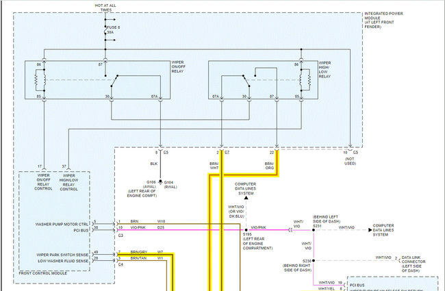
If everything looks good, see if there is another relay in the box with the same part number and switch them. Do this when the wipers are not working to see if it makes a difference. If you look at pic 3 below, it shows the relays to check (highlighted).
If there are no relays that are the same, here is a link that shows how to check one:
https://www.2carpros.com/articles/how-to-check-an-electrical-relay-and-wiring-control-circuit
Next, at the rear of the engine (driver's side) is a black wire which is ground. Check to make sure it is clean and tight, free of corrosion. Note: That ground is for both the relay and the motor. If it looks corroded or rusty, remove it, inspect the connector, and clean the surface where it mounts to get a good ground.
Start with this. If you find the relays make no difference, we will then need to check the wiring from the integrated power module.
Let me know what you find or if you have other questions.
Take care,
Joe
See pics below.
Images (Click to enlarge)
Apr 12, 2021 at 12:22 PM
(Merged)