Windshield wiper control system troubleshooting?

2000 OLDSMOBILE INTRIGUE
182,000 MILES • 3.5L • V6 • 2WD • AUTOMATIC
Avatar
IND35TRUCTIBLE1
  • MEMBER
  • 7 POSTS
Wipers don't work, power at motor plug so replaced motor w/pulse module still won't work. could it be the switch and how to check it?
Oct 20, 2022 at 8:39 PM
Advertisement
Avatar
JACOBANDNICKOLAS
  • CERTIFIED EXPERT
  • 110,175 POSTS
Hi,

If you have power to the motor, either the motor is bad or there is no ground supply to complete the circuit.

There should be a black wire in the harness at the motor. Disconnect the connector and check the black wire for continuity to ground.

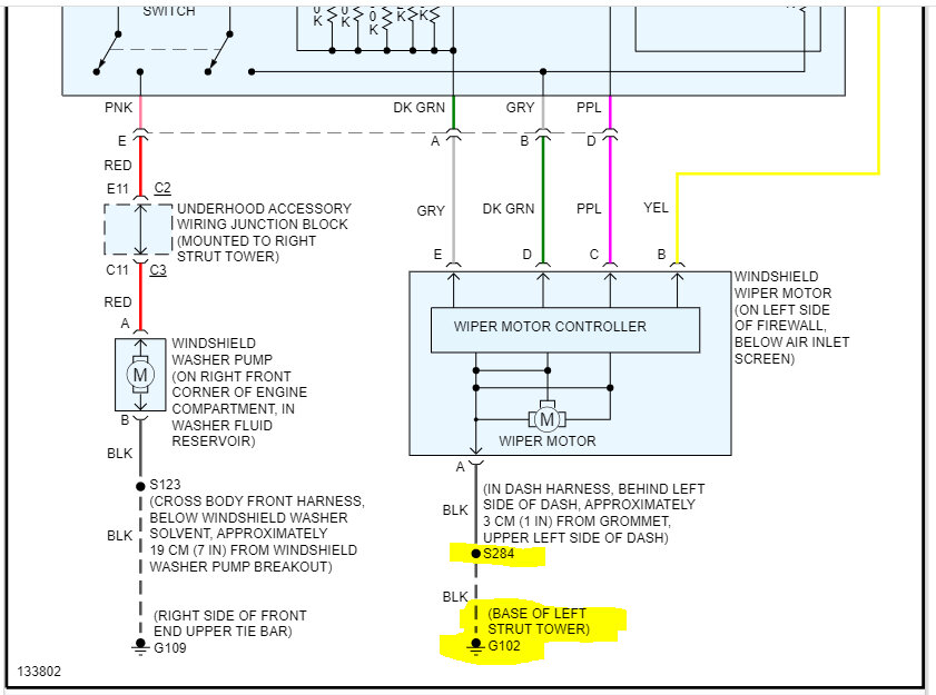
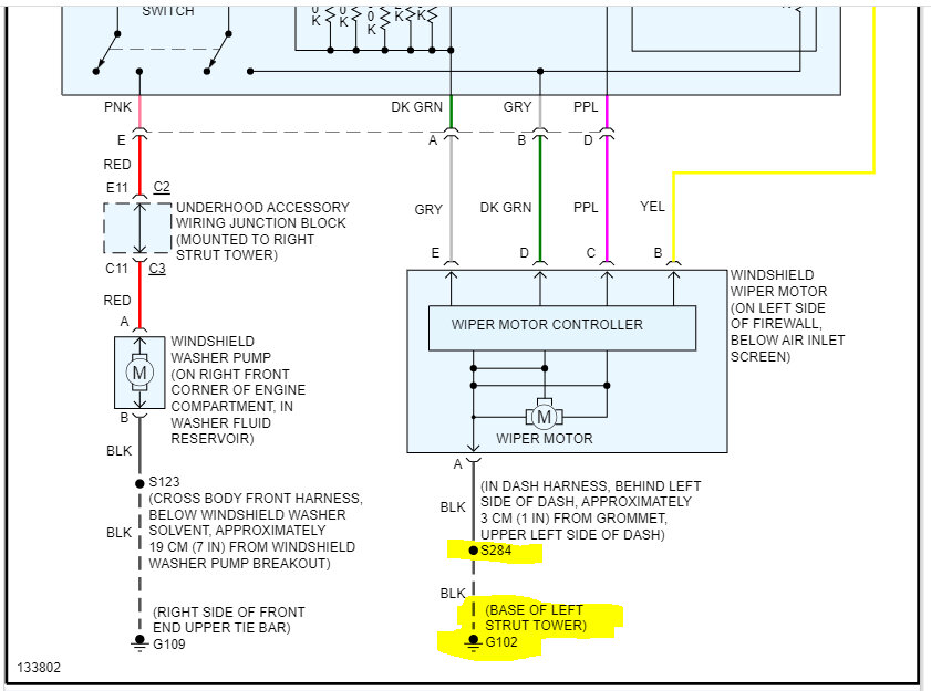
I attached the wiper wiring schematic circuit below, so you have a reference. If there is power, the motor is good (new) it should run if there is a ground provided.

Let me know what you find.

Take care,

Joe

See pics below.
Oct 20, 2022 at 9:12 PM
Avatar
IND35TRUCTIBLE1
  • MEMBER
  • 7 POSTS
Thanks, I'm going to check the ground circuit out and see what I can find. Thought maybe switch but there's power to the motor wires. It's driving me nuts.
Oct 20, 2022 at 10:09 PM
Advertisement
Avatar
JACOBANDNICKOLAS
  • CERTIFIED EXPERT
  • 110,175 POSTS
Hi,

No problem whatsoever. If you have power, this is the only thing that makes sense. If you can, let me know what you find. Also, you may want to run a new ground from the motor to the battery negative to see if that makes a difference.

Let me know.

Joe
Oct 21, 2022 at 8:25 PM
Avatar
IND35TRUCTIBLE1
  • MEMBER
  • 7 POSTS
Thanks again, I was thinking the same thing. i plan on jumping on it in the morning while I'm off work so I'll let you know what happens.
Oct 21, 2022 at 11:20 PM
Avatar
IND35TRUCTIBLE1
  • MEMBER
  • 7 POSTS
Well, it was the ground circuit. I traced down the ground distribution and cleaned up and redid every ground. The ground for the wipers was corroded and actually had a broken wire at the ground point under ABS unit. i also ran a new ground lead from the wiper motor body to a clean spot on the body. Turned them on and the linkage bind up and popped apart. The motor runs but the wipers don't move. I think I have the cam on top of wiper motor shaft out of position, but I'll try to address that tomorrow. Thanks a million. I'm glad I finally figured it out.
Oct 22, 2022 at 1:47 PM
Avatar
JACOBANDNICKOLAS
  • CERTIFIED EXPERT
  • 110,175 POSTS
Hi,

Thanks for the update. I'm glad to know you got it working. The ground was the only thing left I could think of. LOL I'm glad that took care of it.

As far as the linkage/wiper transmission, I attached directions below for the installation of everything. I hope it helps.

Take care and let me know how things turn out for you.

Joe

See pics below.
Oct 22, 2022 at 10:29 PM