windshield washer pump not working?

2011 GMC SIERRA
125,000 MILES • 4.8L • V8 • 4WD • AUTOMATIC
Avatar
NAELCAMRETEP
  • MEMBER
  • 7 POSTS
No power to fuse number 7, so therefore no power to pump.
momentary washer switch on signal arm powers wipers but not washer pump.
Oct 27, 2022 at 3:09 PM
Advertisement
Avatar
JACOBANDNICKOLAS
  • CERTIFIED EXPERT
  • 110,175 POSTS
Hi,

Fuse 7 will only get power when the washer is requested on. I'm not sure if you are checking it that way. Let me know

The washer motor receives power from the front washer PCB relay. PCB stands for printed circuit board, which isn't repairable. So, I need to know if that is how you checked fuse 7.

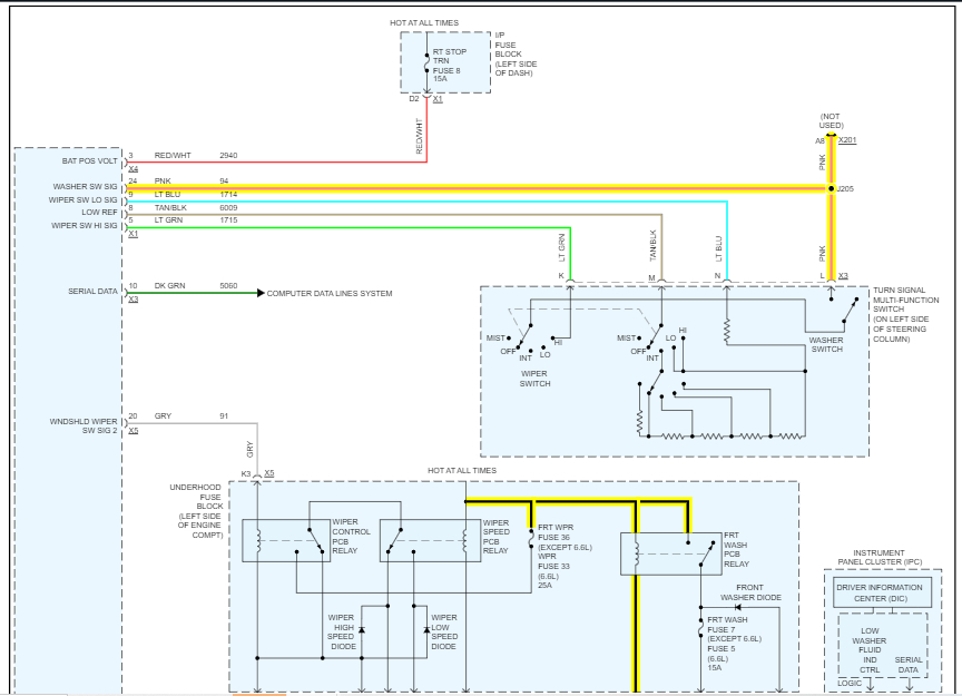
Also, fuse 36 is what actuates the relay when a ground path is provided by the body control module. Once this happens, power is then sent through the relay and then fuse 7 for the washer motor. With that in mind, check that fuse as well. If it is good, then we need to check for a ground path being provided by the BCM to actuate the relay. See pic

Here is a link that explains how the relay works and what needs to happen:

https://www.2carpros.com/articles/how-to-check-an-electrical-relay-and-wiring-control-circuit

Also, I attached the wiring schematic related to the circuit below, so you have a reference. I highlighted the related wiring.

Let me know what you find.

Take care,

Joe

See pics below.
Oct 27, 2022 at 8:28 PM
Avatar
NAELCAMRETEP
  • MEMBER
  • 7 POSTS
no power to motor no power on number 7 fuse momentary windshield wash switch on signal light arm runs only the wipers when activated, no wash
Dec 15, 2022 at 10:07 AM (Merged)
Advertisement
Avatar
STRAILER
  • CERTIFIED EXPERT
  • 53,855 POSTS
Did you swap out the washer PCB relay?
Dec 15, 2022 at 10:55 AM