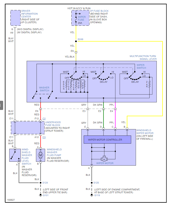
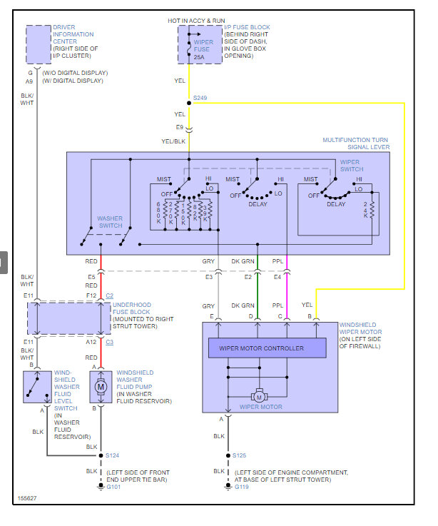
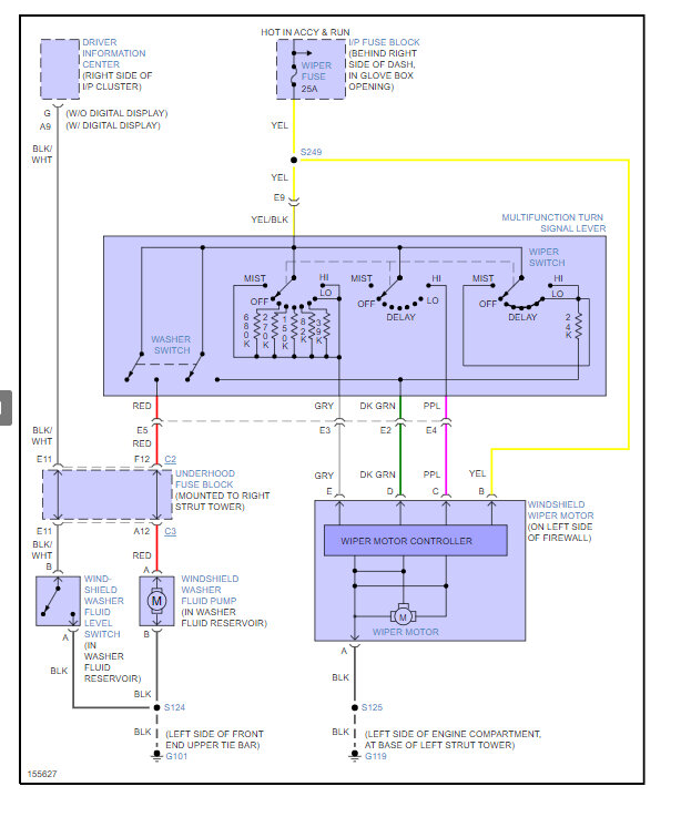
It's the same one as wiper fuse inside car. It's marked wiper 25 amp. One other thing if you can hear the pump running take a very thin wire and run down window washer it may be plugged there. Here is the wiper pump washer wiring diagrams so you can see how the system works and which wires to test for power, if the pump is getting power and ground replace the pump. Check out the images (Below). Please let us know what happens.
Dec 24, 2015 at 11:56 AM