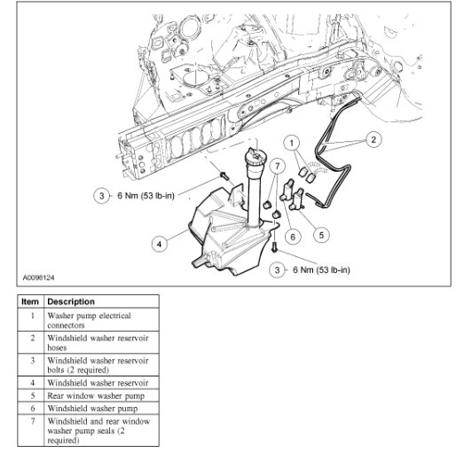
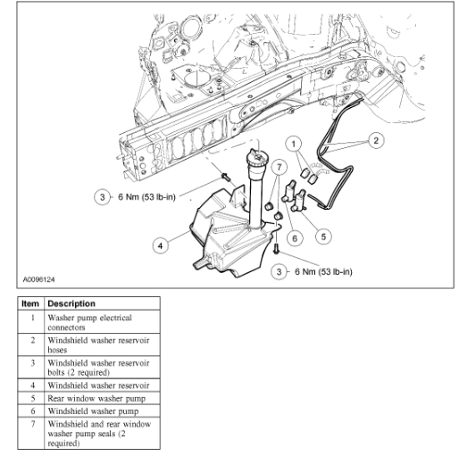
Every time I go to turn on the washer fluid for my windshield it starts bubbling and leaks on my passenger door frame (I circled the general area where it leaks in photo). would guys say the lines busted?
Jan 1, 2020 at 3:17 AM

