windshield washer

2005 CHEVROLET COLORADO
26,000 MILES • 3.5L • 5 CYL • 2WD • AUTOMATIC
Avatar
BESTBJ
  • MEMBER
  • 1 POST
Does not turn off automatically.
Jun 24, 2017 at 3:29 PM
Advertisement
Avatar
STRAILER
  • CERTIFIED EXPERT
  • 53,855 POSTS
Hello,

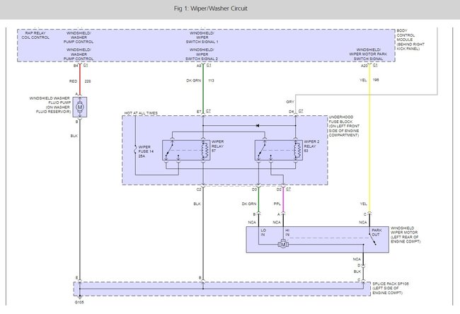
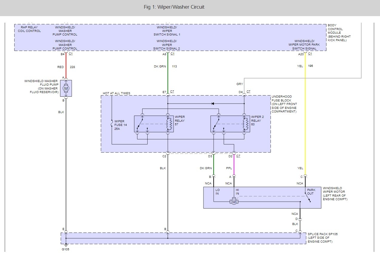
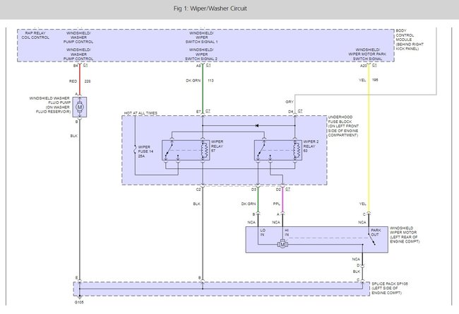
A couple of things come to mind, first is you have a relay sticking which will keep the washers going. Next is the BCM is having a problem. Here is a guide and a diagram (below) that will help you do some testing to see what the problem is and get it fixed.

https://www.2carpros.com/articles/how-to-use-a-test-light-circuit-tester

and

https://www.2carpros.com/articles/how-to-check-an-electrical-relay-and-wiring-control-circuit


Please run some tests and get back to us so we can continue helping you.

Cheers, Ken
Jun 27, 2017 at 11:22 AM