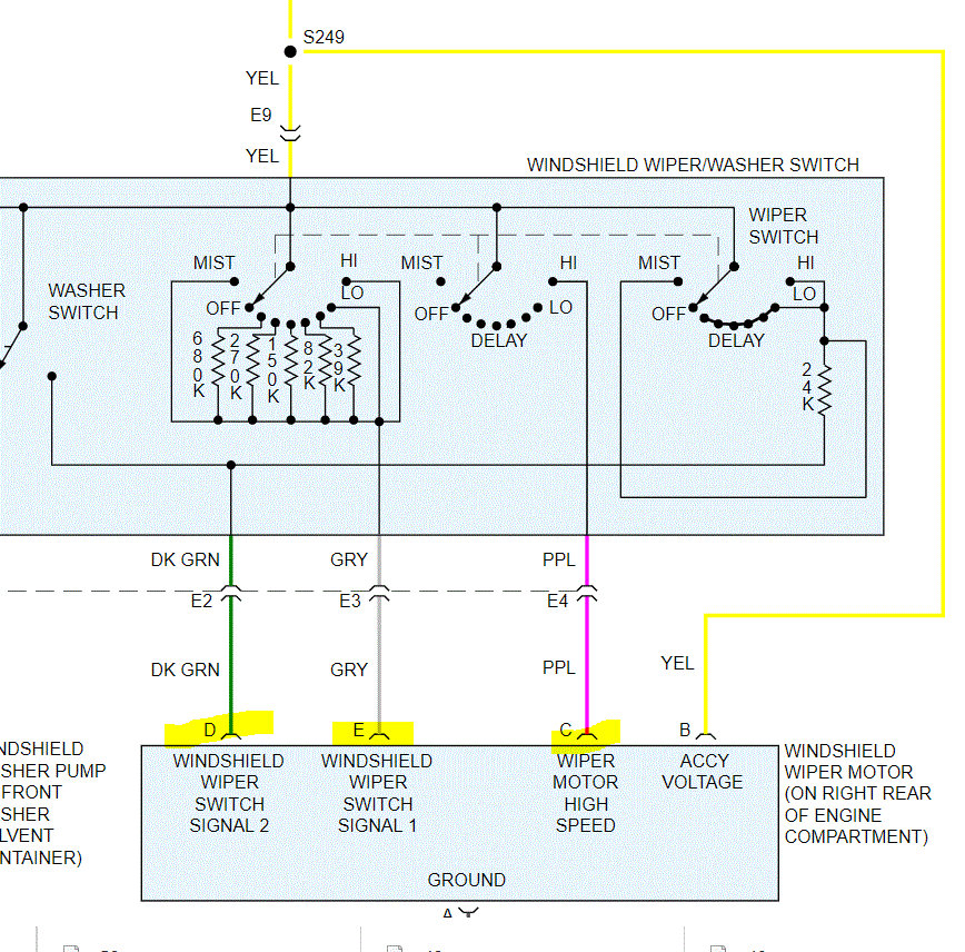
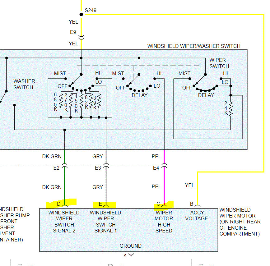
My windshield motor only work on high speed. Multiple function switch workS on washer motor, L and R turn signal switches. How do you know the windshield motor is bad or relay bad or wire circuit bad, etc.? And how to set for the windshield motor wiper arm starter point?
Thanks for your instruction and helps!
I bought new multiple functional switch and going to replace it. I found a repair shop pour oil to multiple functional switch. Does that dysfunction the switch?
Thanks for your instruction and helps!
I bought new multiple functional switch and going to replace it. I found a repair shop pour oil to multiple functional switch. Does that dysfunction the switch?
Nov 21, 2020 at 2:13 PM






