Fuse location

2004 KIA SORENTO
120,000 MILES • 3.0L • V6 • 4WD • AUTOMATIC
Avatar
ROGER DUBELL
  • MEMBER
  • 3 POSTS
where is the windshield washer pump fuse located on my car?
Aug 30, 2017 at 11:09 AM
Advertisement
Avatar
STEVE W.
  • CERTIFIED EXPERT
  • 15,113 POSTS
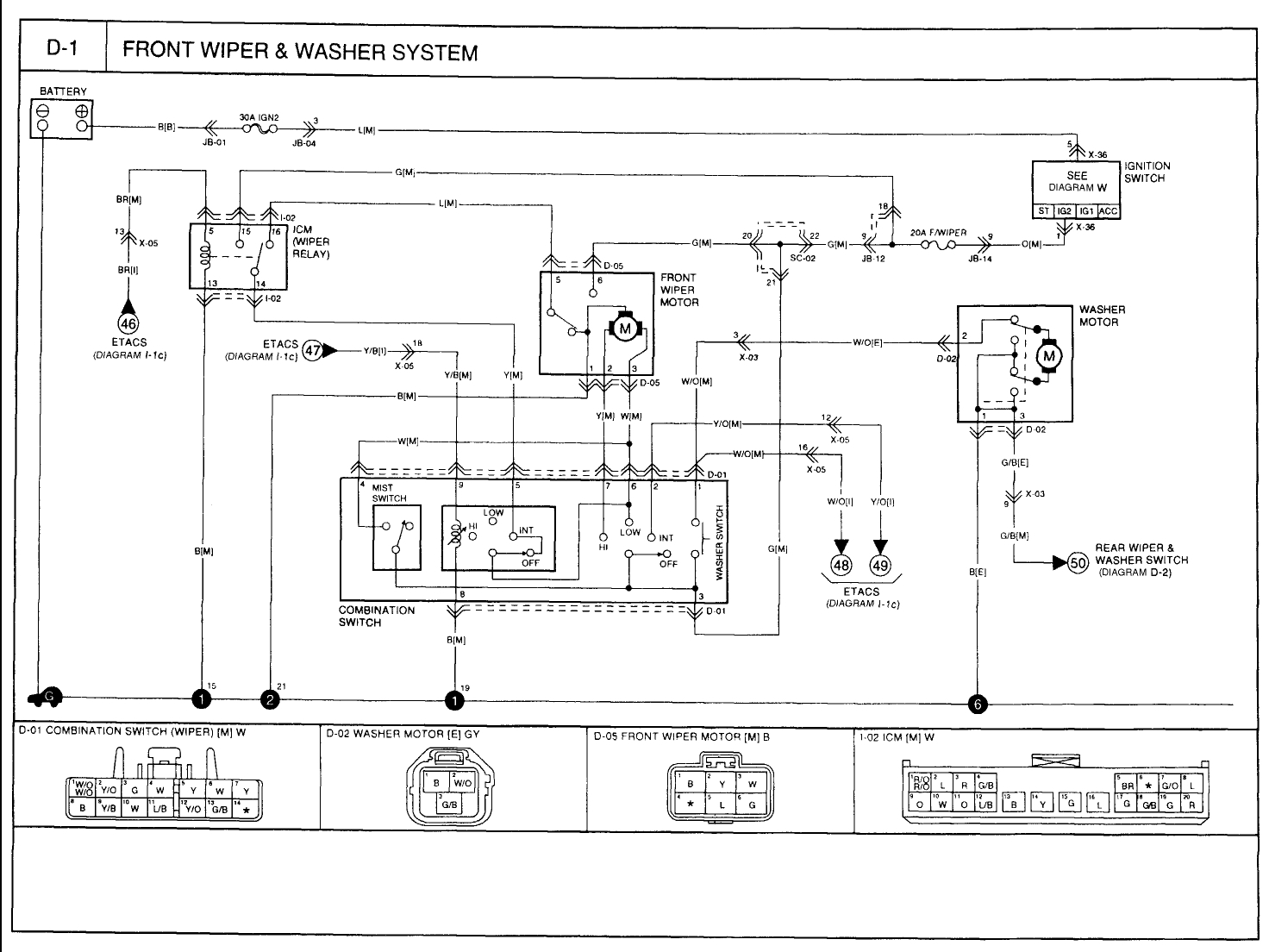
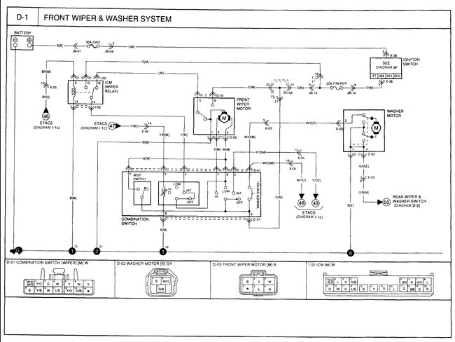
The washer pump gets its power from the same fuse that powers the wiper motor. Fuse 8 (20A) in the fuse block.
If your wipers work but the washer does not it is not the fuse.
Aug 30, 2017 at 2:45 PM
Avatar
ROGER DUBELL
  • MEMBER
  • 3 POSTS
Thank you. Where is the washer pump located and how do I change it?
Sep 1, 2017 at 8:46 AM
Advertisement
Avatar
STEVE W.
  • CERTIFIED EXPERT
  • 15,113 POSTS
It is plugged into a grommet on the side of the washer fluid reservoir that is up front on the passenger side. You just unhook the wiring and the washer nozzle hose, twist the pump a bit and pull it out. The new one just pushes into the hole and reconnect the hose and wiring. It will leak out the washer fluid so you can either drain out the fluid into a container or park on some gravel. DON'T drain it onto grass. The alcohol in it can kill the grass.
Sep 1, 2017 at 1:08 PM