Windshield Wipers not working?

1995 DODGE DAKOTA
105,000 MILES • 4 CYL • 2WD • MANUAL
Avatar
BEAUGROSSCUP
  • MEMBER
  • 1 POST
looking for info on fuse needed/location on fuse box.
Nov 14, 2022 at 2:18 PM
Advertisement
Avatar
CARADIODOC
  • CERTIFIED EXPERT
  • 34,306 POSTS
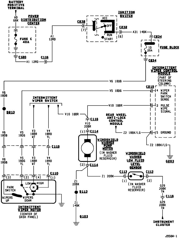
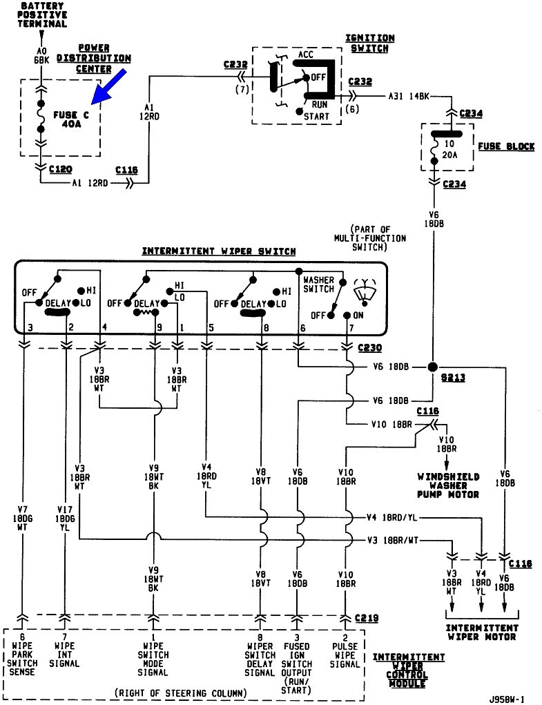
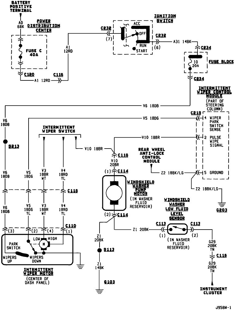
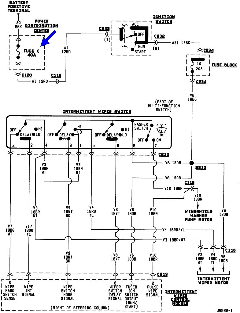
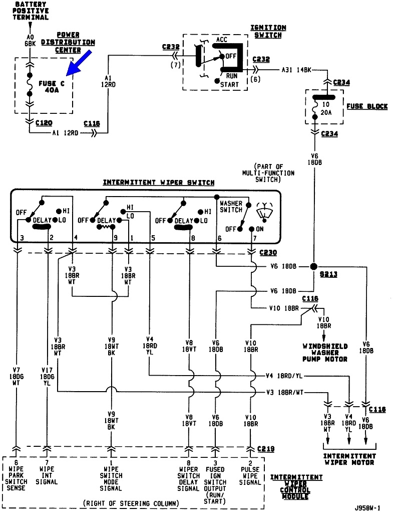
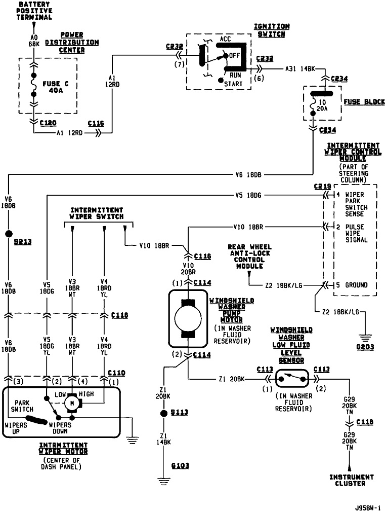
The diagram is different for the two-speed system. These are for the delay system, but both use the same fuse "C", a 40-amp.

A quick thing to check before you even open the hood is to turn the wiper switch to "low" or "high", (ignition switch on), then lightly tug up on one of the wiper arms. If they suddenly start to run or even move just a little on their own, the fuse has to be okay. The wiper motor is mounted on rubber mounts to isolate its vibration, but then there's a brass ground strap under one of the three bolt heads. Arcing can occur under the bolt head, then the motor doesn't have a good ground. Adding a ground wire is the permanent solution for that.
Nov 14, 2022 at 3:50 PM