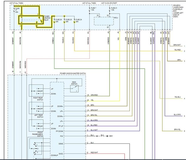
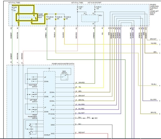
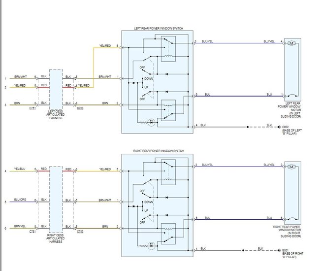
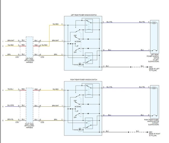
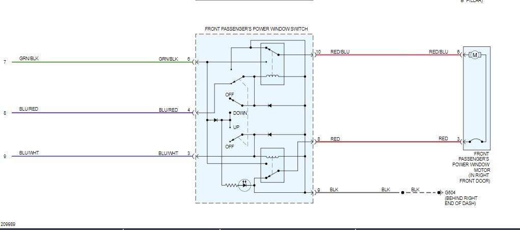
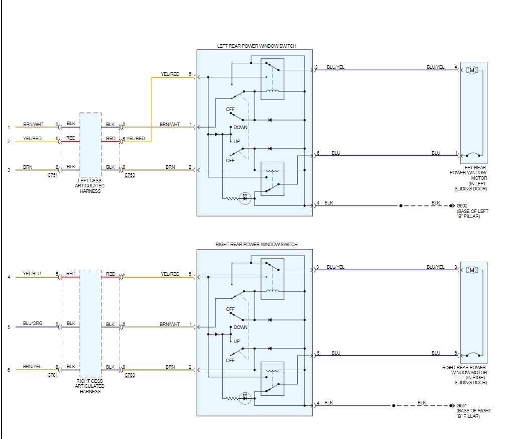
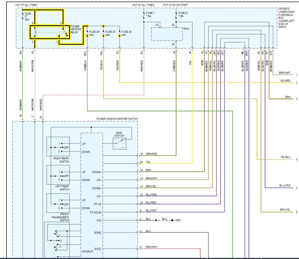
The windows will not work at all. uses are good, the door control is good. what else could it be? with key in door lock and turned twice all the windows go down and up, so the motors are good. any thoughts on what it could be?
Apr 4, 2021 at 12:58 PM




